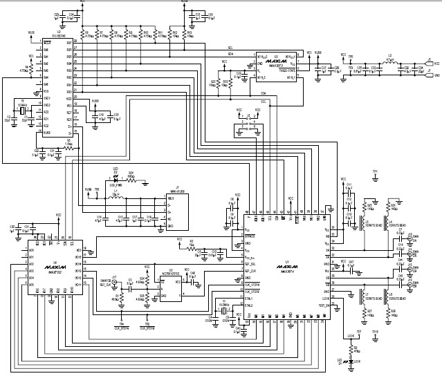
MAX3674EVKIT+, Evaluation Board for the MAX3674 PLL Clock Generator for Optical Networking
Diseño de referencia usando la pieza MAX3674ECM+ de Analog Devices
Para productos finales
- Ethernet Router and Ethernet Switch
- Optical Networking
Descripción
- MAX3674EVKIT+, Evaluation Board for the MAX3674 PLL Clock Generator for Optical Networking. The MAX3674 Evaluation Kit is a fully assembled and tested demonstration board that simplifies evaluation of MAX3674 high-performance dual-output network clock synthesizer. EV kit includes a 16MHz crystal and other hardware components necessary to evaluate all MAX3674 functions
Piezas destacadas (10)
| Número de pieza | Fabricante | Tipo | Descripción | |||
|---|---|---|---|---|---|---|
|
|
MAX7312ATG+ | Analog Devices | GPIO Expanders | I2C Interface 400kHz 5.5V 24-Pin QFN EP Tube | AÑADIR AL CARRITO | |
|
|
MAX7312ATG+ | Analog Devices | GPIO Expanders | I2C Interface 400kHz 5.5V 24-Pin QFN EP Tube | AÑADIR AL CARRITO | |
|
|
PIC16C745-I/SO | Microchip Technology | Microcontrollers - MCUs | MCU 8-bit PIC RISC 14KB EPROM 5V 28-Pin SOIC W Tube | AÑADIR AL CARRITO | |
|
|
MAX3373EEKA+ | Analog Devices | Level Translators | Voltage Level Translator 2-CH Bidirectional 8-Pin SOT-23 T/R | AÑADIR AL CARRITO | |
|
|
NC7SV125P5X | onsemi | Buffers and Line Drivers | Buffer/Line Driver 1-CH Non-Inverting 3-ST CMOS 5-Pin SC-70 T/R | AÑADIR AL CARRITO | |
|
|
MAX3373EEKA+ | Analog Devices | Level Translators | Voltage Level Translator 2-CH Bidirectional 8-Pin SOT-23 T/R | AÑADIR AL CARRITO | |
|
|
MAX3674ECM+ | Microchip Technology | Clock Generators and Synthesizers | Clock Generator 15MHz to 20MHz-IN 1360MHz-OUT 48-Pin LQFP Tray | AÑADIR AL CARRITO | |
|
|
MAX3674ECM+ | Microchip Technology | Clock Generators and Synthesizers | Clock Generator 15MHz to 20MHz-IN 1360MHz-OUT 48-Pin LQFP Tray | AÑADIR AL CARRITO | |
|
|
MAX3674ECM+ | Microchip Technology | Clock Generators and Synthesizers | Clock Generator 15MHz to 20MHz-IN 1360MHz-OUT 48-Pin LQFP Tray | AÑADIR AL CARRITO | |
|
|
MAX3674ECM+ | Microchip Technology | Clock Generators and Synthesizers | Clock Generator 15MHz to 20MHz-IN 1360MHz-OUT 48-Pin LQFP Tray | AÑADIR AL CARRITO | |