AN1315, Evaluation Board for L6386 MOSFET Power Driver for 3-Phase Motor Drive

Diseño de referencia usando la pieza L6386 de STMicroelectronics

Fabricante

STMicroelectronics
  • Categoría de aplicaciones
    Controladores de energía
  • Tipo de producto
    Controlador de energía MOSFET

Para productos finales

  • 3-Phase AC Motor

Descripción

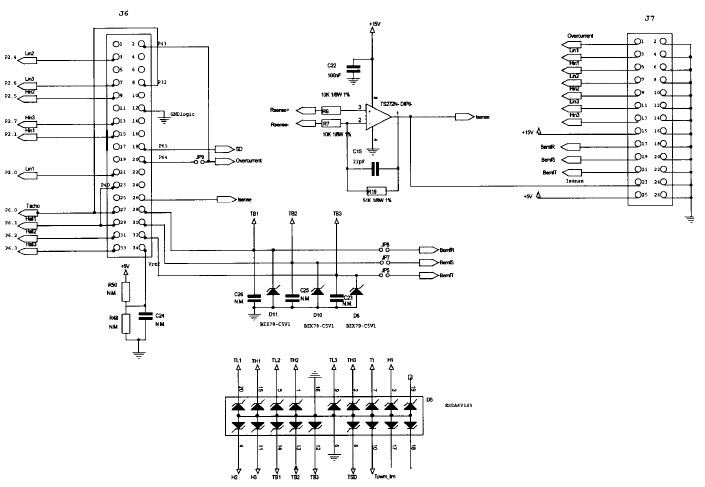
  • AN1315, Evaluation Board for L6386 MOSFET Power Driver for 3-Phase Motor Drive. L6386, MOSFET Power Driver for 3-Phase Motor Drive. The 3-Phase Demo Board is a reference kit for evaluation and design with the high voltage gate driver L6386. User must only provide the logical signals and the power supplies. The kit make easy to test the driver capability with different power switches and can be used as reference design for a power stage of a 3-phase motor drive

Hemos actualizado nuestra política de privacidad. Por favor tome un momento para revisar estos cambios. Al hacer clic en Acepto, usted está de acuerdo con la Politica de Privacidad de Arrow Electronics y sus condiciones de uso.

Nuestro sitio Web coloca cookies en su dispositivo para mejorar su experiencia y nuestro sitio. Lea más sobre las cookies que utilizamos y cómo desactivarlas aquió. Es posible que se utilicen las cookies y tecnologías de seguimiento con fines de marketing.
Al hacer clic en "Aceptar", usted está consintiendo la colocación de cookies en su dispositivo y el uso de tecnologías de seguimiento. Haga clic en "Leer más" a continuación para obtener más información e instrucciones sobre cómo desactivar las cookies y tecnologías de seguimiento. Si bien la aceptación de cookies y tecnologías de seguimiento es voluntaria, la desactivación de estos puede resultar en que el sitio web no funcione correctamente, y es posible que ciertos anuncios sean menos relevantes para usted.
Respetamos su privacidad. Lea nuestra política de privacidad aquió