5-LEDs General LED Driver for Industrial

Diseño de referencia usando la pieza LTC3675EUFF de Analog Devices

Fabricante

Analog Devices
  • Categoría de aplicaciones
    Iluminación
  • Tipo de producto
    Controlador LED general

Documentos asociados

Para productos finales

  • Industrial
  • Portable

Descripción

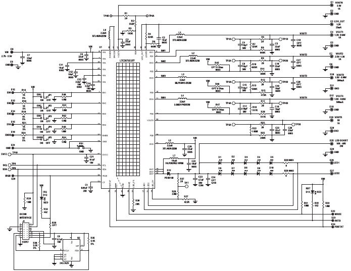
  • Demonstration circuit is a multi output power supply with a Push-Button controller and a dual string LED driver featuring the LTC3675. The LTC3675 has four synchronous buck regulators, a buck-boost regulator, a boost regulator, plus an always-on LDO regulator

Características clave

  • Input Voltage
    2.7 to 5.5 V
  • Output Current
    0.05 A
  • Number of Derived Elements
    5

Hemos actualizado nuestra política de privacidad. Por favor tome un momento para revisar estos cambios. Al hacer clic en Acepto, usted está de acuerdo con la Politica de Privacidad de Arrow Electronics y sus condiciones de uso.

Nuestro sitio Web coloca cookies en su dispositivo para mejorar su experiencia y nuestro sitio. Lea más sobre las cookies que utilizamos y cómo desactivarlas aquió. Es posible que se utilicen las cookies y tecnologías de seguimiento con fines de marketing.
Al hacer clic en "Aceptar", usted está consintiendo la colocación de cookies en su dispositivo y el uso de tecnologías de seguimiento. Haga clic en "Leer más" a continuación para obtener más información e instrucciones sobre cómo desactivar las cookies y tecnologías de seguimiento. Si bien la aceptación de cookies y tecnologías de seguimiento es voluntaria, la desactivación de estos puede resultar en que el sitio web no funcione correctamente, y es posible que ciertos anuncios sean menos relevantes para usted.
Respetamos su privacidad. Lea nuestra política de privacidad aquió