Arrow Electronic Components Online

Development trends and solutions for ultra-fast EV chargers

EV Charging14 Jul 2025
Three modern white electric vehicles are parked side by side, each connected to a sleek charging station.
View all articles

The booming Electric Vehicle (EV) market has catalyzed the development of various industries, including EV chargers. To meet the growing demand for EVs and achieve low-carbon goals, it is essential to establish a more robust charging infrastructure through efficient EV charging system designs. This article introduces the development trends of ultra-fast EV chargers and the related solutions offered by onsemi.

DC EV chargers accelerate charging speeds and boost consumer adoption

Charging speed is one of the key factors influencing consumers' decisions to purchase EVs. By converting AC to DC within charging stations, DC EV chargers significantly accelerate charging speeds and have now become mainstream. Driven by strong support from governments and automotive manufacturers, the rapidly growing EV market necessitates robust DC charging infrastructure.

The mainstream EV charging solution adopts higher charging voltages. Compared to AC charging with softer voltage limitations, DC fast charging can operate at up to 1500 VDC, enabling higher charging power, smaller currents, reduced heat generation, and lower losses. This also supports increasing the maximum voltage to accommodate 400V and 800V EV batteries and boosting power output to over 350 kW for ultra-fast charging. Silicon Carbide (SiC) technology, with its higher efficiency and ability to handle higher voltages and temperatures, is the ideal choice for achieving these goals.

SiC technology is revolutionizing DC EV chargers by offering lower RDS(ON), improving power conversion efficiency to over 97%, and reducing operational costs compared to silicon-based solutions. This results in smaller power converter volumes and footprints, lower cooling requirements, and quieter systems (with reduced EMI impact). SiC discrete devices are primarily used in charging units up to 50 kW, while module devices, due to their cost advantages, are preferred for units above 50 kW (and sometimes starting at 25 kW). 

Ultra-fast EV chargers bypass the On-Board Charger (OBC) and deliver power directly to the EV battery at levels ranging from 350 kW to megawatt. With current ratings between 200 A and 500 A, they significantly reduce charging times. These systems employ various power conversion components, such as Power Integrated Modules (PIMs), which integrate multiple power devices into a single package to simplify assembly and optimize thermal management. Additionally, wide bandgap SiC devices enhance efficiency and enable operation at higher temperatures and voltages.

Top view of EVBUM2878G: an onsemi evaluation board designed for a 1200V SiC half-bridge power module. The board features multiple electronic components, connectors, and four large square capacitors or modules on the right.

Bottom view of EVBUM2878G: A rectangular electronic circuit board is shown with a single large component mounted near the center. The board features multiple visible solder points and four black standoffs at the corners.

Top and bottom views of EVBUM2878G

Figure A

Multiple evaluation boards and reference designs accelerate customer product development

For example, onsemi's DC EV charger solution utilizes power conversion and power management technologies, including key components such as SiC discrete MOSFETs, IGBTs, power modules, and isolated gate drivers, along with other related products.

onsemi offers multiple evaluation boards and reference designs to accelerate customer product development. For instance, the EVBUM2878G-EVB is a 1200V M3S 4-PACK F2 EliteSiC MOSFET module evaluation board. This board enables double-pulse switching tests and open-loop power tests for full-bridge modules like the NXH011F120M3F2PTHG and NXH007F120M3F2PTHG.

Another example is the EVBUM2880G-EVB, a 1200V M3S 2-PACK F1 EliteSiC MOSFET module evaluation board. This board is used for double-pulse switching tests and open-loop power tests for half-bridge modules, including the NXH008P120M3F1PTG, NXH010P120M3F1PTG, NXH015P120M3F1PTG, and NXH030P120M3F1PTG.

The EVBUM2883G-EVB is a 1200V M3S T-NPC F2 EliteSiC module evaluation board. This board is used for double-pulse switching tests and open-loop power tests for TNPC (neutral point clamped, T-type) modules, such as the NXH008T120M3F2PTHG and NXH011T120M3F2PTHG. All these evaluation boards can be connected to an external controller to provide PWM inputs and handle fault signals.

onsemi also offers the SEC-25KW-SIC-PIM-GEVK evaluation kit, a 25 kW fast DC EV charger reference design kit based on SiC Power Integrated Modules. This all-SiC solution includes PFC and DC-DC stages and employs multiple 1200V, 10 mΩ half-bridge SiC modules. It supports input voltages of 400VAC (EU) / 480VAC (US), output voltages of 200VDC - 1000VDC, a maximum output power of 25 kW, efficiency exceeding 96%, and features three-phase PFC (Power Factor Correction) and DAB (Dual Active Bridge) to enable bidirectional power conversion for 400V/800V batteries.

Full SiC module in F2 packaging: The image shows two rectangular electronic components, one displaying a grid of metallic pins and the other featuring a grid of circular copper-colored contacts. Both components are white with mounting holes.

Full SiC module in F2 packaging

Figure B

Comprehensive DC EV charger solutions

onsemi offers a range of DC EV charger solutions covering various use cases in the DC EV charger market, catering to different power levels and charging times for residential and commercial applications. From DC Wallbox systems below 22 kW to ultra-fast EV charging systems above 350 kW, onsemi's EliteSiC MOSFETs and Field Stop 7 IGBTs ensure higher efficiency and power density, while isolated gate drivers enhance safety and reliability.

onsemi's power module solutions for ultra-fast EV chargers (≥ 350 kW) support high-current charging up to 500 A and deliver power levels from 350 kW to 1 MW. onsemi's full suite of EliteSiC M3S T-NPC and 4-pack F2 Power Integrated Modules (PIMs) offer significant advantages, including superior thermal performance, high power density, high efficiency, and enhanced reliability. These modules are configured as 50 kW modular blocks that can be stacked to achieve power levels exceeding 350 kW.

The NXH008T120M3F2PTHG is an F2 T-type NPC PIM featuring an 8 mΩ / 1200 V M3S SiC MOSFET T-NPC. It offers options with or without pre-applied Thermal Interface Material (TIM), supports 15V - 18V gate drive, and uses HPS DBC substrates. It provides choices between solderable pins and press-fit pins, employs M3S technology for optimized switching performance, and is easy to drive with negative gate voltages.

The NXH007F120M3F2PTHG is an F2 4-pack full-bridge PIM featuring a 7 mΩ / 1200 V M3S SiC MOSFET. It offers options with or without pre-applied TIM, supports 15V - 18V gate drive, uses HPS DBC substrates, and features press-fit pins. It employs M3S technology for optimized switching performance and is easy to drive with negative gate voltages.

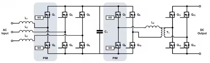
This image shows a detailed circuit diagram of a three-stage power converter system. The diagram includes labeled AC input lines, multiple transistors (Q1–Q14), inductors (L1–L4), a capacitor (C1), and a transformer (T1). The flow from AC input to DC output is clearly illustrated, with each stage separated and components distinctly marked.

Example of a typical two-level EV charging circuit

Figure C

High-performance power module and discrete solutions for EV chargers

For commercial EV charger power module and discrete solutions (25 - 150 kW), onsemi has developed a 25 kW DC EV charger evaluation kit with bidirectional capability. This kit can be stacked in a single cabinet to support both 400 V and 800 V standard EV battery voltages. It adopts a common two-level EV charging circuit, consisting of a three-phase half-bridge stage and a second DAB stage. The system features a simple structure, high operating efficiency, and ease of control. It uses phase-shift modulation to achieve ZVS (Zero Voltage Switching) under high loads while maximizing efficiency across a wide charging voltage range of 200 V to 1000 V.

onsemi's full SiC half-bridge PIM is ideally suited for DC EV charger designs, offering easy-to-mount packages and specifications with excellent thermal resistance and parasitic inductance, enabling higher system operating efficiency and power density.

onsemi's EliteSiC PIMs, such as the NXH008P120M3F1PTG, NXH010P120M3F1PTG, and NXH015P120M3F1PTG, feature a 1200V dual-pack half-bridge with SiC M3S in F1 package. They offer excellent FOM [ = RDS(ON) * EOSS ] , optimized switching performance with M3S technology, and support 15V to 18V gate drive. They are easy to drive with negative gate voltages, offer options with or without pre-applied TIM, and feature press-fit pins.

Additionally, onsemi offers EliteSiC discrete 1200 V SiC MOSFETs with M3S technology, optimized for high-temperature operation. They feature improved parasitic capacitance for high-frequency operation, RDS(ON) ranging from 13 to 65 mΩ @ VGS= 18 V, ultra-low gate charge (QG(TOT) ranging from 55 to 254 nC), high-speed switching with low capacitance (COSS ranging from 57 to 262 pF), and are available in a 4-pin package with a Kelvin Source.

onsemi also provides Top Cool SMD package with BPAK value proposition, offering superior thermal performance, higher power density, and better thermal resistance. Heat dissipation from the top reduces PCB temperature, improves PCB utilization, lowers costs by eliminating thermal vias under MOSFETs, enhances PCB reliability, and blocks dust on the PCB through closed aluminum housing design.

onsemi has also introduced its new, highly optimized, and innovative 1200 V FS7 IGBTs, designed to significantly reduce switching and conduction losses while ensuring superior switching performance. These devices feature low switching losses, enabling higher switching frequencies. This reduces the size of magnetic components, increasing power density and lowering system costs. The FS7 IGBTs are an excellent choice for applications requiring efficient and cost-effective power solutions.

For example, the FGY4L160T120SWD, a 1200V Field Stop VII (FS7) discrete IGBT, features a maximum junction temperature TJ = 175°C, a Gen7 diode co-packaged in a TO-247-plus-4L package, a positive temperature coefficient for easy parallel operation, high current capability, smooth and optimized switching, low switching losses, and RoHS compliance.

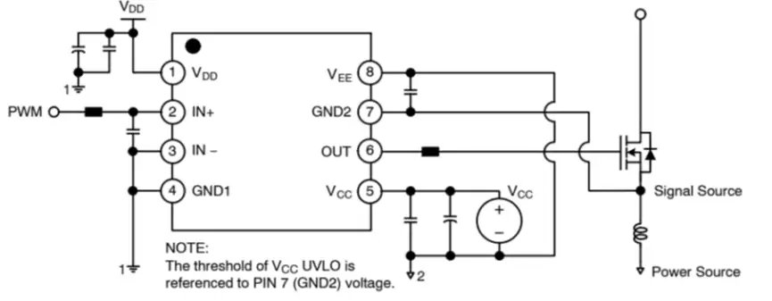
This image shows a schematic diagram featuring a gate driver integrated circuit connected to a MOSFET for switching applications. The circuit includes labeled pins such as VDD, IN+, IN-, GND1, VEE, GND2, OUT, and VCC, with connections to a signal source and a power source.

Schematic of internal negative bias application

Figure D

Optimizing gate drivers for high-power or high-voltage applications

Selecting the right gate driver is critical for optimizing performance in high-power or high-voltage applications. Key considerations include isolation capability, gate drive voltage ranges, isolation capacitance and power loss, Common Mode Transient Immunity (CMTI), and current driving capability. By considering these factors, we can choose gate drivers that enhance the performance, efficiency, and safety of SiC/Si MOSFETs or IGBTs.

Here are some of onsemi's key gate drivers. NCP51563 is a dual-channel isolated gate driver supporting 4.5 A / 9 A source/sink peak current, 36 ns typical propagation delay with 5 ns maximum delay matching, single or dual input modes via ANB, 5 kV galvanic isolation, CMTI ≥ 200 kV/µs, and SOIC-16WB packaging with 8 mm creepage distance.

NCD57100 is a single-channel isolated gate driver supporting 7 A source/sink peak current, active Miller clamp, UVLO and DESAT protection, wide bias voltage range including negative VEE, 3.3 V to 5 V input supply voltage, 5 kV galvanic isolation, CMTI ≥ 150 kV/µs, and SOIC-16WB packaging with 8 mm creepage distance.

NCD57090 is a single-channel isolated gate driver supporting 6.5 A source/sink peak current, available with split output, active Miller clamp, or negative bias versions, 3.3 V, 5 V, and 15 V logic input, 5 kV galvanic isolation, CMTI ≥ 100 kV/µs, and SOIC-8WB packaging with 8 mm creepage distance.

Converters consist of bridges using wide bandgap components and face the risk of self-turn-on in the low-side MOSFET. The main culprits include Miller capacitance, gate resistance, and high dv/dt. One solution is to use gate drivers with negative gate voltages. onsemi's gate drivers integrate internal negative bias, such as the NCP51752, an isolated single-channel gate driver with integrated negative bias control. It supports 4.5 A peak source and 9 A peak sink current, integrated negative bias control (-2/-3/-4/-5 V), 36 ns propagation delay with 5 ns maximum delay matching, 3 V to 20 V input supply voltage, 200 V/ns dv/dt immunity, 3.75 kVRMS isolation for 1 minute (per UL1577 requirements), and UVLO options of 6 V and 8 V for MOSFETs or 12 V and 17 V for SiC.

onsemi also offers various signal conditioning and control products, such as the NCS2007x series of operational amplifiers, which provide rail-to-rail output operation, 3 MHz bandwidth, and are available in single, dual, and quad configurations. These amplifiers come in compact packages and support a wide supply voltage range of 2.7 V to 36 V, making them ideal for various applications. For high-accuracy current monitoring, the NCS21x is recommended due to its low supply voltage and low offset from its zero-drift architecture, enabling current sensing across shunt resistors with a maximum voltage drop as low as 10 mV full-scale.

For the auxiliary power design of a 25 kW DC EV charger, the NCV890100 is a fixed-frequency, monolithic buck switching regulator designed to power low-voltage components. It is ideal for systems requiring low noise and a compact form factor. The NCV890100 converts an input voltage range of 4.5 V to 18 V to output voltages as low as 3.3 V. It operates at a constant switching frequency above the AM band, eliminating the need for expensive filters and EMI countermeasures. The NCP3064 is another DC-DC regulator designed for step-up and step-down applications with minimal external components. Both devices feature integrated Thermal Shutdown Protection (TSD).

Conclusion

The development of ultra-fast EV chargers is advancing toward higher power, higher efficiency, and greater intelligence to meet the growing demands of the EV market. With continuous breakthroughs in semiconductor technology, power module design, and thermal management, future chargers will achieve shorter charging times and better energy management, enhancing user experience and system stability. Driven by policy support and industry collaboration, ultra-fast charging technology will accelerate its adoption, contributing to a true green transformation in electric transportation. The onsemi fast charger solutions mentioned in this article will be one of your best choices for entering related industry applications.

Article Tags

EV Charging
onsemi
Arrow Times

Related news articles

View all