A primer on electric vehicle DC fast chargers and power supply topologies
Despite headlines about slowdowns in electric vehicle adoption, EVs surpassed one million U.S. sales in 2023. Along with this surge in EV ownership, charging infrastructure is quickly growing to keep up.
There are three primary charger implementations: L1, L2, and L3.
L1 is the slowest and least capable, using a standard 120VAC source. L2 uses a 240VAC power source and adds power six to eight times faster than L1 charging.
Both L1 and L2 supply the vehicle with AC current (and are technically classed as EVSE—electric vehicle supply equipment—not chargers, per se) requiring the vehicle to perform DC conversion internally to charge the battery.
L3 chargers, however, directly supply the vehicle with DC current, typically at 400 or 800 VDC, letting a vehicle add a few hundred miles of range in under an hour.
Given these broadly different implementations and the more granular differences that will exist between specific applications, internal charging electronics topologies need to be considered. In this article, we’ll outline several different AC-DC topologies, along with DC-DC topologies that can be used in EV applications.
AC-to-DC EV charger topology options
| AC/DC Topologies | 2-Level PFC | 3-Level NPC | 3-Level Vienna | 3-Level TNPC | 3-level ANPC |
|---|---|---|---|---|---|
| Input Phases | 1- & 3-Phase | 1- & 3-Phase | 3-Phase | 3-Phase | 3-Phase |
| Bidirectional | Yes | Yes | No | Yes | Yes |
| Power Density | Low | High | Moderate | Moderate | Highest |
| Efficiency | Low | Very high @ high frequency | High | High | Highest |
| Conduction Loss | Low | High | High | Moderate | High |
| Switching Loss | High | Low | Moderate | Moderate | Low |
| Control | Easy | Moderate | Moderate | Moderate | Moderate |
| Peak Voltage Stress | High | Low | Low | Low | Lowest |
| THD of output current | High | Very low | Very low | Very low | Very low |
| Cost | Low | HIgh | Moderate | Moderate | Highest |
| Input Inductor | Large | Small | Small | Small | Small |
| # of Switches | 4 (1-ph), 6 (3-ph) | 4 (1-ph), 12 (3-ph) | 6 | 12 | 18 |
| # of Diodes | 0 | 2 (1-ph), 6 (3-ph) | 6 | 0 | 0 |
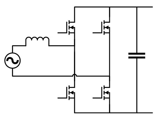
Single-phase totem pole PFC (power factor correction)

Single-phase totem pole PFC
The single-phase totem pole PFC topology is a relatively simple design with a low BOM cost. It features two main driver switches, along with diodes or low RDSON MOSFETs to provide rectification. It is inherently capable of bidirectional operation (i.e., vehicle to grid, V2G charging) but continuous-conduction mode (CCM) is only practical when using SiC and GaNswitching, not when using more traditional Si components.
Overall, this topology tends to be less efficient due to high switching losses, though conduction losses are low. Efficiency can be improved by using four interleaved power stage drivers instead of two, and with the use of SiC and GaN switching.
Single-phase neutral point clamped power factor correction (NPC PFC)

Single-phase NPC PFC
The single-phase NPC topology converts alternating current into positive and negative DC voltage outputs, with a set—or clamped—neutral point between the two. This topology can produce very low distortion, with lower voltage across power switches, as only half of the total DC voltage range is handled by each DC level (as opposed to the operation of full range rectifiers). Cost-effective MOSFET switches can therefore be implemented in this topology (instead of SiC or GaN). However, four switches and their associated drivers are needed, while nominally only two are required in the single-phase totem pole PFC topology.
Bidirectional operation is possible via its active switching operation. This topology can be further enhanced with GaN/SiC switching when extremely high performance is required.
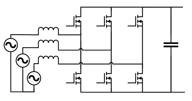
Three-phase Two-level power factor correction (PFC)

Three-phase two-level PFC
The three-phase two-level PFC topology is a boost-type rectifier circuit using six switches. It is a simple topology both from a BOM and circuitry standpoint and can accommodate bidirectional power flow at a reasonable efficiency.
While this is an elegantly simple way to implement bidirectional three-phase power conversion, there are several drawbacks to this topology. As opposed to some other topologies discussed here, switches must be able to block the entire bus voltage. For example, an 800VDC output would require 1200V-rated SiC switches or similarly capable devices for regulation. Proper operation also requires a filter inductor to regulate input current to low total harmonic distortion (THD) values. EMI is high compared to other PFC topologies, and the full-range voltage stresses experienced by components can affect long-term reliability.
Vienna Rectifier

Vienna Rectifier
The Vienna Rectifier, patented in 1993, is appropriate for high-power three-phase power factor correction applications. It can operate in continuous conduction mode (CCM) and is relatively simple to control. This topology enables higher efficiency at elevated switching frequencies when compared to two-level PFC setups, using Si MOSFETs or IGBTs and SiC Schottky diodes per its three-level design. The Vienna rectifier topology features high efficiency and low THD.
One characteristic drawback of the Vienna rectifier is that it nominally only supports unidirectional power conversion from AC grid power to DC applications (i.e., EV charging). However, bidirectional power can be implemented by replacing the power diodes with active switches.
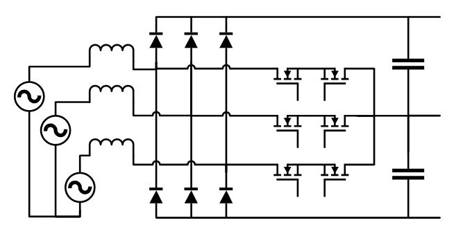
Three-phase neutral point clamped (NPC) PFC
Three-phase, three-level NPC PFC
The three-phase NPC topology, similar to the single-phase NPC topology discussed previously, extends the switching concept into three phases. As with the single-phase version, each driver only needs to handle half the bus voltage. This reduces switching losses and voltage stress and allows for the use of more cost-effective 600V components versus 1200V types. The three-phase NPC topology can therefore be implemented with Si, SiC, or GaN technology, depending on requirements. This topology is capable of bidirectional power conversion and is an excellent choice for switching frequencies higher than 50 kHz per its low switching losses and high efficiency.
Nine gate drivers are required for three-phase NPC control, as opposed to the four required for the single-phase version, each of which needs its own control circuit. For better thermal management, NPC diodes can be replaced by active switches, creating an active neutral point clamped (ANPC) topology. Each of these NPC topologies is quite complex, from both a BOM and circuitry standpoint.
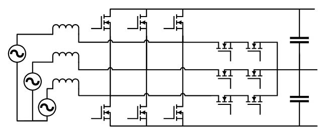
Three-phase, three-level, T-type Neutral Point Clamped (TNPC)

Three-phase, three-level T-type NPC PFC
This topology functions similarly to the three-phase, two-level PFC circuit setup outlined earlier, but adds an active bidirectional switch from each 3-phase AC line to the DC-link midpoint. Here, the high-side and low-side of each AC-to-DC conversion would still need to be switched in its entirety and thus would require switches capable of this regulation (e.g., 1200V IGBTs and diodes for an 800V DC link range). The bidirectional switching setup to the DC-link midpoint, however, is only required to regulate half of this voltage and thus can be implemented with lower-rated devices.
As a whole, conversion losses are low when compared to NPC topologies, but overall switching losses are high per the switches used to block the full voltage range. It features better efficiency when compared to NPC topologies, along with a somewhat simpler layout and a lower component count. It can be used for bidirectional switching and offers good THD performance.
DC-to-DC EV Charger Topology Options
Along with inverting AC power to DC, the correct DC voltage must be supplied to the vehicle and/or battery. Several options exist here as well.
EV Charging station power topologies – AC/DC
| CC/DC Topologies | LLC Converter | Phase-shifted Full Bridge | Dual Active Bridge (DAB) | DAB in CLLC Mode |
|---|---|---|---|---|
| Bidirectional | No | No | Yes | Yes |
| Efficiency | High | Low | Moderate | Highest |
| Conduction Loss | HIgh | Moderate | Lowest | Moderate |
| Switching Loss | Low | High | High | Low |
| Control | Moderate | Simple | Simple | Moderate |
| Switching Frequency | Fixed/High | High | High | Very High |
| Peak Device Stress | High | Moderate | Lowest | High |
| Transformer KVA rating | High | Moderate | Low | High |
| Input & Output Capacitor RMS Currents | High | Moderate | Low | High |
| Paralleling Modules | Difficult | Easy | Easy | Difficult |
| Wide Battery Voltage, Fixed Bus Voltage | No | Yes (reduced efficiency) | Yes (reduced efficiency) | Limited |
| Cost | Moderate | Moderate | High | High |
| # of Switches | 4 | 4 | 8 | 8 |
| # of Diodes | 4 | 4 | 0 | 0 |
Phase-shifted full bridge (PSFB)

Phase-shifted full bridge (PSFB)
In this topology, four switches are implemented on the primary side of a DC transformer bridge setup, along with an inductor. Input DC power is phase-shifted via a controller that senses voltage on current on both the primary and secondary sides but only drives switches on the primary side. The secondary side uses diodes to regulate the output phase-shifted power.
This is used for unidirectional power transfer only. Efficiency is typically low, with moderate conduction losses and high switching losses. The cost for this topology is moderate, with a simple control setup, making it worth consideration in some instances.
LLC resonant converter

LLC resonant converter
The LLC resonant converter is similar to the PSFB topology but adds a capacitor on the primary side. Active switches on the primary side regulate input power. The system is most efficient when operated close to its inherent resonance frequency. This allows for ZVS (zero voltage switching) turn-on and ZCS (zero current switching) turn-off.
This topology allows for unidirectional power transfer only. Control layout from an overall circuitry standpoint is the same as a PSFB, but actual implementation can be more difficult, especially in parallel and synchronous operation, often requiring external control logic. EMI performance is better than hard switched topologies such as the PSFB. Overall efficiency is high, with low switching losses and high conduction losses. The cost for implementation is moderate and typically lower than a dual active bridge setup.
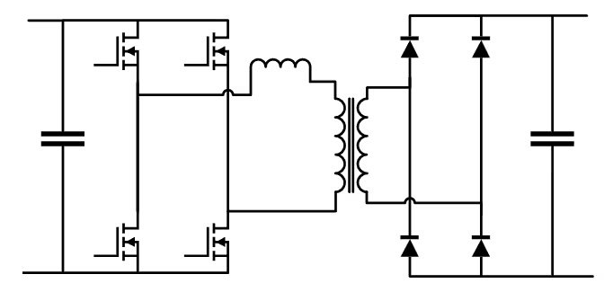
Dual active bridge (DAB)

Dual active bridge (DAB)
The dual active bridge converter design is nearly the same as the PSFB topology outlined above. Active switches on the primary provide phase-shifting; however, the secondary uses an array of four active switches (e.g., SiC or GaN devices) instead of diodes to regulate this power supply. This allows for bi-directional power transfer, as well as more granular control in its primary-to-secondary power conversion operation.
In addition to its bi-directional usage characteristics, this active control setup can provide better overall efficiency than PSFB topologies, with very low conduction losses. However, it will still experience high switching losses. Control, while still straightforward, is more complicated than the PSFB setup. A gate driver must be used on the secondary, as well as the primary, sides of the transformer. The cost for this topology is comparatively high.
DAB in CLLC Mode

DAB in CLLC Mode
This topology functions similarly to the three-phase, two-level PFC circuit setup outlined earlier, but adds an active bidirectional switch from each 3-phase AC line to the DC-link midpoint. Here, the high-side and low-side of each AC-to-DC conversion would still need to be switched in its entirety and thus would require switches capable of this regulation (e.g., 1200V IGBTs and diodes for an 800V DC link range). The bidirectional switching setup to the DC-link midpoint, however, is only required to regulate half of this voltage and thus can be implemented with lower-rated devices.
As a whole, conversion losses are low when compared to NPC topologies, but overall switching losses are high per the switches used to block the full voltage range. It features better efficiency when compared to NPC topologies, along with a somewhat simpler layout and a lower component count. It can be used for bidirectional switching and offers good THD performance.
Considerations when choosing an EV charging topology
When considering a topology for AC-DC rectification, as well as DC-DC conversion in the context of EV charging, first consider whether you’ll be working with 3-phase or single-phase AC power, along with the topology from a charge time, reliability, heat generation, and space standpoints. With the overall topology selected, you can then delve into the individual parts and circuitry cost. Consider going back to the topology level, or even higher-level design criteria if needed.
The good news is that there are a wide range of topologies, as well as component options, available to satisfy your project requirements. If you need a place to start, eInfochips, an Arrow company, offers a 30 kW reference design that can be used to help jump-start the design process.
Article Tags