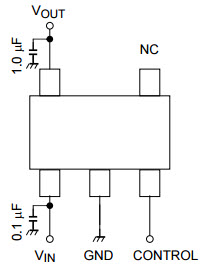
Typical Application for TCR5SB21A, 150mA, 2.1V Output Voltage CMOS Low-Dropout Regulator

Reference Design using part TCR5SB21A by Toshiba

Manufacturer

Toshiba
  • Application Category
    Power Supplies
  • Product Type
    DC to DC Single Output Power Supplies

For End Products

  • Cellular Phone
  • Portable

Description

  • Typical Application for TCR5SB21A, 150mA, 2.1V Output Voltage CMOS Low-Dropout Regulator. The TCR5SB18A to TCR5SB50A are CMOS general-purpose single-output voltage regulators with an on/off control input, featuring low dropout voltage and low quiescent bias current. The TCR5SB18A to TCR5SB50A can be enabled and disabled via the CONTROL pin. These voltage regulators are available in fixed output voltages between 1.8V and 5V in 0.1V steps and capable of driving up to 150 mA. They feature overcurrent protection. The TCR5SB18A to TCR5SB50A are offered in the compact SMV (SOT25) (SC-74A) and allow the use of small ceramic input and output capacitors

Key Features

  • Conversion Type
    DC to DC
  • Output Voltage
    2.1 V
  • Topology
    LDO

We've updated our privacy policy. Please take a moment to review these changes. By clicking I Agree to Arrow Electronics Terms Of Use  and have read and understand the Privacy Policy and Cookie Policy.

Our website places cookies on your device to improve your experience and to improve our site. Read more about the cookies we use and how to disable them here. Cookies and tracking technologies may be used for marketing purposes.
By clicking “Accept”, you are consenting to placement of cookies on your device and to our use of tracking technologies. Click “Read More” below for more information and instructions on how to disable cookies and tracking technologies. While acceptance of cookies and tracking technologies is voluntary, disabling them may result in the website not working properly, and certain advertisements may be less relevant to you.
We respect your privacy. Read our privacy policy here