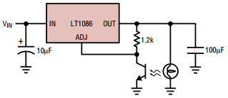
Typical Application for LT1086CT Low Dropout Positive Regulator with Automatic Light Control

Reference Design using part LT1086CT by Analog Devices

Manufacturer

Analog Devices
  • Application Category
    Power Supplies
  • Product Type
    DC to DC Single Output Power Supplies

For End Products

  • Active Termination
  • Battery Charger
  • Constant Current Regulators
  • Linear Regulators
  • Microprocessor Power Supply
  • Post-Regulators

Description

  • Typical Application for LT1086CT Low Dropout Positive Regulator with Automatic Light Control. The LT1086 is designed to provide up to 1.5A output current. All internal circuitry is designed to operate down to 1V input-to-output differential and the dropout voltage is fully specified as a function of load current. Dropout is guaranteed at several operating points up to a maximum of 1.5V at maximum output current

Key Features

  • Conversion Type
    DC to DC
  • Topology
    LDO

We've updated our privacy policy. Please take a moment to review these changes. By clicking I Agree to Arrow Electronics Terms Of Use  and have read and understand the Privacy Policy and Cookie Policy.

Our website places cookies on your device to improve your experience and to improve our site. Read more about the cookies we use and how to disable them here. Cookies and tracking technologies may be used for marketing purposes.
By clicking “Accept”, you are consenting to placement of cookies on your device and to our use of tracking technologies. Click “Read More” below for more information and instructions on how to disable cookies and tracking technologies. While acceptance of cookies and tracking technologies is voluntary, disabling them may result in the website not working properly, and certain advertisements may be less relevant to you.
We respect your privacy. Read our privacy policy here