TWR-K22F120M, Kinetis K22 Tower System Module based on the MK22FN512 MCU
Reference Design using part MK22FN512VDC12 by NXP Semiconductors
For End Products
- Home Appliances
- Safety
Description
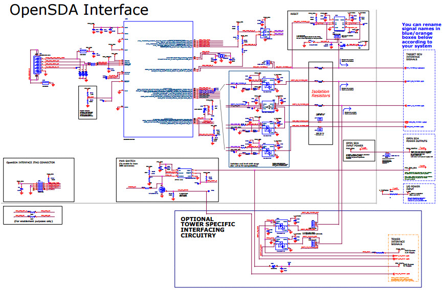
- TWR-K22F120M, Kinetis K22 Tower System Module based on the MK22FN512 MCU. The TWR-K22F120M microcontroller module is designed to work either in Standalone mode or as part of the Tower System, a modular development platform that enables rapid prototyping and tool re-use through reconfigurable hardware
Key Features
-
Embedded System TypeMCU
-
Family NameKinetis K22
-
Core ProcessorARM Cortex-M4
-
PlatformTower System
Featured Parts (13)
| Part Number | Manufacturer | Type | Description | |||
|---|---|---|---|---|---|---|
|
|
MIC2005-0.8YM6 | Microchip Technology | USB Power Switches | Power Switch Hi Side 1-OUT 0A 70mOhm 6-Pin SOT-23 | Buy | |
|
|
MK20DX128VFM5 | NXP Semiconductors | Microcontrollers - MCUs | MCU 32-bit ARM Cortex M4 RISC 128KB Flash 1.8V/2.5V/3.3V 32-Pin QFN EP Tray | Buy | |
|
|
MIC2920A-3.3WS | Microchip Technology | Linear Regulators | LDO Regulator Pos 3.3V 0.4A 4-Pin(3+Tab) SOT-223 Tube | Buy | |
|
|
NTSX2102GU8H | NXP Semiconductors | Level Translators | Voltage Level Translator 2-CH Bidirectional 8-Pin XQFN T/R | Buy | |
|
|
NXP | NXP Semiconductors | Level Translators | Voltage Level Translator 2-CH Bidirectional 8-Pin XQFN T/R | Buy | |
|
|
MIC5239-1.8YS | Microchip Technology | Linear Regulators | LDO Regulator Pos 1.8V 0.5A 4-Pin(3+Tab) SOT-223 Tube | Buy | |
|
|
MIC2026-1YM | Microchip Technology | USB Power Switches | USB Power Switch Dual 5.5V 0.9A 8-Pin SOIC N Tube | Buy | |
|
|
PK20DX128VFM5 | NXP Semiconductors | Microcontrollers - MCUs | MCU 32-bit ARM Cortex M4 RISC 128KB Flash 1.8V/2.5V/3.3V 32-Pin QFN EP Each | Buy | |
|
|
ECS-.327-12.5-34B | ECS, Inc. International | Crystals | Crystal 0.032768MHz ±20ppm (Tol) 12.5pF FUND 70000Ohm 2-Pin Ultra Mini-CSMD T/R | Buy | |
|
|
ABS07-32,768KHZ-T | Abracon | Crystals | Crystal 0.032768MHz ±20ppm (Tol) 12.5pF FUND 70000Ohm 2-Pin CSMD T/R | Buy | |
|
|
TS3USB30RSWR | Texas Instruments | Analog Switch Multiplexers | Analog Switch/Analog Multiplexer Dual 1:2 10-Pin UQFN T/R | Buy | |
|
|
ABS07-32.768kHz-T | Abracon | Crystals | Crystal 0.032768MHz ±20ppm (Tol) 12.5pF FUND 70000Ohm 2-Pin CSMD T/R | Buy | |