TIDA-00262, Optimized Automotive 1M Pixel Camera Module Design for Uncompressed Digital Video over Coax

Reference Design using part DS90UB913ATRTVTQ1 by Texas Instruments

Manufacturer

Texas Instruments
  • Application Category
    Interface
  • Product Type
    LVDS Serializer/Deserializer

For End Products

  • Personal Digital Assistant
  • Portable
  • Video Camera

Description

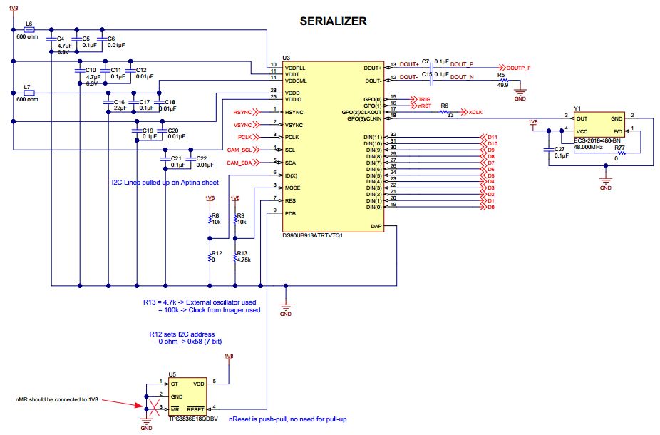
  • TIDA-00262, Optimized Automotive 1M Pixel Camera Module Design for Uncompressed Digital Video over Coax. The TIDA-00262 Reference Design is a high speed serial video interface to connect a remote automotive camera module to a display or machine vision processing system. It uses TIs FPD-Link III SerDes technology to transmit uncompressed MegaPixel video data, bidirectional control signals and power either over shielded twisted pair or coax cable

We've updated our privacy policy. Please take a moment to review these changes. By clicking I Agree to Arrow Electronics Terms Of Use  and have read and understand the Privacy Policy and Cookie Policy.

Our website places cookies on your device to improve your experience and to improve our site. Read more about the cookies we use and how to disable them here. Cookies and tracking technologies may be used for marketing purposes.
By clicking “Accept”, you are consenting to placement of cookies on your device and to our use of tracking technologies. Click “Read More” below for more information and instructions on how to disable cookies and tracking technologies. While acceptance of cookies and tracking technologies is voluntary, disabling them may result in the website not working properly, and certain advertisements may be less relevant to you.
We respect your privacy. Read our privacy policy here