TIDA-00111, Stepper Motor System Reference Design with Medium Torque Drive
Reference Design using part DRV8818PWPR by Texas Instruments
Associated Documents
For End Products
- Stepper Motor
Description
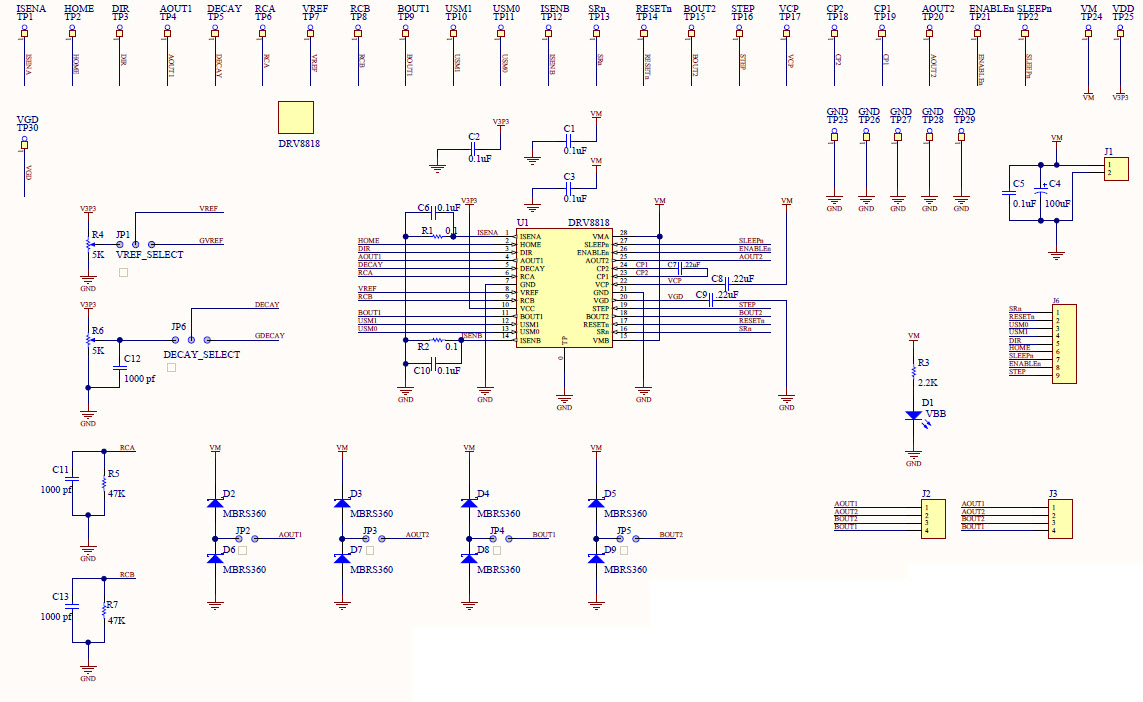
- TIDA-00111, Stepper Motor System Reference Design implements an MSP430, DRV8818 and a NEMA 23 motor. It's suitable for applications requiring up to 140 oz-in of torque and up to 800 RPM. Motor voltage support is 8V to 32V and max current is 2.5A. A multitude of configuration options allow fine tuning of the current waveform, including the regulated current level, the Micro-Stepping applied, H-bridge FET states during current decay, the time interval of current decay and current deglitch time. The motor drive stage has integrated protection from short-circuit, shoot-through, under-voltage and over-temperature
Key Features
-
Motor TypeStepper Motor
Featured Parts (8)
| Part Number | Manufacturer | Type | Description | |||
|---|---|---|---|---|---|---|
|
|
TPS77701D | Texas Instruments | Linear Regulators | LDO Regulator Pos 1.5V to 5.5V 0.75A 8-Pin SOIC Tube | Buy | |
|
|
MSP430F2617TPM | Texas Instruments | Microcontrollers - MCUs | MCU 16-bit MSP430 RISC 92KB Flash 2.5V/3.3V 64-Pin LQFP Tray | Buy | |
|
|
ECS-80-20-4X | ECS, Inc. International | Crystals | Crystal 8MHz ±30ppm (Tol) ±50ppm (Stability) 20pF FUND 80Ohm 2-Pin HC-49/USX Thru-Hole Bulk | Buy | |
|
|
TPS77701DR | Texas Instruments | Linear Regulators | LDO Regulator Pos 1.5V to 5.5V 0.75A 8-Pin SOIC T/R | Buy | |
|
|
ECS-80-20-4 | ECS, Inc. International | Crystals | Crystal 8MHz ±30ppm (Tol) ±50ppm (Stability) 20pF FUND 80Ohm 2-Pin HC-49/US Thru-Hole T/R | Buy | |
|
|
ECS-80-20-4VX | ECS, Inc. International | Crystals | Crystal 8MHz ±30ppm (Tol) ±50ppm (Stability) 20pF FUND 80Ohm 2-Pin HC-49/USX Thru-Hole Bulk | Buy | |
|
|
MSP430F2617TPMR | Texas Instruments | Microcontrollers - MCUs | MCU 16-bit MSP430 RISC 92KB Flash 2.5V/3.3V 64-Pin LQFP T/R | Buy | |
|
|
DRV8818PWPR | Texas Instruments | Motor Controller and Driver ICs | Stepper Motor Driver 28-Pin HTSSOP EP T/R | Buy | |