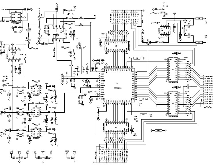
SPT7853, is a monolithic, triple 10-bit ADC that can sample input at a rate up to 30 MSPS
Reference Design using part SPT7853SCT by onsemi
For End Products
- Flat Panel Display
- Medical Imaging
- Projector
- Video RGB Line Driver
Description
- SPT7853, is a monolithic, triple 10-bit ADC that can sample input at a rate up to 30 MSPS. Its logic inputs and outputs are TTL and CMOS compatible
Key Features
-
ADC Resolution10 Bit
-
ADC Sampling Rate30M SPS
-
Number of Channels3CH
Featured Parts (25)
| Part Number | Manufacturer | Type | Description | |||
|---|---|---|---|---|---|---|
|
|
TLV2462CDRG4 | Texas Instruments | Operational Amplifiers - Op Amps | Op Amp Dual Low Power Amplifier R-R I/O ±3V/6V 8-Pin SOIC T/R | Buy | |
|
|
TLV2462CD | Texas Instruments | Operational Amplifiers - Op Amps | Op Amp Dual Low Power Amplifier R-R I/O ±3V/6V 8-Pin SOIC Tube | Buy | |
|
|
TLV2462IDG4 | Texas Instruments | Operational Amplifiers - Op Amps | Op Amp Dual Low Power Amplifier R-R I/O ±3V/6V 8-Pin SOIC Tube | Buy | |
|
|
TLV2462QPWRG4 | Texas Instruments | Operational Amplifiers - Op Amps | Op Amp Dual Low Power Amplifier R-R I/O ±3V/6V 8-Pin TSSOP T/R Automotive AEC-Q100 | Buy | |
|
|
TLV2462IDGKG4 | Texas Instruments | Operational Amplifiers - Op Amps | Op Amp Dual Low Power Amplifier R-R I/O ±3V/6V 8-Pin VSSOP Tube | Buy | |
|
|
TLV2462CP | Texas Instruments | Operational Amplifiers - Op Amps | Op Amp Dual Low Power Amplifier R-R I/O ±3V/6V 8-Pin PDIP Tube | Buy | |
|
|
TLV2462IDRG4 | Texas Instruments | Operational Amplifiers - Op Amps | Op Amp Dual Low Power Amplifier R-R I/O ±3V/6V 8-Pin SOIC T/R | Buy | |
|
|
TLV2462CDGK | Texas Instruments | Operational Amplifiers - Op Amps | Op Amp Dual Low Power Amplifier R-R I/O ±3V/6V 8-Pin VSSOP Tube | Buy | |
|
|
TLV2462IPE4 | Texas Instruments | Operational Amplifiers - Op Amps | Op Amp Dual Low Power Amplifier R-R I/O ±3V/6V 8-Pin PDIP Tube | Buy | |
|
|
TLV2462IP | Texas Instruments | Operational Amplifiers - Op Amps | Op Amp Dual Low Power Amplifier R-R I/O ±3V/6V 8-Pin PDIP Tube | Buy | |
|
|
TLV2462CDGKRG4 | Texas Instruments | Operational Amplifiers - Op Amps | Op Amp Dual Low Power Amplifier R-R I/O ±3V/6V 8-Pin VSSOP T/R | Buy | |
|
|
TLV2462IDGKR | Texas Instruments | Operational Amplifiers - Op Amps | Op Amp Dual Low Power Amplifier R-R I/O ±3V/6V 8-Pin VSSOP T/R | Buy | |