PMP9464, 30A SIMPLE SWITCHER Power Module with 3 to 14.5V Reference Design
Reference Design using part LMZ31530RLG by Texas Instruments
Description
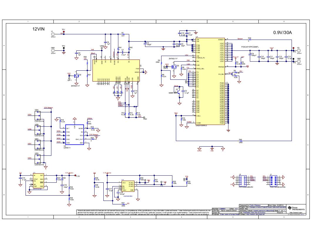
- PMP9464, 30A SIMPLE SWITCHER Power Module with 3 to 14.5V Reference Design. The reference design PMP9464 utilizes the LMZ31530, 30A SIMPLE SWITCHER Power Module. The LMZ31530 SIMPLE SWITCHER power module is an easy-to-use integrated power solution that combines a 30-A DC/DC converter with power MOSFETs, a shielded inductor and passives into a low profile, QFN package. This design has a LM25056 on the front end. The LM25056 combines high performance analog and digital technology with a PMBUs compliant SMBus/I2C interface to accurately measure the operating conditions of electrical systems including computing and storage blades connected to a backplane power bus
Key Features
-
Conversion TypeDC to DC
-
Input Voltage12 V
-
Output Voltage0.9 V
-
Output Current30 A
-
Output Power30 W
-
Efficiency85 %
Featured Parts (27)
| Part Number | Manufacturer | Type | Description | |||
|---|---|---|---|---|---|---|
|
|
LP2951CSDX-3.0/NOPB | Texas Instruments | Linear Regulators | LDO Regulator Pos 3V 0.1A 8-Pin WSON EP T/R | Buy | |
|
|
LP2951CSD-3.0/NOPB | Texas Instruments | Linear Regulators | LDO Regulator Pos 3V 0.1A 8-Pin WSON EP T/R | Buy | |
|
|
LM3881MME/NOPB | Texas Instruments | Supervisory Circuits | Processor Supervisor 1.22V 3 Active High/Open Drain 8-Pin VSSOP T/R | Buy | |
|
|
LM3881MM | Texas Instruments | Supervisory Circuits | Processor Supervisor 1.22V 3 Active High/Open Drain 8-Pin VSSOP T/R | Buy | |
|
|
LM25056APSQE/NOPB | Texas Instruments | PMIC Solutions | Power Management IC 3V to 17V 24-Pin WQFN EP T/R | Buy | |
|
|
LP2951CSDX/NOPB | Texas Instruments | Linear Regulators | LDO Regulator Pos 5V 0.1A 8-Pin WSON EP T/R | Buy | |
|
|
LM25056APSQE/NOPB | Texas Instruments | PMIC Solutions | Power Management IC 3V to 17V 24-Pin WQFN EP T/R | Buy | |
|
|
LP2951CSD/NOPB | Texas Instruments | Linear Regulators | LDO Regulator Pos 5V 0.1A 8-Pin WSON EP T/R | Buy | |
|
|
LM3881MMX/NOPB | Texas Instruments | Supervisory Circuits | Processor Supervisor 1.22V 3 Active High/Open Drain 8-Pin VSSOP T/R | Buy | |
|
|
LM10011SDX/NOPB | Texas Instruments | DC to DC Controllers | DC/DC Cntrlr Single-OUT Step Down 10-Pin WSON EP T/R | Buy | |
|
|
LM10011SD/NOPB | Texas Instruments | DC to DC Controllers | DC/DC Cntrlr Single-OUT Step Down 10-Pin WSON EP T/R | Buy | |
|
|
CJS-1201TA | NIDEC COMPONENTS CORPORATION | Switch Slide | Switch Slide ON OFF ON SPDT Flush Slide 0.1A 24VDC J-Lead SMD T/R | Buy | |