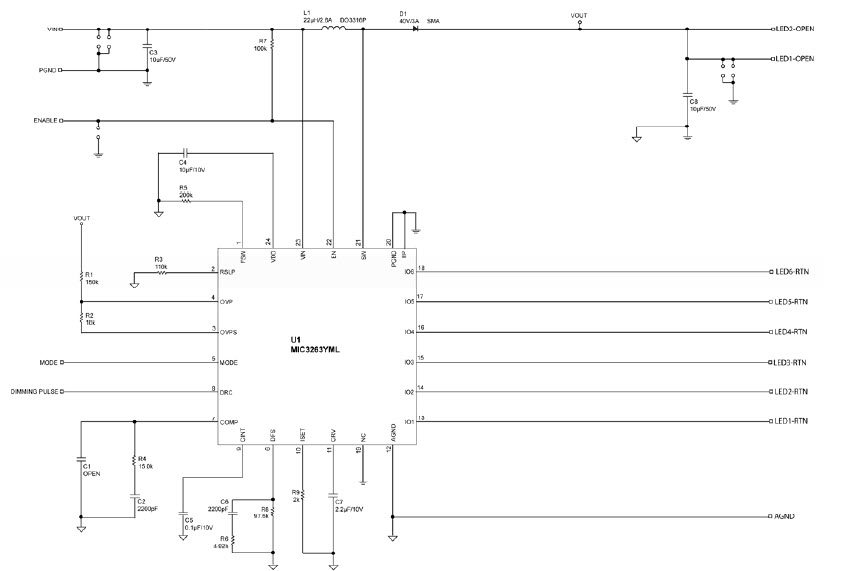
MIC3263YMLEV, Evaluation Board is designed for the MIC3263

Reference Design using part MIC3263YML by Microchip Technology

Manufacturer

Microchip Technology
  • Application Category
    Lighting
  • Product Type
    White LED Driver

For End Products

  • LCD Backlighting

Description

  • MIC3263YMLEV, Evaluation Board is designed for the MIC3263. The MIC3263 is a high-efficiency Pulse Width Modulation boost switching regulator that is optimized for constant-current WLED driver backlighting applications

Key Features

  • Input Voltage
    6 to 40 V
  • Output Voltage
    38 V
  • Output Current
    0.015 to 0.03 A
  • Output Power
    7 W
  • Number of Derived Elements
    4 to 10

We've updated our privacy policy. Please take a moment to review these changes. By clicking I Agree to Arrow Electronics Terms Of Use  and have read and understand the Privacy Policy and Cookie Policy.

Our website places cookies on your device to improve your experience and to improve our site. Read more about the cookies we use and how to disable them here. Cookies and tracking technologies may be used for marketing purposes.
By clicking “Accept”, you are consenting to placement of cookies on your device and to our use of tracking technologies. Click “Read More” below for more information and instructions on how to disable cookies and tracking technologies. While acceptance of cookies and tracking technologies is voluntary, disabling them may result in the website not working properly, and certain advertisements may be less relevant to you.
We respect your privacy. Read our privacy policy here