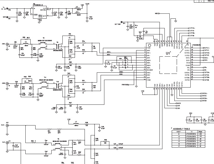
LTC2190 Demo Board, 16-bit 25Msps ADC, Serial LVDS Outputs, 5-170MHz

Reference Design using part LTC2190CUKG by Analog Devices

Manufacturer

Analog Devices
  • Application Category
    Data Conversion
  • Product Type
    Analog to Digital Conversion

Associated Documents

For End Products

  • Cell Basestation
  • Communications and Telecom
  • Data Acquisition System
  • Medical Imaging
  • Software Defined Radio

Description

  • LTC2190, 16-Bit, 25Msps high speed, dual Analog to Digital Conversion Demonstration Board

Key Features

  • ADC Resolution
    16 Bit
  • ADC Sampling Rate
    25M SPS
  • Number of Channels
    2CH

We've updated our privacy policy. Please take a moment to review these changes. By clicking I Agree to Arrow Electronics Terms Of Use  and have read and understand the Privacy Policy and Cookie Policy.

Our website places cookies on your device to improve your experience and to improve our site. Read more about the cookies we use and how to disable them here. Cookies and tracking technologies may be used for marketing purposes.
By clicking “Accept”, you are consenting to placement of cookies on your device and to our use of tracking technologies. Click “Read More” below for more information and instructions on how to disable cookies and tracking technologies. While acceptance of cookies and tracking technologies is voluntary, disabling them may result in the website not working properly, and certain advertisements may be less relevant to you.
We respect your privacy. Read our privacy policy here