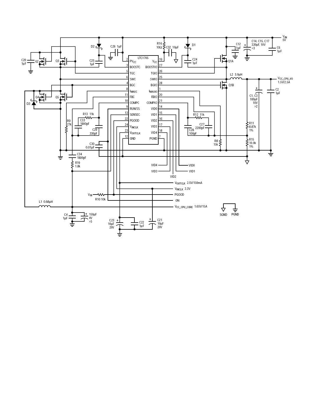
LTC1705 typical application for mobile Pentium III processor

Reference Design using part LTC1705 by Analog Devices

Manufacturer

Analog Devices
  • Application Category
    Power Supplies
  • Product Type
    DC to DC Multi-Output Power Supplies

For End Products

  • Laptop
  • Notebook
  • Processor Power Management

Description

  • Typical Intel mobile Pentium III application for the core, I/O and clock supplies. The core voltage is VID controlled and can vary from 0.9V to 2.0V at 18A. The I/O voltage is set for 1.5V at 3A and is programmed by two resistors

Key Features

  • Conversion Type
    DC to DC
  • Input Voltage
    5 V
  • Output Voltage
    1.5|1.65|2.5 V
  • Output Current
    0.15@2.5V|2.5@1.5V|15@1.65V A
  • Efficiency
    90 %
  • Topology
    Buck

We've updated our privacy policy. Please take a moment to review these changes. By clicking I Agree to Arrow Electronics Terms Of Use  and have read and understand the Privacy Policy and Cookie Policy.

Our website places cookies on your device to improve your experience and to improve our site. Read more about the cookies we use and how to disable them here. Cookies and tracking technologies may be used for marketing purposes.
By clicking “Accept”, you are consenting to placement of cookies on your device and to our use of tracking technologies. Click “Read More” below for more information and instructions on how to disable cookies and tracking technologies. While acceptance of cookies and tracking technologies is voluntary, disabling them may result in the website not working properly, and certain advertisements may be less relevant to you.
We respect your privacy. Read our privacy policy here