LP5522TMEV, Evaluation Board using LP5522 simple single wire programmable LED controller in six bump micro SMD package

Reference Design using part LP5522 by Texas Instruments

Manufacturer

Texas Instruments
  • Application Category
    Lighting
  • Product Type
    General LED Driver

For End Products

  • Cellular Phone
  • Gaming and Toys
  • Smart Phone

Description

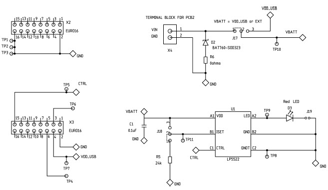
  • LP5522TMEV, Evaluation Board using LP5522 simple single wire programmable LED controller in six bump micro SMD package. It provides constant current flow through high side driver. Output current can be set from 1mA to 20mA by using an external resistor on the ISET pin. The LP5522 is controlled using only one signal. The signal controls either directly the LED driver or it launches previously programmed blinking sequence. The LP5522 works autonomously without a clock signal from the master device

Key Features

  • Output Current
    0.001 to 0.02 A
  • Number of Derived Elements
    1

We've updated our privacy policy. Please take a moment to review these changes. By clicking I Agree to Arrow Electronics Terms Of Use  and have read and understand the Privacy Policy and Cookie Policy.

Our website places cookies on your device to improve your experience and to improve our site. Read more about the cookies we use and how to disable them here. Cookies and tracking technologies may be used for marketing purposes.
By clicking “Accept”, you are consenting to placement of cookies on your device and to our use of tracking technologies. Click “Read More” below for more information and instructions on how to disable cookies and tracking technologies. While acceptance of cookies and tracking technologies is voluntary, disabling them may result in the website not working properly, and certain advertisements may be less relevant to you.
We respect your privacy. Read our privacy policy here