Hot-Swap Controller with Power-Up Timeout Function Simplifies Hot-Swapping Boards with Multiple Power Supplies
Reference Design using part LTC4212 by Analog Devices
For End Products
- Portable
Description
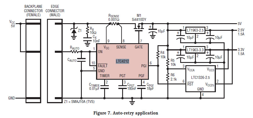
- Circuit shows an application that automatically tries to power-up the board after the ECB has been tripped due to a shorted load supply output. This circuit uses the LTC1326-2.5 supply monitor chip and ties its RST output to the PGI pin of the LTC4212
Key Features
-
Input Voltage2.5 to 16.5 V
-
Output Voltage2.5|3.3|5 V
-
Output Current1.5@2.5V|1.5@3.3V A
Featured Parts (110)
| Part Number | Manufacturer | Type | Description | |||
|---|---|---|---|---|---|---|
|
|
LT1963ES8-1.8#PBF | Analog Devices | Linear Regulators | LDO Regulator Pos 1.8V 1.5A 8-Pin SOIC N Tube | Buy | |
|
|
LT1963ET#30PBF | Analog Devices | Linear Regulators | LDO Regulator Pos 1.21V to 20V 1.5A 5-Pin(5+Tab) TO-220 Tube | Buy | |
|
|
LT1963ES8#TR | Analog Devices | Linear Regulators | LDO Regulator Pos 1.21V to 20V 1.5A 8-Pin SOIC N T/R | Buy | |
|
|
LT1963ES8-1.8#TR | Analog Devices | Linear Regulators | LDO Regulator Pos 1.8V 1.5A 8-Pin SOIC N T/R | Buy | |
|
|
LT1963ES8-1.5#PBF | Analog Devices | Linear Regulators | LDO Regulator Pos 1.5V 1.5A 8-Pin SOIC N Tube | Buy | |
|
|
LT1963EQ-3.3#PBF | Analog Devices | Linear Regulators | LDO Regulator Pos 3.3V 1.5A 6-Pin(5+Tab) DDPAK Tube | Buy | |
|
|
LTC1326CMS8#PBF | Analog Devices | Supervisory Circuits | Processor Supervisor 3.118V/2.363V/Adj 3 Active High/Active Low/Open Drain/CMOS 8-Pin MSOP Tube | Buy | |
|
|
LT1963ET-1.5#30PBF | Analog Devices | Linear Regulators | LDO Regulator Pos 1.5V 1.5A 5-Pin(5+Tab) TO-220 Tube | Buy | |
|
|
LT1963EQ-2.5#TR | Analog Devices | Linear Regulators | LDO Regulator Pos 2.5V 1.5A 6-Pin(5+Tab) DDPAK T/R | Buy | |
|
|
LT1963ET | Analog Devices | Linear Regulators | LDO Regulator Pos 1.21V to 20V 1.5A 5-Pin(5+Tab) TO-220 | Buy | |
|
|
LT1963EQ-1.5 | Analog Devices | Linear Regulators | LDO Regulator Pos 1.5V 1.5A 6-Pin(5+Tab) DDPAK | Buy | |
|
|
LT1963ES8#TR (CUT T&R) | Analog Devices | Linear Regulators | LDO Regulator Pos 1.21V to 20V 1.5A 8-Pin SOIC N T/R | Buy | |