Evaluation Board for the TLC320AD545 of 16-Bit Audio CODEC for Portable Audio

Reference Design using part TLC320AD545PT by Texas Instruments

Manufacturer

Texas Instruments
  • Application Category
    CODEC
  • Product Type
    Audio CODEC

For End Products

  • Portable Audio

Description

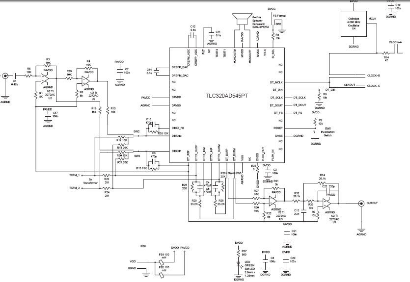
  • Evaluation Board for the TLC320AD545 DSP Analog Interface Circuit. The TLC320AD545EVM interfaces to C54x DSK+ board to allow the user to evaluate the performance of the device

Key Features

  • CODEC Resolution
    16 Bit

We've updated our privacy policy. Please take a moment to review these changes. By clicking I Agree to Arrow Electronics Terms Of Use  and have read and understand the Privacy Policy and Cookie Policy.

Our website places cookies on your device to improve your experience and to improve our site. Read more about the cookies we use and how to disable them here. Cookies and tracking technologies may be used for marketing purposes.
By clicking “Accept”, you are consenting to placement of cookies on your device and to our use of tracking technologies. Click “Read More” below for more information and instructions on how to disable cookies and tracking technologies. While acceptance of cookies and tracking technologies is voluntary, disabling them may result in the website not working properly, and certain advertisements may be less relevant to you.
We respect your privacy. Read our privacy policy here