EVAL-ADM1170EBZ, Evaluation board allows the ADM1170 to be easily evaluated

Reference Design using part ADM1170 by Analog Devices

Manufacturer

Analog Devices
  • Application Category
    Power Management
  • Product Type
    Hot-Swap Controller

Description

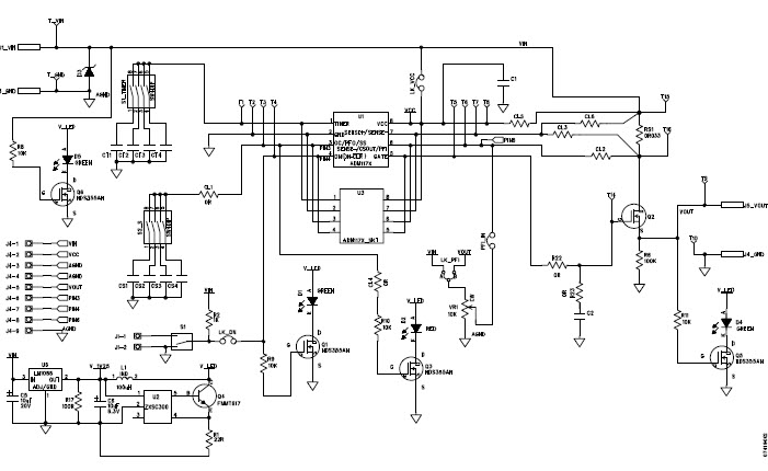
  • EVAL-ADM1170EBZ, Evaluation board allows the ADM1170 to be easily evaluated. These parts are Hot-Swap controllers with enable input and gate pin output to drive an external FET

Key Features

  • Input Voltage
    2.7 to 16.5 V

We've updated our privacy policy. Please take a moment to review these changes. By clicking I Agree to Arrow Electronics Terms Of Use  and have read and understand the Privacy Policy and Cookie Policy.

Our website places cookies on your device to improve your experience and to improve our site. Read more about the cookies we use and how to disable them here. Cookies and tracking technologies may be used for marketing purposes.
By clicking “Accept”, you are consenting to placement of cookies on your device and to our use of tracking technologies. Click “Read More” below for more information and instructions on how to disable cookies and tracking technologies. While acceptance of cookies and tracking technologies is voluntary, disabling them may result in the website not working properly, and certain advertisements may be less relevant to you.
We respect your privacy. Read our privacy policy here