Filters
| Description | Released By | For Application | For End Products | |||
|---|---|---|---|---|---|---|
SSM2167Z-EVALSSM2167Z-EVAL, 1-Channel Audio Power Amplifier for Audio Mixer |
Analog Devices | Audio | Desktop PC, Wireless Headset, Surveillance and Security System, Conference Devices, Audio Mixer | |||
EE-203 |
Analog Devices | Video | Surveillance Camera, Surveillance and Security System, Surveillance DVR 4-channel | |||
CN-0095 |
Analog Devices | Signal Conditioning | Automotive and Transportation, Instrumentation and Measurement, Factory Automation, Surveillance and Security System | |||
AN31723-Pole, 20MHz Butterworth Filter for XGA Reconstruction, Video Active Filter |
Analog Devices | Active Filters | Digital Camera, Set-Top Box, Video Routing and Switching Systems, Surveillance and Security System | |||
AN3172 |
Analog Devices | Active Filters | Digital Camera, Set-Top Box, Video Routing and Switching Systems, Surveillance and Security System | |||
AN31724-Pole, 20MHz Butterworth Filter for XGA Graphics, Video Active Filter |
Analog Devices | Active Filters | Digital Camera, Set-Top Box, Video Routing and Switching Systems, Surveillance and Security System | |||
AN3172NTSC Version Video Active Filter With Group Delay Adjustment |
Analog Devices | Active Filters | Digital Camera, Set-Top Box, Video Routing and Switching Systems, Surveillance and Security System | |||
AN3172 |
Analog Devices | Active Filters | Digital Camera, Set-Top Box, Video Routing and Switching Systems, Surveillance and Security System | |||
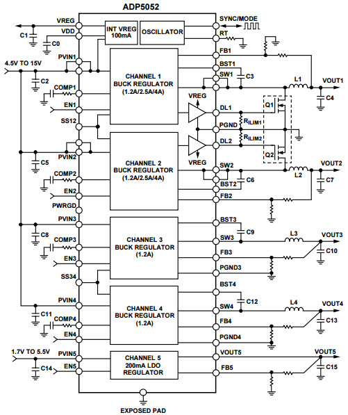
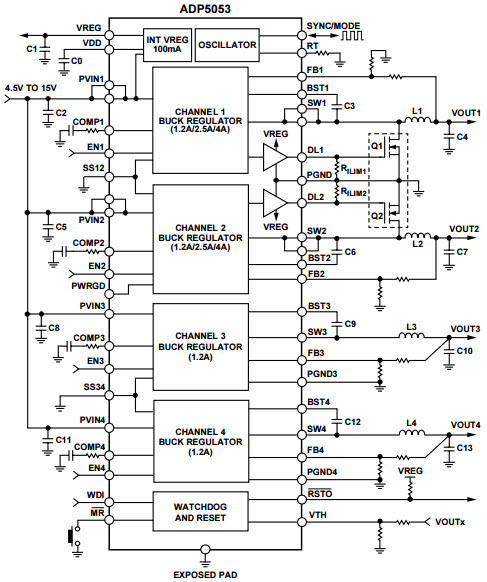
ADP5054_Typical ApplicationTypical Application for ADP5054 Quad Buck Regulator Integrated Power Solution |
Analog Devices | Power Supplies | Cell Basestation, Surveillance and Security System, Medical Appliances | |||
ADP5050_Typical Application |
Analog Devices | Power Supplies | Cell Basestation, Surveillance and Security System, Medical Appliances | |||
AD9234-1000EBZ |
Analog Devices | Data Conversion | Military and Aerospace, Surveillance and Security System, Missile Defense | |||
AD9680-500EBZ |
Analog Devices | Data Conversion | Military and Aerospace, Surveillance and Security System, Missile Defense | |||
AD9680-1000EBZ |
Analog Devices | Data Conversion | Military and Aerospace, Surveillance and Security System, Missile Defense | |||
AD9680-1250EBZAD9680-1250EBZ, 9680CE04B Evaluation Board for AD9680-1250 High Speed ADC Full Input Bandwidth |
Analog Devices | Data Conversion | Military and Aerospace, Surveillance and Security System, Missile Defense | |||
AD9234-500EBZ |
Analog Devices | Data Conversion | Military and Aerospace, Surveillance and Security System, Missile Defense | |||
AD9680-820EBZ |
Analog Devices | Data Conversion | Military and Aerospace, Surveillance and Security System, Missile Defense | |||
AD9234-LF500EBZAD9234-LF500EBZ, 9680CE02B Evaluation Board for AD9234-500 High Speed ADC up to 1GHz Input Bandwidth |
Analog Devices | Data Conversion | Military and Aerospace, Surveillance and Security System, Missile Defense | |||
AD9234-LF1000EBZ |
Analog Devices | Data Conversion | Military and Aerospace, Surveillance and Security System, Missile Defense | |||
AD9680-LF500EBZAD9680-LF500EBZ, 9680CE02B Evaluation Board for AD9680-500 High Speed ADC up to 1GHz Input Bandwidth |
Analog Devices | Data Conversion | Military and Aerospace, Surveillance and Security System, Missile Defense | |||
AD9680-LF820EBZAD9680-LF820EBZ, 9680CE02B Evaluation Board for AD9680-820 High Speed ADC up to 1GHz Input Bandwidth |
Analog Devices | Data Conversion | Military and Aerospace, Surveillance and Security System, Missile Defense | |||