Filters
| Description | Released By | For Application | For End Products | |||
|---|---|---|---|---|---|---|
AN3457 |
Analog Devices | Measurement and Monitoring | Cellular Phone, Portable Medical Instrumentation, Industrial Networking, Li-Ion Battery Pack, Automotive Vision Control, Hard Disk Drive (HDD) | |||
AN685 |
Analog Devices | Measurement and Monitoring | Cellular Phone, Portable Medical Instrumentation, Industrial Networking, Li-Ion Battery Pack, Automotive Vision Control, Hard Disk Drive (HDD) | |||
AN4542Circuit is a simple and economical interface for remote IC thermal sensors |
Analog Devices | Measurement and Monitoring | Cellular Phone, Portable, Automotive and Transportation, Communications and Telecom, Portable Medical Devices, Li-Ion Battery Pack, Hard Disk Drive (HDD) | |||
AN3457Low-Power Temperature Sensor Controller Used in IR-Link Receiver |
Analog Devices | Measurement and Monitoring | Cellular Phone, Portable Medical Instrumentation, Industrial Networking, Li-Ion Battery Pack, Automotive Vision Control, Hard Disk Drive (HDD) | |||
AN4485 |
Analog Devices | Amplifiers and Comparators | Cellular Phone, Notebook, Laptop, Battery Charger, Energy Meter, Li-Ion Battery Pack | |||
AN2012 |
Analog Devices | Power Drivers | Portable, Notebook, Laptop, Li-Ion Battery Pack | |||
AN4501 |
Analog Devices | Amplifiers and Comparators | Cellular Phone, Notebook, Laptop, Automotive and Transportation, Power Management, Battery Charger, Li-Ion Battery Pack, Fuel Gauge | |||
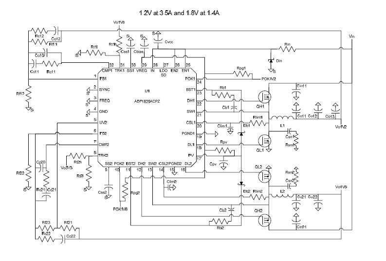
FCDC00053FCDC00052, Reference Design Using ADP1829/ADP1864 PWM Buck Controller |
Analog Devices | Power Supplies | Set-Top Box, Processor Power Management, Wireless, Li-Ion Battery Pack, Hard Disk Drive (HDD) | |||
Cordless Power Tools |
Diotec Semiconductor AG | Battery Management | Battery Charger, Li-Ion Battery Pack, DC Drives, Cordless Power Tool | |||
AN1867 |
Analog Devices | Isolation | Cellular Phone, Notebook, Battery Charger, Portable Computers, Energy, Li-Ion Battery Pack, Battery Powered Instrument, palmtops, Test and Measurement | |||
SOT23-3EV-VREGSOT23-3EV-VREG, MCP1701A SOT23-3 Voltage Regulator Evaluation Board |
Microchip Technology | Power Supplies | Cellular Phone, Portable, Digital Camera, Consumer Electronics, Pager, Solar Power, Smoke Detector, Li-Ion Battery Pack, Electrocardiograph Battery Powered, CO2 Sensor | |||
SOT23-3EV-VREGSOT23-3EV-VREG, MCP1703 SOT23-3 Voltage Regulator Evaluation Board |
Microchip Technology | Power Supplies | Cellular Phone, Portable, Digital Camera, Consumer Electronics, Pager, Solar Power, Smoke Detector, Li-Ion Battery Pack, Electrocardiograph Battery Powered, CO2 Sensor | |||
SOT23-3EV-VREGSOT23-3EV-VREG, MCP1702 SOT23-3 Voltage Regulator Evaluation Board |
Microchip Technology | Power Supplies | Cellular Phone, Portable, Digital Camera, Consumer Electronics, Pager, Solar Power, Smoke Detector, Li-Ion Battery Pack, Electrocardiograph Battery Powered, CO2 Sensor | |||
MCP1801_Typical ApplicationTypical Application for MCP1801 150 mA, High PSRR, Low Quiescent Current LDO |
Microchip Technology | Power Supplies | Consumer Electronics, Pager, Solar Power, Smoke Detector, Li-Ion Battery Pack, Data Logger, CO2 Sensor, Battery Powered Instrument, Alarm System, Wireless Communications, Battery-Operated Devices, Microcontroller Power Supply, Voltage Reference | |||
MCP1702_Typical ApplicationTypical Application for MCP1702 250 mA Low Quiescent Current LDO Regulator |
Microchip Technology | Power Supplies | Personal Digital Assistant, Digital Camera, Consumer Electronics, Pager, Solar Power, Smoke Detector, Li-Ion Battery Pack, Data Logger, CO2 Sensor, Battery Powered Instrument, Alarm System, Battery-Operated Devices, Microcontroller Power Supply, Voltage Reference | |||
MCP1802_Typical ApplicationTypical Application for MCP1802 300 mA, High PSRR, Low Quiescent Current LDO |
Microchip Technology | Power Supplies | Personal Digital Assistant, Digital Camera, Consumer Electronics, Pager, Solar Power, Smoke Detector, Li-Ion Battery Pack, Data Logger, CO2 Sensor, Battery Powered Instrument, Alarm System, Wireless Communications, Battery-Operated Devices, Microcontroller Power Supply, Voltage Reference | |||
MCP1701A_Typical ApplicationTypical Application for MCP1701A 2 uA Low-Dropout Positive Voltage Regulator |
Microchip Technology | Power Supplies | Personal Digital Assistant, Consumer Electronics, Pager, Solar Power, Smoke Detector, Li-Ion Battery Pack, CO2 Sensor, Battery Powered Instrument, Alarm System, Portable Video Player, Cameras, Battery-Operated Devices, Microcontroller Power Supply, Voltage Reference | |||
MCP1703_Typical ApplicationTypical Application for MCP1703 250 mA, 16V, Low Quiescent Current LDO Regulator |
Microchip Technology | Power Supplies | Consumer Electronics, Pager, Solar Power, Smoke Detector, Li-Ion Battery Pack, Data Logger, CO2 Sensor, Battery Powered Instrument, Alarm System, Battery-Operated Devices, Microcontroller Power Supply, Voltage Reference | |||
MCP1754S_Typical ApplicationTypical Application for MCP1754S 150 mA, 16V, High-Performance LDO |
Microchip Technology | Power Supplies | Personal Digital Assistant, Digital Camera, Consumer Electronics, Pager, Smoke Detector, Li-Ion Battery Pack, Data Logger, CO2 Sensor, Battery Powered Systems, Battery-Powered Devices, Microcontroller Power Supply | |||
MCP1703A_Typical ApplicationTypical Application for MCP1703A 250 mA, 16V, Low Quiescent Current LDO Regulator |
Microchip Technology | Power Supplies | Personal Digital Assistant, Digital Camera, Consumer Electronics, Pager, Solar Power, Smoke Detector, Li-Ion Battery Pack, CO2 Sensor, Battery Powered Instrument, Alarm System, Battery-Operated Devices, Microcontroller Power Supply, Voltage Reference | |||