Filters
| Description | Released By | For Application | For End Products | |||
|---|---|---|---|---|---|---|
AN9125V DC to DC Single Output Power Supply for Communications & Telecom |
Analog Devices | Power Supplies | Automotive and Transportation, Communications and Telecom, Industrial Control, Battery Management | |||
CN-0216 |
Analog Devices | Data Conversion | Battery Management, Weight Scale, Measurement Instruments, Transmitter, Portable Instrumentation | |||
AN1117 |
Analog Devices | Amplifiers and Comparators | Portable, Notebook, Laptop, Data Acquisition System, Industrial Control, Battery Management, Wireless Base Station, Wireless Infrastructure, Desktop Computer/Server, Electronic Meter, Automotive Sensor, Industrial Programmable Logic Controllers (PLCs) | |||
AN4543 |
Analog Devices | Amplifiers and Comparators | Battery Management | |||
AN869 |
Analog Devices | Data Conversion | Battery Management, Power Meter | |||
AN4268 |
Analog Devices | Amplifiers and Comparators | Cellular Phone, Smart Phone, Battery Management | |||
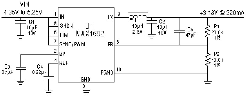
AN4793.18V DC to DC Single Output Power Supply for Cellular Phone |
Analog Devices | Power Supplies | Cellular Phone, Personal Digital Assistant, Notebook, Laptop, Battery Management, Cordless Phone | |||
AN945 |
Analog Devices | Power Supplies | Communications and Telecom, Battery Management, LCD TV, Flash Card Reader | |||
AN113DC to DC Single Output Power Supply for Communications & Telecom |
Analog Devices | Power Supplies | Notebook, Laptop, Communications and Telecom, Battery Management, Desktop PC, LCD TV | |||
LT1170_Typical ApplicationTypical Application for LT1170CQ, 5A External Current Limiter |
Analog Devices | Power Supplies | Battery Management, Local Logic Supplies, Op-Amp Supply, Power Inverter | |||
LT1170_Typical ApplicationTypical Application for LT1170IQ, 5A External Current Limiter |
Analog Devices | Power Supplies | Battery Management, Local Logic Supplies, Op-Amp Supply, Power Inverter | |||
LT1170_Typical ApplicationTypical Application for LT1170HVCQ, 5A External Current Limiter |
Analog Devices | Power Supplies | Battery Management, Local Logic Supplies, Op-Amp Supply, Power Inverter | |||
LT1170_Typical ApplicationTypical Application for LT1170CT, 5A External Current Limiter |
Analog Devices | Power Supplies | Battery Management, Local Logic Supplies, Op-Amp Supply, Power Inverter | |||
LT1170_Typical ApplicationTypical Application for LT1170IT, 5A External Current Limiter |
Analog Devices | Power Supplies | Battery Management, Local Logic Supplies, Op-Amp Supply, Power Inverter | |||
LT1170_Typical ApplicationTypical Application for LT1170HVCT, 5A External Current Limiter |
Analog Devices | Power Supplies | Battery Management, Local Logic Supplies, Op-Amp Supply, Power Inverter | |||
LT1026_Typical ApplicationTypical Application Circuit for LT1026CS8 Voltage Quadrupler |
Analog Devices | Power Supplies | Power Supplies, Battery Management, Line Driver | |||
LT1026_Typical ApplicationTypical Application Circuit for LT1026CN8 Voltage Quadrupler |
Analog Devices | Power Supplies | Power Supplies, Battery Management, Line Driver | |||
LT1026_Typical Application |
Analog Devices | Power Supplies | Power Supplies, Battery Management, Line Driver | |||
LT1026_Typical Application |
Analog Devices | Power Supplies | Power Supplies, Battery Management, Line Driver | |||
LT1026_Typical Application |
Analog Devices | Power Supplies | Power Supplies, Battery Management, Line Driver | |||