Filters
| Description | Released By | For Application | For End Products | |||
|---|---|---|---|---|---|---|
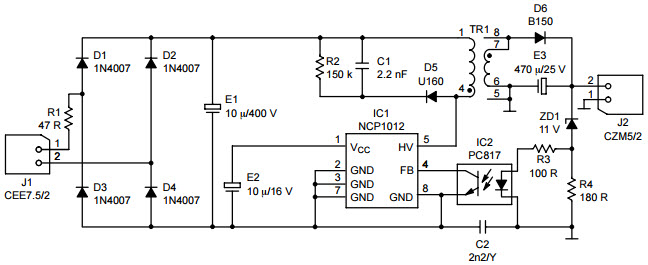
NCP1012APL130R_Typical ApplicationTypical Application for NCP1012 Self-Supplied Monolithic Switcher for Low Standby-Power Offline SMPS |
onsemi | Power Supplies | AC to DC Charger, Auxiliary Supplies | |||
NCP1012APL130R_Typical ApplicationTypical Application for NCP1014 Self-Supplied Monolithic Switcher for Low Standby-Power Offline SMPS |
onsemi | Power Supplies | AC to DC Charger, Auxiliary Supplies | |||
NCP1012APL130R_Typical ApplicationTypical Application for NCP1012 Based Flyback Converter Delivering 6.5W |
onsemi | Power Supplies | AC to DC Charger, Auxiliary Supplies | |||
NCP1012APL130R_Typical ApplicationTypical Application for NCP1014 Based Flyback Converter Delivering 6.5W |
onsemi | Power Supplies | AC to DC Charger, Auxiliary Supplies | |||
L6565_Typical ApplicationTypical Application for L6565 40W Wide Range Mains SMPS for inkjet printer |
STMicroelectronics | Power Supplies | Portable Consumer Electronics, Copier, Fax Machine, Adapter, AC to DC Charger, Compact SMPS, Scanners, Printers | |||
EVAL-STCH03-45W |
STMicroelectronics | Power Supplies | Battery Charger, AC to DC Charger, AC to DC Adaptor | |||
L6565_Typical ApplicationTypical Application for L6565 Enhanced turn-off for big MOSFET Driver |
STMicroelectronics | Power Supplies | Portable Consumer Electronics, Copier, Fax Machine, Adapter, AC to DC Charger, Compact SMPS, Scanners, Printers | |||
L6566BTR_Typical ApplicationTypical Low-Cost Application for L6566BTR Multi-Mode Controller for SMPS |
STMicroelectronics | Power Supplies | LCD Monitor, LCD TV, PDP TV, AC to DC Charger, IT Equipments, Digital Consumer | |||
L6565_Typical ApplicationTypical Application for L6565, 50W Wide Range Mains SMPS for TV Applications |
STMicroelectronics | Power Supplies | Portable Consumer Electronics, Copier, Fax Machine, Adapter, AC to DC Charger, Compact SMPS, Scanners, Printers | |||
L6566BTR_Typical Application |
STMicroelectronics | Power Supplies | LCD Monitor, LCD TV, PDP TV, AC to DC Charger, IT Equipments, Digital Consumer | |||
L6565_Typical ApplicationTypical Application for L6565 Low-consumption start-up circuit |
STMicroelectronics | Power Supplies | Portable Consumer Electronics, Copier, Fax Machine, Adapter, AC to DC Charger, Compact SMPS, Scanners, Printers | |||
L6566B_Typical ApplicationTypical Low-Cost Application for L6566B Multi-Mode Controller for SMPS |
STMicroelectronics | Power Supplies | LCD Monitor, LCD TV, PDP TV, AC to DC Charger, IT Equipments, Digital Consumer | |||
AR2003FV_Typical Application |
Diodes Incorporated | Power Supplies | Power Supplies, Desktop PC Power Supply, Adaptor AC to DC Supply, PoE Power Supply, Fly-Back Converter, AC to DC Charger, Compact SMPS | |||
AP3785TEV1AP3785TEV1, Evaluation Board based on Universal AC input, PSR & PFM AP3785T 5V-3A Type C |
Diodes Incorporated | Power Supplies | Home Appliances, Adaptor AC to DC Supply, AC to DC Charger | |||
EVAL40WFLYP7950VTOBO1 |
Infineon Technologies AG | Power Supplies | Adapter, AC to DC Charger | |||
L6565_Typical ApplicationTypical Application for L6565 Latched shut-down on overload or short circuit |
STMicroelectronics | Power Supplies | Portable Consumer Electronics, Copier, Fax Machine, Adapter, AC to DC Charger, Compact SMPS, Scanners, Printers | |||
L6565_Typical ApplicationTypical Application for L6565 Latched shut-down on feedback disconnection |
STMicroelectronics | Power Supplies | Portable Consumer Electronics, Copier, Fax Machine, Adapter, AC to DC Charger, Compact SMPS, Scanners, Printers | |||
L6565_Typical Application |
STMicroelectronics | Power Supplies | Portable Consumer Electronics, Copier, Fax Machine, Adapter, AC to DC Charger, Compact SMPS, Scanners, Printers | |||
L6565_Typical Application |
STMicroelectronics | Power Supplies | Portable Consumer Electronics, Copier, Fax Machine, Adapter, AC to DC Charger, Compact SMPS, Scanners, Printers | |||
L6565_Typical ApplicationTypical Application for L6565 Leading edge blanking circuit for enhanced primary regulation |
STMicroelectronics | Power Supplies | Portable Consumer Electronics, Copier, Fax Machine, Adapter, AC to DC Charger, Compact SMPS, Scanners, Printers | |||