Filters
| Description | Released By | For Application | For End Products | |||
|---|---|---|---|---|---|---|
A6213 EVB |
Allegro MicroSystems | Lighting | Illumination, Industrial LED Lighting, Multifunction Printer, Scanners | |||
A6211 EVB |
Allegro MicroSystems | Lighting | Illumination, Industrial LED Lighting, Multifunction Printer, Scanners | |||
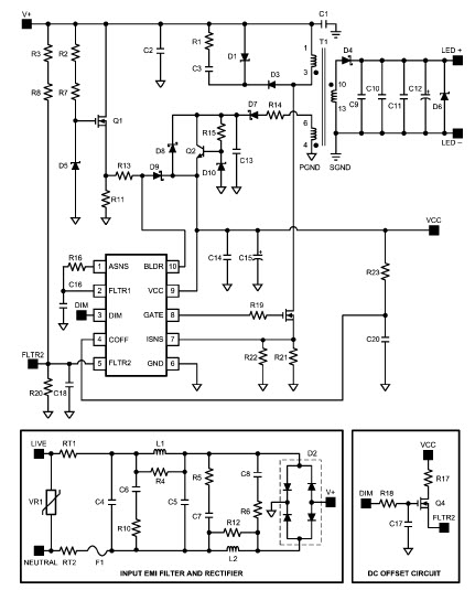
MAX16833EVKIT+MAX16833EVKIT+, Evaluation Kit for MAX16833 High Brightness LED Driver for Automotive Lighting |
Analog Devices | Lighting | Automotive Lighting, Industrial LED Lighting, Stadium Lighting, Front Lighting | |||
MAX16822BEVKIT+MAX16822BEVKIT+, Evaluation Kit for MAX16822 High Brightness LED Driver for Automotive Lighting |
Analog Devices | Lighting | Automotive Lighting, Industrial LED Lighting, Emergency LED lighting, Stadium Lighting, Heads-Up Display | |||
MAX16824EVKIT+ |
Analog Devices | Lighting | LCD Backlighting, Automotive Lighting, Industrial LED Lighting, Stadium Lighting, Indoor & Outdoor Lighting | |||
DC1542A |
Analog Devices | Lighting | Automotive and Transportation, LCD Backlighting, Industrial LED Lighting, Color Television, Patient Monitor | |||
DC1497A |
Analog Devices | Lighting | Automotive and Transportation, LCD Backlighting, Industrial LED Lighting, Color Television, Patient Monitor | |||
DC1205ALT3592 Demo Board, Step-Down 500mA LED Driver with 10:1 Dimming |
Analog Devices | Lighting | Automotive Lighting, Industrial LED Lighting | |||
MAX16826EVKIT+ |
Analog Devices | Lighting | LCD Monitor, LCD TV, Automotive Lighting, Industrial LED Lighting, Front Lighting | |||
AND8298/D |
onsemi | Lighting | Automotive Lighting, Industrial LED Lighting, Navigation System | |||
AND8197/D |
onsemi | Lighting | Portable, Automotive Lighting, Industrial LED Lighting | |||
AND8197/D |
onsemi | Lighting | Portable, Automotive Lighting, Industrial LED Lighting | |||
AND8234/D |
onsemi | Lighting | Portable, Automotive Lighting, Industrial LED Lighting | |||
AND8289/D |
onsemi | Lighting | Automotive Lighting, Industrial LED Lighting | |||
LM3405A-REFLM3405A-REF, LM3405A Reference Design for MR16 LED Bulb, 600mA |
Texas Instruments | Lighting | Flashlight, Industrial LED Lighting, High-Brightness LED Driver | |||
SNVA447B2069 LM3445 - 230VAC, 6W- 15W Isolated Flyback LED Driver Evaluation board |
Texas Instruments | Lighting | Industrial LED Lighting, Residential Lighting, Solid state lighting | |||
LM3409EVALLM3409EVAL, Demonstration Board showcases the LM3409 PFET controller for a buck current regulator |
Texas Instruments | Lighting | Automotive Lighting, Illumination, Industrial LED Lighting | |||
AN-1644 |
Texas Instruments | Lighting | Flashlight, Industrial LED Lighting | |||
LM3406HVEVALLM3406HVEVAL, Evaluation Board using LM3406HV buck regulator for a high brightness LED Driver |
Texas Instruments | Lighting | Automotive Lighting, Illumination, Industrial LED Lighting | |||
AN-1995Evaluation Board using LM3445 TRIAC dimmable Offline LED driver |
Texas Instruments | Lighting | Industrial LED Lighting, Residential Lighting, Solid state lighting | |||