|
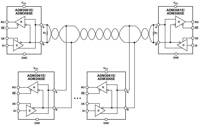
Typical Application Using ADM3066EBCPZ-R7 3 to 5.5 V, ±12 kV IEC ESD Protected, 50 Mbps RS-485 Transceiver
|
|
Analog Devices
|
Interface |
Process Control, Building Automation, Industrial Applications, Servo Motor Control, PROFIBUS Applications |
|
Typical Application Using ADM3065EARZ-R7 3 to 5.5 V, ±12 kV IEC ESD Protected, 50 Mbps RS-485 Transceiver
|
|
Analog Devices
|
Interface |
Process Control, Building Automation, Industrial Applications, Servo Motor Control, PROFIBUS Applications |
|
Typical Application Using ADM3062EACPZ-R7 3 to 5.5 V, ±12 kV IEC ESD Protected, 500 kbps RS-485 Transceiver
|
|
Analog Devices
|
Interface |
Process Control, Building Automation, Industrial Applications, Servo Motor Control, PROFIBUS Applications |
|
Typical Application Using ADM3061EBRMZ 3 to 5.5 V, ±12 kV IEC ESD Protected, 50 Mbps RS-485 Transceiver
|
|
Analog Devices
|
Interface |
Process Control, Building Automation, Industrial Applications, Servo Motor Control, PROFIBUS Applications |
|
Typical Application Using ADM3061EBRZ 3 to 5.5 V, ±12 kV IEC ESD Protected, 50 Mbps RS-485 Transceiver
|
|
Analog Devices
|
Interface |
Process Control, Building Automation, Industrial Applications, Servo Motor Control, PROFIBUS Applications |
|
EVAL-ADM3066EEBZ, Evaluation Board for Evaluating the ADM3066EBRMZ 3V to 5.5V, ±12 kV IEC ESD Protected, 50 Mbps RS-485 Transceiver
|
|
Analog Devices
|
Interface |
Process Control, Building Automation, Servo Motor Control, PROFIBUS Applications, Industrial Fieldbuses |
|
EVAL-ADM3066EEB1Z, Evaluation Board for Evaluating the ADM3066EBCPZ 3V to 5.5V, ±12 kV IEC ESD Protected, 50 Mbps RS-485 Transceiver
|
|
Analog Devices
|
Interface |
Process Control, Building Automation, Servo Motor Control, PROFIBUS Applications, Industrial Fieldbuses |
|
EVAL-ADM3095EEBZ, Certified Evaluation Board for the ADM3095E Level 4 EMC Protected RS-485 Transceiver with Full ±42 V Fault Protection
|
|
Analog Devices
|
Interface |
Process Control, Building Automation, PROFIBUS Applications |
|
EVAL-ADM3062EEB1Z, Evaluation Board for Evaluating the ADM3062E 3V to 5.5V, ±12 kV IEC ESD Protected, 500 kbps RS-485 Transceiver
|
|
Analog Devices
|
Interface |
Process Control, Building Automation, Servo Motor Control, PROFIBUS Applications, Industrial Fieldbuses |
|
EVAL-ADM3065EEBZ, Evaluation Board for Evaluating the ADM3065E 3V to 5.5V, ± 12 kV IEC ESD Protected, 50 Mbps RS-485 Transceiver
|
|
Analog Devices
|
Interface |
Process Control, Building Automation, Servo Motor Control, PROFIBUS Applications, Industrial Fieldbuses |
|
EVAL-ADM3065EEB1Z, Evaluation Board for Evaluating the ADM3065E 3V to 5.5V, ± 12 kV IEC ESD Protected, 50 Mbps RS-485 Transceiver
|
|
Analog Devices
|
Interface |
Process Control, Building Automation, Servo Motor Control, PROFIBUS Applications, Industrial Fieldbuses |
|
EVAL-ADM3067EEBZ, Evaluation Board for Evaluating the ADM3067E 3V to 5.5V, ±12 kV IEC ESD Protected, 50 Mbps, RS-485 Transceiver
|
|
Analog Devices
|
Interface |
Process Control, Building Automation, Servo Motor Control, PROFIBUS Applications, Industrial Fieldbuses |
|
EVAL-ADM3061EEBZ, Evaluation Board for Evaluating the ADM3061E 3V to 5.5V, ±12 kV IEC ESD Protected, 50 Mbps RS-485 Transceiver
|
|
Analog Devices
|
Interface |
Process Control, Building Automation, Servo Motor Control, PROFIBUS Applications, Industrial Fieldbuses |
|
EVAL-ADM3061EEB1Z, Evaluation Board for Evaluating the ADM3061E 3V to 5.5V, ±12 kV IEC ESD Protected, 50 Mbps RS-485 Transceiver
|
|
Analog Devices
|
Interface |
Process Control, Building Automation, Servo Motor Control, PROFIBUS Applications, Industrial Fieldbuses |
|
EVAL-ADM3062EEBZ, Evaluation Board for Evaluating the ADM3062E 3V to 5.5V, ±12 kV IEC ESD Protected, 500 kbps RS-485 Transceiver
|
|
Analog Devices
|
Interface |
Process Control, Building Automation, Servo Motor Control, PROFIBUS Applications, Industrial Fieldbuses |
|
Typical Application Using ADM3065EARMZ 3 to 5.5 V, ±12 kV IEC ESD Protected, 50 Mbps RS-485 Transceiver
|
|
Analog Devices
|
Interface |
Process Control, Building Automation, Industrial Applications, Servo Motor Control, PROFIBUS Applications |
|
Typical Application Using ADM3065EBRZ-R7 3 to 5.5 V, ±12 kV IEC ESD Protected, 50 Mbps RS-485 Transceiver
|
|
Analog Devices
|
Interface |
Process Control, Building Automation, Industrial Applications, Servo Motor Control, PROFIBUS Applications |
|
Typical Application Using ADM3065EBRZ 3 to 5.5 V, ±12 kV IEC ESD Protected, 50 Mbps RS-485 Transceiver
|
|
Analog Devices
|
Interface |
Process Control, Building Automation, Industrial Applications, Servo Motor Control, PROFIBUS Applications |
|
Typical Application Using ADM3065EARZ 3 to 5.5 V, ±12 kV IEC ESD Protected, 50 Mbps RS-485 Transceiver
|
|
Analog Devices
|
Interface |
Process Control, Building Automation, Industrial Applications, Servo Motor Control, PROFIBUS Applications |
|
Typical Application Using ADM3062EBRMZ-R7 3 to 5.5 V, ±12 kV IEC ESD Protected, 50 Mbps RS-485 Transceiver
|
|
Analog Devices
|
Interface |
Process Control, Building Automation, Industrial Applications, Servo Motor Control, PROFIBUS Applications |