DC2279A, Demo Board for LT3088EDD 800 mA Single Resistor Rugged Linear Regulator

Reference Design using part LT3088EDD#PBF by Analog Devices

Manufacturer

Analog Devices
  • Application Category
    Power Supplies
  • Product Type
    DC to DC Multi-Output Power Supplies

For End Products

  • Power Supplies

Description

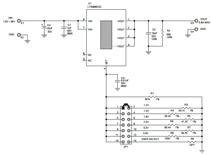
  • DC2279A, Demo Board for LT3088EDD 800 mA Single Resistor Rugged Linear Regulator. The DC2279A is a linear regulator evaluation board featuring the LT3088EDD, which is a 36VIN, 800mA, rugged single resistor programmable linear regulator. This LT3088 requires a single resistor to program output the voltage to any level between 0V and 34.5V if the load current is larger than 2mA. The demo circuit is configured for output voltages of 1.2V, 1.5V, 1.8V, 2.5V, 3.3V and 5V, and operates over an input voltage range of 1.6V to 36V

Key Features

  • Conversion Type
    DC to DC
  • Input Voltage
    1.6 to 36 V
  • Output Voltage
    1.2|1.5|1.8|2.5|3.3|5 V
  • Output Current
    0.8 A
  • Topology
    LDO

We've updated our privacy policy. Please take a moment to review these changes. By clicking I Agree to Arrow Electronics Terms Of Use  and have read and understand the Privacy Policy and Cookie Policy.

Our website places cookies on your device to improve your experience and to improve our site. Read more about the cookies we use and how to disable them here. Cookies and tracking technologies may be used for marketing purposes.
By clicking “Accept”, you are consenting to placement of cookies on your device and to our use of tracking technologies. Click “Read More” below for more information and instructions on how to disable cookies and tracking technologies. While acceptance of cookies and tracking technologies is voluntary, disabling them may result in the website not working properly, and certain advertisements may be less relevant to you.
We respect your privacy. Read our privacy policy here