DC2227A, IO-Link Device Reference Design includes LT3669-2 Temperature Sensor, Light Sensor, Incandescent Lamp and Device Protocol Stack for IO-Link v1.1

Reference Design using part LT3669HUFD-2 by Analog Devices

Manufacturer

Analog Devices
  • Application Category
    Interface
  • Product Type
    IO-Link Interface

Associated Documents

For End Products

  • Industrial Sensor
  • Sensor and Transducer

Description

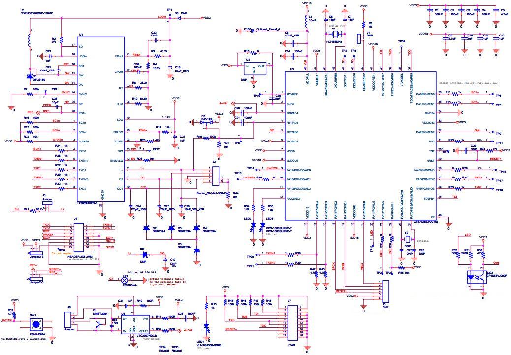
  • DC2227A, IO-Link Device Reference Design includes LT3669-2 Temperature Sensor, Light Sensor, Incandescent Lamp and Device Protocol Stack for IO-Link v1.1. IO-Link a new bi-directional, digital, point-to-point communication standard (IEC 61131-9) offers a standardized mapping of advanced sensor and actuator features into the automation tool environment. This technology leverages small but powerful Microprocessors being incorporated into sensors and actuators to improve control, parameterization and diagnostics. TE Concept has developed an IO-Link Device using LT3669-2 to implement the PHY and power conversion

Key Features

  • Interface Standards
    I/O
  • Input Voltage
    7.5 to 36 V
  • Functions
    Line Transceiver

We've updated our privacy policy. Please take a moment to review these changes. By clicking I Agree to Arrow Electronics Terms Of Use  and have read and understand the Privacy Policy and Cookie Policy.

Our website places cookies on your device to improve your experience and to improve our site. Read more about the cookies we use and how to disable them here. Cookies and tracking technologies may be used for marketing purposes.
By clicking “Accept”, you are consenting to placement of cookies on your device and to our use of tracking technologies. Click “Read More” below for more information and instructions on how to disable cookies and tracking technologies. While acceptance of cookies and tracking technologies is voluntary, disabling them may result in the website not working properly, and certain advertisements may be less relevant to you.
We respect your privacy. Read our privacy policy here