DC2122A, Demonstration Board using LTC3859ALEUHF Triple Output Synchronous Step-Up, Dual Step-Down Supply

Reference Design using part LTC3859ALEUHF by Analog Devices

Manufacturer

Analog Devices
  • Application Category
    Power Supplies
  • Product Type
    DC to DC Multi-Output Power Supplies

Associated Documents

For End Products

  • Automotive and Transportation
  • Backplane Distributed Power
  • Battery Charger
  • Buck-Boost Converter

Description

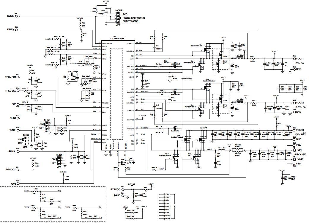
  • DC2122A, Demonstration Board using LTC3859ALEUHF Triple Output Synchronous Step-Up, Dual Step-Down Supply. This demonstration circuit is designed for two buck 5V/5A, 8.5V/3A outputs supplied by a boosted 10V/7A output. Benefiting from this feature, the buck outputs are able to maintain regulation over a wide input voltage range of 4.5V to 36V which is suitable for automotive or other battery fed applications

Key Features

  • Conversion Type
    DC to DC
  • Input Voltage
    4.5 to 36 V
  • Output Voltage
    5|8.5|10 V
  • Output Current
    3@8.5V|5@5V|7@10V A
  • Efficiency
    97.8 %
  • Topology
    Buck Boost

We've updated our privacy policy. Please take a moment to review these changes. By clicking I Agree to Arrow Electronics Terms Of Use  and have read and understand the Privacy Policy and Cookie Policy.

Our website places cookies on your device to improve your experience and to improve our site. Read more about the cookies we use and how to disable them here. Cookies and tracking technologies may be used for marketing purposes.
By clicking “Accept”, you are consenting to placement of cookies on your device and to our use of tracking technologies. Click “Read More” below for more information and instructions on how to disable cookies and tracking technologies. While acceptance of cookies and tracking technologies is voluntary, disabling them may result in the website not working properly, and certain advertisements may be less relevant to you.
We respect your privacy. Read our privacy policy here