CC2530-CC2591EM-RD, CC2530-CC2591EM Reference Design for the CC2530 RF Transceiver
Reference Design using part CC2530F by Texas Instruments
Associated Documents
For End Products
- Building Management
- Consumer Electronics
- Health System
- Home Appliances
- Lighting
- Remote Control
- System Monitoring and Control
- Wireless
- Wireless Sensor
Description
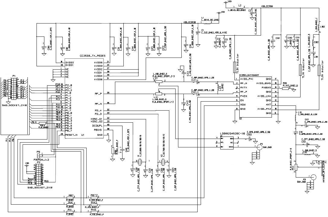
- CC2530-CC2591EM-RD, CC2530-CC2591EM Reference Design contains schematics and layout files for the CC2530-CC2591EM evaluation module used in the CC2530-CC2591EMK Evaluation Module Kit. The reference design demonstrates how to integrate CC2530/CC2531 and CC2591 and shows good techniques for decoupling and RF layout. for optimum RF performance, these parts should be copied accurately. This is a 4-layer reference design with both an SMA antenna connector for RF output matched to 50 ohm and an inverted-F PCB antenna
Key Features
-
Communication StandardRX/TX
Featured Parts (111)
| Part Number | Manufacturer | Type | Description | |||
|---|---|---|---|---|---|---|
|
|
MC-306 32.7680K-A0PURE SN | Seiko Epson Corporation | Crystals | Crystal 0.032768MHz ±20ppm (Tol) 12.5pF FUND 35000Ohm 4-Pin SMD T/R | Buy | |
|
|
MC-306 32.0000K-G: PURE SN | Seiko Epson Corporation | Crystals | Crystal 0.032MHz ±100ppm (Tol) 20pF FUND 35000Ohm 4-Pin SMD Bulk | Buy | |
|
|
MC306 40.0000KD-AG0PURESN | Seiko Epson Corporation | Crystals | Crystal 0.04MHz 7pF FUND 20000Ohm 4-Pin SMD T/R | Buy | |
|
|
MC-306 32.7680KF-W0: ROHS | Seiko Epson Corporation | Crystals | Crystal 0.032768MHz ±10ppm (Tol) 12pF FUND 50000Ohm 4-Pin SMD T/R | Buy | |
|
|
MC-306 32.7680KF-A0: ROHS | Seiko Epson Corporation | Crystals | Crystal 0.032768MHz ±10ppm (Tol) 12.5pF FUND 50000Ohm 4-Pin SMD T/R | Buy | |
|
|
Q13MC3061000600 | Seiko Epson Corporation | Crystals | Crystal 0.032768MHz ±20ppm (Tol) 6pF FUND 50000Ohm 4-Pin SMD T/R | Buy | |
|
|
MC-306 32.7680KE0:ROHS | Seiko Epson Corporation | Crystals | Crystal 0.032768MHz ±20ppm (Tol) 6pF FUND 50000Ohm 4-Pin SMD T/R | Buy | |
|
|
MC-306 32.7680K-A: ROHS | Seiko Epson Corporation | Crystals | Crystal 0.032768MHz ±20ppm (Tol) 12.5pF FUND 50000Ohm 4-Pin SMD Bulk | Buy | |
|
|
MC-306 32.7680K-EX ROHS | Seiko Epson Corporation | Crystals | Crystal 0.032768MHz ±20ppm (Tol) 6pF FUND 50000Ohm 4-Pin SMD Bulk | Buy | |
|
|
NX3225SA-12.000M-STD-CSR-3 | NIHON DEMPA KOGYO CO., LTD | Crystals | Crystal 12MHz ±15ppm (Tol) ±15ppm (Stability) 8pF FUND 100Ohm Automotive AEC-Q200 4-Pin SMD | Buy | |
|
|
NX3225SA12.000MSTDCSR6 | NIHON DEMPA KOGYO CO., LTD | Crystals | Crystal 12MHz ±15ppm (Tol) ±25ppm (Stability) 8pF FUND 100Ohm 4-Pin SMD Automotive AEC-Q200 | Buy | |
|
|
Q13MC3061000314 | Seiko Epson Corporation | Crystals | Crystal 0.032768MHz ±20ppm (Tol) 12.5pF FUND 50000Ohm 4-Pin SMD T/R | Buy | |