Filters
| Description | Released By | For Application | For End Products | |||
|---|---|---|---|---|---|---|
71M6515H-DB71M6515H-DB, Demo Board for 71M6515 Power Meter for Industrial |
Analog Devices | Measurement and Monitoring | Industrial | |||
71M652X71M652X, Power Meter Demo Board for standard capacitive power supply |
Analog Devices | Measurement and Monitoring | Industrial | |||
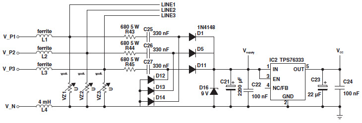
AN4889 |
Analog Devices | Measurement and Monitoring | Industrial | |||
STEVAL-IPP004V1STEVAL-IPP004V1, General Purpose PRIME Power Line Communication Module |
STMicroelectronics | Measurement and Monitoring | Metering, Building Automation, Street LED Lighting | |||
X-NUCLEO-PLM01A1X-NUCLEO-PLM01A1, Power Line Communication Expansion Board based on ST7580 for STM32 Nucleo |
STMicroelectronics | Measurement and Monitoring | Smart Home, IoT Applications | |||
TIDA-00229TIDA-00229, Self or Dual-Powered Supply for Protection Relay, MCCBs and ACBs Reference Design |
Texas Instruments | Measurement and Monitoring | Industrial, Glass Break Detector | |||
TIDA-00225 |
Texas Instruments | Measurement and Monitoring | Remote Control, Modems, Industrial Automation HMI, Power Line Communication, Solar Power Inverter, Flow Meter, Smart Electric Meter | |||
PMP9763PMP9763, Smart Meter Power Management Solution with Energy Buffering Reference Design |
Texas Instruments | Measurement and Monitoring | Gas Meter, Gas and Water Meter | |||
AN1212 |
Analog Devices | Measurement and Monitoring | Battery Management | |||
AN1160 |
Analog Devices | Measurement and Monitoring | Notebook, Laptop | |||
MAX79356SNF# |
Analog Devices | Measurement and Monitoring | Factory Automation, Renewable Energy, Home Energy, Smart Grid, Building Automation, Lighting Control, E-Vehicle Charging, Advanced Metering Infrastructure, Street Lighting Automation, Smart Metering | |||
MAX79356CAEVK1# |
Analog Devices | Measurement and Monitoring | Factory Automation, Renewable Energy, Home Energy, Smart Grid, Building Automation, Lighting Control, E-Vehicle Charging, Advanced Metering Infrastructure, Street Lighting Automation, Smart Metering | |||
AN159Measuring 2nV/Hz Noise and 120dB Supply Rejection on Linear Regulator |
Analog Devices | Measurement and Monitoring | Test and Measurement | |||
AN159Measuring 2nV/Hz Noise and 120dB Supply Rejection on Linear Regulators |
Analog Devices | Measurement and Monitoring | Test and Measurement | |||
AN-564 |
Analog Devices | Measurement and Monitoring | Industrial Process Measurement and Control | |||
AN-916Multifunction Power Meter Application Design Based on the ADE71xx/ADE75xx Family |
Analog Devices | Measurement and Monitoring | Industrial Process Measurement and Control | |||
PICREF-3PICREF-3 Watt-Hour Meter Reference Design Using PIC16C924 MCU |
Microchip Technology | Measurement and Monitoring | Industrial Process Measurement and Control | |||
AN220Watt-Hour Meter using PIC16C923 and CS5460 Application Circuit |
Microchip Technology | Measurement and Monitoring | Industrial Process Measurement and Control | |||
AN2799Measuring Mains Power Consumption with the STM32x and STPM01 Application Circuit |
STMicroelectronics | Measurement and Monitoring | Industrial Process Measurement and Control | |||
SLAA391 |
Texas Instruments | Measurement and Monitoring | Industrial Process Measurement and Control | |||