Filters
| Description | Released By | For Application | For End Products | |||
|---|---|---|---|---|---|---|
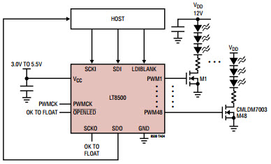
LT8500_Typical Application |
Analog Devices | Lighting | Industrial Control, Automatic Test Equipment, Robotics, LCD/OLED Display, Motor Control, Backlighting | |||
LT8500_Typical Application |
Analog Devices | Lighting | Industrial Control, Automatic Test Equipment, Robotics, LCD/OLED Display, Motor Control, Backlighting | |||
LT3003_Typical ApplicationTypical Application for LT3003 - 3-Channel LED Ballaster with PWM |
Analog Devices | Lighting | Automotive Lighting, LCD TFT Display, Video Camera, High-Power LED | |||
LT8500_Typical Application |
Analog Devices | Lighting | Industrial Control, Automatic Test Equipment, Robotics, LCD/OLED Display, Motor Control, Backlighting | |||
LT8500_Typical Application |
Analog Devices | Lighting | Industrial Control, Automatic Test Equipment, Robotics, LCD/OLED Display, Motor Control, Backlighting | |||
Lamp Ballast-RD |
TDK | Lighting | Street LED Lighting | |||
FEBFLS2100XS1CH_L12U160A |
onsemi | Lighting | Lighting, Low-Power Applications, High-Power Applications | |||
NCV7430_Typical ApplicationTypical Application Circuit for NCV7430 Automotive Lin Rgb LED Driver with Ballast Transistor |
onsemi | Lighting | Multicolor LED Lighting | |||
NCV7430_Typical ApplicationTypical Application Circuit for NCV7430 Automotive Lin Rgb LED Driver with Ballast Transistor |
onsemi | Lighting | Multicolor LED Lighting | |||
DN06040/D |
onsemi | Lighting | Solid state lighting | |||
FEBFL6961_L10U030AFEBFL6961_L10U030A, Evaluation Kit based on FL6961 30 W LED Driver at Universal Line |
onsemi | Lighting | LED Lighting | |||
AN271115W, 16-LEDs Dimming LED Driver for Fluorescent Lamp Ballast |
STMicroelectronics | Lighting | Fluorescent Lamp Ballast, Fluorescent Dimming | |||