AN10447 Application Circuit based on the PN532 RF Amplifier Chip

Reference Design using part PN532 by NXP Semiconductors

Manufacturer

NXP Semiconductors
  • Application Category
    Wireless Communication
  • Product Type
    Wireless Systems

For End Products

  • Cellular Phone
  • Consumer Electronics
  • Desktop PC
  • IP Phone
  • Smart Phone

Description

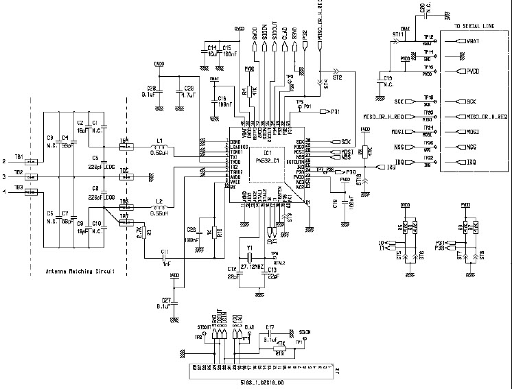
  • AN10447 Application Circuit based on the PN532 RF Amplifier Chip. The PCB1647-1 is a reference design for PN532 IC. The interface with the host controller is a high speed UART (HSU)

We've updated our privacy policy. Please take a moment to review these changes. By clicking I Agree to Arrow Electronics Terms Of Use  and have read and understand the Privacy Policy and Cookie Policy.

Our website places cookies on your device to improve your experience and to improve our site. Read more about the cookies we use and how to disable them here. Cookies and tracking technologies may be used for marketing purposes.
By clicking “Accept”, you are consenting to placement of cookies on your device and to our use of tracking technologies. Click “Read More” below for more information and instructions on how to disable cookies and tracking technologies. While acceptance of cookies and tracking technologies is voluntary, disabling them may result in the website not working properly, and certain advertisements may be less relevant to you.
We respect your privacy. Read our privacy policy here