24-Bit, 240SPS, 4CH ADC for Instrumentation
Reference Design using part ADS1224IPW by Texas Instruments
Associated Documents
For End Products
- Industrial Control
- Instrumentation and Measurement
- Portable Medical Instrumentation
- Weight Scale
Description
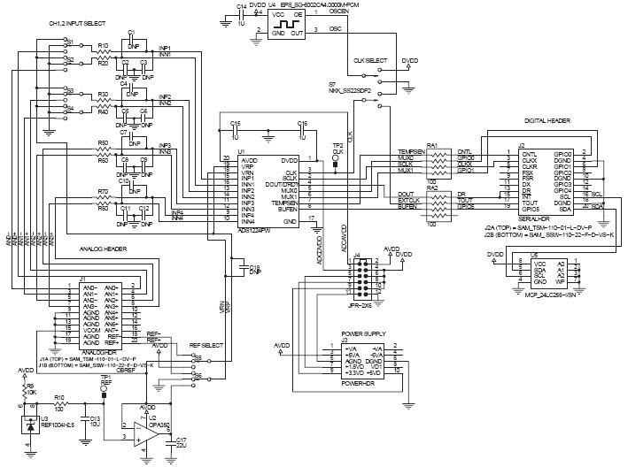
- ADS1224EVM is an evaluation fixture for ADS1224 24-bit delta-sigma analog-to-digital converter. ADS1224EVM is designed for prototyping and evaluation
Key Features
-
ADC Resolution24 Bit
-
ADC Sampling Rate240 SPS
-
Number of Channels4CH
Featured Parts (17)
| Part Number | Manufacturer | Type | Description | |||
|---|---|---|---|---|---|---|
|
|
OPA350UA/2K5 | Texas Instruments | Operational Amplifiers - Op Amps | Op Amp Single Precision Amplifier R-R I/O ±2.75V/5.5V 8-Pin SOIC T/R | Buy | |
|
|
OPA350UAG4 | Texas Instruments | Operational Amplifiers - Op Amps | Op Amp Single Precision Amplifier R-R I/O ±2.75V/5.5V 8-Pin SOIC Tube | Buy | |
|
|
OPA350UA/2K5G4 | Texas Instruments | Operational Amplifiers - Op Amps | Op Amp Single Precision Amplifier R-R I/O ±2.75V/5.5V 8-Pin SOIC T/R | Buy | |
|
|
REF1004I-2.5 | Texas Instruments | Voltage References | V-Ref Precision 2.5V 20mA 8-Pin SOIC Tube | Buy | |
|
|
REF1004I-2.5/2K5 | Texas Instruments | Voltage References | V-Ref Precision 2.5V 20mA 8-Pin SOIC T/R | Buy | |
|
|
OPA350UA/2K5 | Texas Instruments | Operational Amplifiers - Op Amps | Op Amp Single Precision Amplifier R-R I/O ±2.75V/5.5V 8-Pin SOIC T/R | Buy | |
|
|
OPA350UA/2K5G4 | Texas Instruments | Operational Amplifiers - Op Amps | Op Amp Single Precision Amplifier R-R I/O ±2.75V/5.5V 8-Pin SOIC T/R | Buy | |
|
|
SS14MDP2 | NKK Switches | Switch Slide | Switch Slide ON ON ON SP3T Top Slide 0.1A 30VDC 10000Cycles PC Pins Thru-Hole | Buy | |
|
|
REF1004I-2.5/2K5 | Texas Instruments | Voltage References | V-Ref Precision 2.5V 20mA 8-Pin SOIC T/R | Buy | |
|
|
OPA350UA | Texas Instruments | Operational Amplifiers - Op Amps | Op Amp Single Precision Amplifier R-R I/O ±2.75V/5.5V 8-Pin SOIC Tube | Buy | |
|
|
24LC256-I/SN | Microchip Technology | EEPROM | EEPROM Serial-I2C 256K-bit 32K x 8 3.3V/5V 8-Pin SOIC N Tube | Buy | |
|
|
SS22SDP2 | NKK Switches | Switch Slide | Switch Slide ON None ON DPDT Top Slide 0.1A 30VDC 10000Cycles PC Pins Thru-Hole | Buy | |