새로운 arrow.com을 이용하고 계십니다. 언제든지 기존 사이트로 돌아갈 수 있습니다.  기존 사이트로 돌아가기

Arrow Electronic Components Online

3상 변압기: 구조 및 구성

트랜스포머29 8월 2024
다채로운 석양 하늘을 배경으로 여러 전력 송전탑의 실루엣이 돋보이는 아름다운 풍경
모든 기사 보기

물, 하수도 및 기타 서비스와 함께 전력은 선진 세계에서 가장 중요한 공공 서비스 중 하나입니다. 사용되는 장소에 따라 전력은 다양한 전압으로 제공될 수 있습니다. 두 시스템 간의 전력을 감압(또는 증압)하는 핵심 요소는 무엇일까요? 바로 변압기입니다. 이 Bel의 기사에서는 3상 변압기의 네 가지 주요 권선 구성의 장단점을 탐구합니다.

변압기는 전자기 유도를 통해 동일한 주파수에서 회로 간 전력을 변환하며, 일반적으로 전압과 전류 값을 변경하는 전기 장치입니다. 모든 전력은 3상 형식으로 생성되기 때문에, 3상 변압기는 장거리 전력 분배, 지역 그리드, 로컬 그리드, 산업 및 업무 시설에서 중요한 역할을 합니다.

3상 변압기 권선 구성

3상 전력 변압기는 단일 코어에 세 개의 단상 변압기를 감아 구성됩니다. 구리와 철심을 더 효과적으로 활용하기 때문에 일정한 볼트-암페어(VA) 용량에서 3상 변압기는 세 개의 개별 단상 변압기보다 크기가 작고, 비용 효율적이며, 더 가볍습니다.

Illustration of an electrical transformer showing primary and secondary windings around a core.

그림 1: 일반적인 물리적 접촉 플러그 및 리셉터클 커넥터.

3상 변압기는 일반적으로 최소 6개의 권선을 가지고 있습니다 - 3개의 1차 권선과 3개의 2차 권선. 1차 권선과 2차 권선은 다양한 요구를 충족하기 위해 서로 다른 방식으로 연결될 수 있습니다. 일반적인 응용에서 권선은 일반적으로 두 가지 인기 있는 연결 방식 중 하나로 연결됩니다: 델타(Δ) 또는 와이(Y).

델타 연결

델타 결선에서는 세 개의 상이 있고 중성이 없습니다. 출력 델타 결선은 3상 부하만 공급할 수 있습니다. 선간 전압(VL)은 공급 전압과 동일합니다. 상 전류(IAB = IBC = ICA)는 선 전류(IA = IB = IC)를 √3(1.73)으로 나눈 값과 동일합니다. 변압기의 2차가 크고 불평형 부하에 연결되었을 때, 델타 1차 결선은 입력 전력원에 대해 더 나은 전류 균형을 제공합니다.

Arrow 3 Phase Transformers Construction and Configurations Article Content Image Electrical Circuit Diagram with Labeled Currents

그림 2: "델타" 연결 배선도.

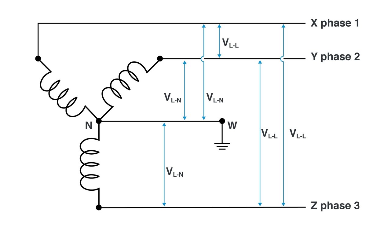
와이 연결

와이(wye) 연결에서는 3상(phase)과 중성선(N) – 총 4개의 선이 있습니다. 와이 연결의 출력은 변압기가 3상 전압(상-상 전압)을 공급할 수 있도록 하며, 단상 부하를 위한 전압, 즉 각 상과 중성선 간의 전압도 제공합니다. 중성점은 필요 시 추가적인 안전을 위해 접지할 수도 있습니다: VL-L = √3 x VL-N.

A detailed electrical circuit diagram showcasing a three-phase system with labeled voltage measurements.

그림 3: "와이" 연결 개요도.

네 가지 주요 권선 구성

3상 변압기는 네 가지 일반적인 구성으로 연결될 수 있습니다: 델타-델타, 와이-와이, 델타-와이, 와이-델타. 각각의 구성은 1차 및 2차 권선 연결 방식에 따라 구별되며, 특정한 장점과 단점을 가지고 있어 이러한 변압기의 성능 및 적용 적합성에 영향을 미칩니다.

1. 델타 / 델타 (D/D)

D/d 장점

델타-델타 변압기(D/d로 표시)는 기본 및 2차 권선이 모두 델타 연결 방식으로 구성됩니다. 이 구성은 여러 가지 이점을 제공합니다. 세 개의 코일 중 하나가 고장이 나거나 작동이 중지되더라도, 나머지 두 개의 손상되지 않은 코일은 여전히 원래 변압기의 출력의 약 2/3에 해당하는 용량으로 3상 전력을 공급할 수 있습니다.
 
변압기의 2차가 크고 불균형한 부하에 연결된 경우, 델타 기본 권선은 입력 전력원에 대해 더 나은 전류 균형을 제공하는 데 뛰어납니다.
 
주요 장점 중 하나는 기본 및 2차 권선 간에 어떤 위상 차도 발생하지 않아 원활한 전력 전달을 보장한다는 점입니다. 이 구성은 저전압 및 고전류 전력 송신을 포함하거나 특히 위상 장애가 발생했을 때 서비스 연속성을 유지해야 하는 응용 프로그램에서 선호됩니다.

D/d 단점

이 구성에서는 몇 가지 특성이 3상 변압기의 설계와 기능에 영향을 미칩니다. 1차 및 2차 권선의 높은 권선 수는 더 크고 더 비싼 코일을 초래합니다. 이러한 설계는 추가적인 권선 간 및 층 간 절연을 필요로 합니다. 더 얇은 게이지의 자선(마그넷 와이어)을 사용하는 것은 파운드당 비용을 증가시키며, 특히 이 구성은 중성선 연결을 포함하고 있지 않습니다.

2. 델타 / 와이 (D/Y)

D/y 장점

주된 델타와 보조 와이(D/y) 구성은 발전 유틸리티에 균형잡힌 3선식 부하를 제공할 수 있는 능력으로 두드러지며, 다양한 애플리케이션을 원활하게 지원합니다. 이 구성은 상업, 산업, 고밀도 주거 섹터에 전력을 공급하기 위해 자주 선택됩니다.   이 설정은 3상 및 단상 부하를 모두 공급할 수 있으며, 소스에 중성선이 없는 경우에도 공통 출력 중성선을 생성할 수 있습니다. 또한, 선로의 잡음(고조파)을 보조 측으로 효과적으로 억제합니다.

D/y 단점

세 개의 코일 중 하나가 고장이 나거나 작동하지 않을 경우, 전체 그룹의 기능이 위태로워질 수 있으며, 1차 권선과 2차 권선 사이의 30도 위상 변환은 직류 회로에서 더 큰 리플을 초래할 수 있습니다.

3. 와이 / 델타 (Y/D)

Y/d 장점

Y/d 구성은 고전압 입력을 활용하여 개별 코일에 걸리는 전압을 √3 비율로 줄임으로써 권선 수를 줄이고 절연을 감소시킵니다. 이 설계는 주로 송전선의 끝에서 사용되는 강압 변압기로 사용할 수 있습니다. 또한 전원 측에 접지선(중성선)이 포함됩니다.

Y/d 단점

Y/d는 D/y 구성과 동일한 잠재적 단점을 공유합니다. 단일 코일이 고장날 경우 전체 그룹 기능이 비활성화될 수 있으며, 기본 권선과 2차 권선 간에 30도 위상 이동을 도입하면 D.C. 회로에서 리플이 증가할 수 있습니다.

4. 와이 / 와이 (Y/Y)

Y/y 장점

일반적인 4가지 3상 변압기 구성 중에서 Y/y 설정은 가장 비용 효율적인 선택으로, 1차 권선과 2차 권선 사이에 위상 변화 없이 원활한 전력 전달을 제공합니다. 접지(중성선) 전선은 1차 측과 2차 측 모두에서 사용할 수 있어 3상 부하와 단상 부하 모두에 전력을 공급할 수 있는 유연성을 제공합니다.

Y/y 단점

최적의 성능을 보장하기 위해, 단상 부하는 이 구성 내에서 최대한 균형을 맞추어야 합니다. Y/y 설정은 전원과 부하 간의 노이즈 전달에 더 민감할 수 있다는 점을 유의해야 합니다.

건식 및 액체 충전 변압기

전력 및 전압 수준에 따라 3상 변압기는 두 가지 주요 범주로 나눌 수 있습니다: 공기를 냉각 매체로 사용하는 건식 변압기와 오일을 냉각 매체로 사용하는 액체 충전식 변압기.

건식 변압기: 오픈 프레임 또는 캐스트 수지 코일

건식 변압기에는 두 가지 주요 범주가 있습니다:

  1. 오픈 프레임은 최대 1000V 전압 및 최대 500 kVA 전력을 지원하는 전기 등급을 갖춘 인클로저 설치용 노출된 수지 함침 코어 및 코일을 특징으로 합니다.
  2. Cast-Raisin 코일은 각 코일이 에폭시 몰드로 견고하게 주조되어 전압 – 최대 36.0 kV 및 전력 – 최대 40 MVA의 전기 조건을 충족합니다.

액체 충진 변압기

액체 충전 변압기는 일반적으로 진공 밀봉된 금속 용기 내부에 특수 광유로 완전히 침지되어 있으며, 전기 등급은 전압 – 6.0 kV에서 1,500 kV까지, 전력 – 최대 1000+ MVA입니다.

Three industrial transformers are displayed against a white background.

이미지 1: 변압기의 종류.

최적의 오픈 프레임 변압기 구성

여건이 허락된다면, 개방형 프레임 변압기의 경우 대부분의 산업에서는 전력 분배 애플리케이션에서 3상 변압기를 연결할 때 델타 입력과 와이 출력 방식을 선호합니다.   델타 구성에서 가장 일반적인 입력 전압은 600V, 480V, 415V, 400V, 230V, 208V입니다. 한편, 와이 구성에서 가장 일반적인 출력 전압은 다음과 같습니다: 캐나다에서는 600V (L-L) 및 347V (L-N). 미국의 대형 산업 부하에서는 480V (L-L) 및 277V (L-N)를 제공합니다. 미국의 소규모 산업, 상업 및 주거 부하의 경우 출력 전압은 208V (L-L) 및 120V (L-N)입니다.   Signal Transformer Co.는 이 분야에서 두각을 나타내는 주요 제조업체로, 건식 개방형 프레임 3상 변압기 생산을 전문으로 합니다. 50년이 넘는 변압기, 초크, 인덕터 및 맞춤형 또는 표준 제품 수정 경험을 바탕으로, Signal Transformer는 비용 효율적이고 전문화된 플랫폼 설계 및 제조에 탁월합니다.

기사 태그

글로벌
기사
Bel Power Solutions
변압기
에너지 관리
Signal Transformer

관련 콘텐츠