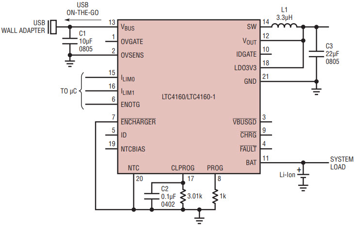
Typical Application Using LTC4160EUDC Low Component Count Switching Battery Charger with USB On-The-Go

Diseño de referencia usando la pieza LTC4160EUDC de Analog Devices

Fabricante

Analog Devices
  • Categoría de aplicaciones
    Administración de la batería
  • Tipo de producto
    Cargador de baterías

Para productos finales

  • Digital Camera
  • Personal Digital Assistant
  • Portable Media Player
  • Portable Navigation System
  • Smart Phone

Descripción

  • Typical Application for the LTC4160EUDC Low Component Count Switching Battery Charger with USB On-The-Go. The LTC4160 is a high efficiency power management and Li-Ion/Polymer battery charger ICs. They each include a bidirectional switching PowerPath controller with automatic load prioritization, a battery charger and an ideal diode

Características clave

  • Battery Type
    Lithium-Ion|Lithium-Polymer
  • Output Voltage
    4.2 V
  • Number of Battery Cells
    1

Hemos actualizado nuestra política de privacidad. Por favor tome un momento para revisar estos cambios. Al hacer clic en Acepto, usted está de acuerdo con la Politica de Privacidad de Arrow Electronics y sus condiciones de uso.

Nuestro sitio Web coloca cookies en su dispositivo para mejorar su experiencia y nuestro sitio. Lea más sobre las cookies que utilizamos y cómo desactivarlas aquió. Es posible que se utilicen las cookies y tecnologías de seguimiento con fines de marketing.
Al hacer clic en "Aceptar", usted está consintiendo la colocación de cookies en su dispositivo y el uso de tecnologías de seguimiento. Haga clic en "Leer más" a continuación para obtener más información e instrucciones sobre cómo desactivar las cookies y tecnologías de seguimiento. Si bien la aceptación de cookies y tecnologías de seguimiento es voluntaria, la desactivación de estos puede resultar en que el sitio web no funcione correctamente, y es posible que ciertos anuncios sean menos relevantes para usted.
Respetamos su privacidad. Lea nuestra política de privacidad aquió