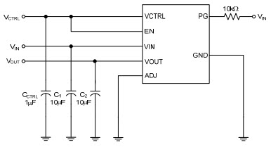
Typical Application of AP2132B for Fixed Version for AP2132B 2A CMOS LDO REGULATOR

Diseño de referencia usando la pieza AP2132B de Diodes Incorporated

Fabricante

Diodes Incorporated
  • Categoría de aplicaciones
    Suministros de energía
  • Tipo de producto
    Suministros de energía una sola salida de CC a CC

Para productos finales

  • Notebook

Descripción

  • Typical Application of AP2132B for Fixed Version for AP2132B 2A CMOS LDO REGULATOR. The AP2132B series are positive voltage regulator ICs fabricated by CMOS process. The ICs consist of a voltage reference, an error amplifier, a power transistor, a resistor network for setting output voltage, a current limit circuit for current protection, and a chip enable circuit

Características clave

  • Conversion Type
    DC to DC
  • Topology
    LDO

Hemos actualizado nuestra política de privacidad. Por favor tome un momento para revisar estos cambios. Al hacer clic en Acepto, usted está de acuerdo con la Politica de Privacidad de Arrow Electronics y sus condiciones de uso.

Nuestro sitio Web coloca cookies en su dispositivo para mejorar su experiencia y nuestro sitio. Lea más sobre las cookies que utilizamos y cómo desactivarlas aquió. Es posible que se utilicen las cookies y tecnologías de seguimiento con fines de marketing.
Al hacer clic en "Aceptar", usted está consintiendo la colocación de cookies en su dispositivo y el uso de tecnologías de seguimiento. Haga clic en "Leer más" a continuación para obtener más información e instrucciones sobre cómo desactivar las cookies y tecnologías de seguimiento. Si bien la aceptación de cookies y tecnologías de seguimiento es voluntaria, la desactivación de estos puede resultar en que el sitio web no funcione correctamente, y es posible que ciertos anuncios sean menos relevantes para usted.
Respetamos su privacidad. Lea nuestra política de privacidad aquió