TIDA-00292, Biometric Steering Wheel Reference Design
Diseño de referencia usando la pieza AFE4300PNR de Texas Instruments
Documentos asociados
Para productos finales
- Bluetooth
- Smart Phone
- Tablet
Descripción
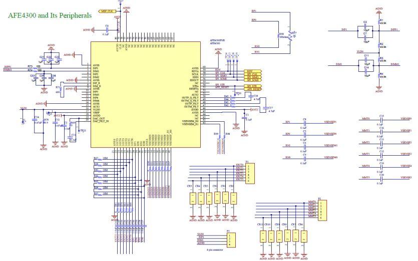
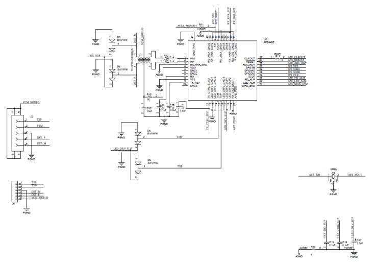
- TIDA-00292, Biometric Steering Wheel Reference Design. This reference design is for a concept demonstration of how a driver's pulse rate, respiration rate, and ECG based heart rate can be obtained from a vehicle steering wheel. AFE4400 and AFE4300 from biometric family of analog front-ends (AFE), enables acquisition of all three parameters via simple hand contacts on the steering wheel. This reference design also includes a full BLE connectivity design for easy interface to BLE enabled SmartPhones, tablets, etc
Piezas destacadas (30)
| Número de pieza | Fabricante | Tipo | Descripción | |||
|---|---|---|---|---|---|---|
|
|
TPS735285DRVT | Texas Instruments | Linear Regulators | LDO Regulator Pos 2.85V 0.5A 6-Pin WSON EP T/R | AÑADIR AL CARRITO | |
|
|
TPS2115ADRBR | Texas Instruments | Power Muxes | Pwr Mux Autoswitch 1.5V to 5.5V 2A 8-Pin VSON EP T/R | AÑADIR AL CARRITO | |
|
|
TPS73633DRBT | Texas Instruments | Linear Regulators | LDO Regulator Pos 3.3V 0.4A 8-Pin VSON EP T/R | AÑADIR AL CARRITO | |
|
|
TPS61093DSKR | Texas Instruments | DC to DC Converter and Switching Regulator Chip | Conv DC-DC 1.6V to 6V Step Up Single-Out 1.6V to 17V 0.3A 10-Pin WSON EP T/R | AÑADIR AL CARRITO | |
|
|
AFE4400RHAT | Texas Instruments | Analog Front End - AFE | AFE General Purpose 1 ADC 22bit 40-Pin VQFN EP T/R | AÑADIR AL CARRITO | |
|
|
BQ27425YZFT-G1 | Texas Instruments | Battery Management ICs | Fuel Gauge Li-Ion/Li-Pol 15-Pin DSBGA T/R | AÑADIR AL CARRITO | |
|
|
BQ27425YZFT-G2A | Texas Instruments | Battery Management ICs | Fuel Gauge Li-Ion/Li-Pol 15-Pin DSBGA T/R | AÑADIR AL CARRITO | |
|
|
TPS7A4901DGNR | Texas Instruments | Linear Regulators | LDO Regulator Pos 1.194V to 33V 0.15A 8-Pin HVSSOP EP T/R | AÑADIR AL CARRITO | |
|
|
TPS2115ADRBT | Texas Instruments | Power Muxes | Pwr Mux Autoswitch 1.5V to 5.5V 2A 8-Pin VSON EP T/R | AÑADIR AL CARRITO | |
|
|
BQ24072RGTR | Texas Instruments | Battery Management ICs | Linear Battery Charger Li-Ion/Li-Pol 1500mA 4.2V 16-Pin VQFN EP T/R | AÑADIR AL CARRITO | |
|
|
TPS61093DSKT | Texas Instruments | DC to DC Converter and Switching Regulator Chip | Conv DC-DC 1.6V to 6V Step Up Single-Out 1.6V to 17V 0.3A 10-Pin WSON EP T/R | AÑADIR AL CARRITO | |
|
|
LTC2951CDDB-1#TRMPBF | Analog Devices | Power Supply Controllers and Monitors | Processor Supervisor 0.8V 1 8-Pin DFN EP T/R | AÑADIR AL CARRITO | |