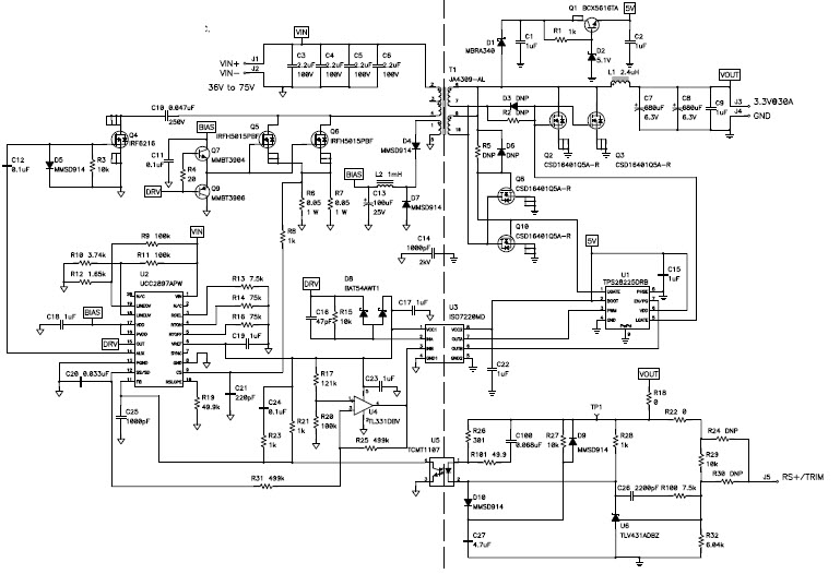
PMP5997, 48V Input 3.3V/30A with Output Pre-bias
Diseño de referencia usando la pieza UCC2897APW de Texas Instruments
Para productos finales
- Communications and Telecom
Descripción
- PMP5997, 48V Input 3.3V/30A with Output Pre-bias. Reference design generates a 3.3V/100W output from a standard 48V telecom input and allows for a pre-biased output. The UCC2897A controls operation of the active clamp power stage. The drive signal for the synchronous rectifiers is sent to the secondary side through an ISO7220 digital isolator. This drive signal is blanked out during startup to allow for a pre-biased output. This design achieves efficiencies over 92% and is built on a standard brick footprint
Características clave
-
Conversion TypeDC to DC
-
Input Voltage36 to 72 V
-
Output Voltage3.3 V
-
Output Current30 A
-
Output Power99 W
-
TopologyForward- Active Clamp|Forward- Synchronous
Piezas destacadas (13)
| Número de pieza | Fabricante | Tipo | Descripción | |||
|---|---|---|---|---|---|---|
|
|
ISO7220ADR | Texas Instruments | Digital Isolators | Digital Isolator CMOS 2-CH 1Mbps 8-Pin SOIC T/R | AÑADIR AL CARRITO | |
|
|
TLV431AIDBZR | Texas Instruments | Voltage References | V-Ref Adjustable 1.24V to 6V 15mA 3-Pin SOT-23 T/R | AÑADIR AL CARRITO | |
|
|
ISO7220ADRG4 | Texas Instruments | Digital Isolators | Digital Isolator CMOS 2-CH 1Mbps 8-Pin SOIC T/R | AÑADIR AL CARRITO | |
|
|
TL331IDBVRQ1 | Texas Instruments | Linear Comparators | Comparator Single R-R O/P ±18V/36V Automotive AEC-Q100 5-Pin SOT-23 T/R | AÑADIR AL CARRITO | |
|
|
TPS28225DRBR | Texas Instruments | Gate and Power Drivers | Driver 6A 2-OUT High Side/Low Side Half Brdg Inv/Non-Inv 8-Pin VSON EP T/R | AÑADIR AL CARRITO | |
|
|
TPS28225DRBT | Texas Instruments | Gate and Power Drivers | Driver 6A 2-OUT High Side/Low Side Half Brdg Inv/Non-Inv 8-Pin VSON EP T/R | AÑADIR AL CARRITO | |
|
|
TCMT1107 | Vishay | Transistor and Photovoltaic Output Photocouplers | Optocoupler DC-IN 1-CH Transistor DC-OUT 4-Pin SSOP T/R | AÑADIR AL CARRITO | |
|
|
TL331IDBVR | Texas Instruments | Linear Comparators | Comparator Single R-R O/P ±18V/36V 5-Pin SOT-23 T/R | AÑADIR AL CARRITO | |
|
|
TLV431AIDBZRG4 | Texas Instruments | Voltage References | V-Ref Adjustable 1.24V to 6V 15mA 3-Pin SOT-23 T/R | AÑADIR AL CARRITO | |
|
|
TL331IDBVT | Texas Instruments | Linear Comparators | Comparator Single R-R O/P ±18V/36V 5-Pin SOT-23 T/R | AÑADIR AL CARRITO | |
|
|
UCC2897APWR/1 | Texas Instruments | PWM and Resonant Controllers | Current Mode PWM Controller 2A 1000kHz 20-Pin TSSOP Tube | AÑADIR AL CARRITO | |
|
|
UCC2897APW | Texas Instruments | PWM and Resonant Controllers | Current Mode PWM Controller 2A 1000kHz 20-Pin TSSOP Tube | AÑADIR AL CARRITO | |