PMP5089, 85VAC-265VAC 12V/40W Output Green-mode Adaptor
Diseño de referencia usando la pieza UCC28600D de Texas Instruments
Documentos asociados
Para productos finales
- Consumer Electronics
Descripción
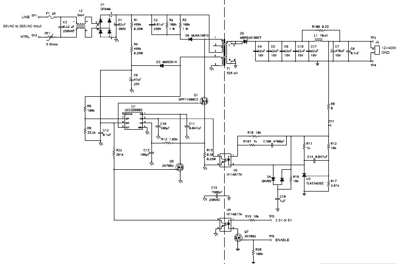
- PMP5089, 85VAC-265VAC 12V/40W Output Green-mode Adaptor. PMP5089 reference design uses the UCC28600 green-mode controller to generate a 12V/40W regulated output. The quasi-resonant switching of the UCC28600 allows this low-cost design to achieve a maximum load efficiency is over 87%, while the no load losses are less than 250mW
Características clave
-
Conversion TypeAC to DC
-
Input Voltage85 to 265 (AC) V
-
Output Voltage12 V
-
Output Current3.3 A
-
Output Power39.6 W
-
TopologyFlyback- Quasi Resonant|Flyback- DCM
Piezas destacadas (8)
Número de pieza | Fabricante | Tipo | Descripción | |||
---|---|---|---|---|---|---|
|
TL431AIDBZT | Texas Instruments | Voltage References | V-Ref Adjustable 2.495V to 36V 100mA 3-Pin SOT-23 T/R | AÑADIR AL CARRITO | |
|
TL431AIDBZRG4 | Texas Instruments | Voltage References | V-Ref Adjustable 2.495V to 36V 100mA 3-Pin SOT-23 T/R | AÑADIR AL CARRITO | |
|
TL431AIDBZR | Texas Instruments | Voltage References | V-Ref Adjustable 2.495V to 36V 100mA 3-Pin SOT-23 T/R | AÑADIR AL CARRITO | |
|
TL431AIDBZTG4 | Texas Instruments | Voltage References | V-Ref Adjustable 2.495V to 36V 100mA 3-Pin SOT-23 T/R | AÑADIR AL CARRITO | |
|
UCC28600D | Texas Instruments | AC to DC Switching Converters | AC to DC Switching Converter Flyback Tube 8-Pin SOIC | AÑADIR AL CARRITO | |
|
UCC28600DRG4 | Texas Instruments | AC to DC Switching Converters | AC to DC Switching Converter Flyback T/R 8-Pin SOIC | AÑADIR AL CARRITO | |
|
UCC28600DG4 | Texas Instruments | AC to DC Switching Converters | AC to DC Switching Converter Flyback Tube 8-Pin SOIC | AÑADIR AL CARRITO | |
|
UCC28600DR | Texas Instruments | AC to DC Switching Converters | AC to DC Switching Converter Flyback T/R 8-Pin SOIC | AÑADIR AL CARRITO |