PMP4362, 220VAC in 28W Non-Isolated T8 Tube LED Driver Solution Reference Design

Diseño de referencia usando la pieza TPS92314D de Texas Instruments

Fabricante

Texas Instruments
  • Categoría de aplicaciones
    Suministros de energía
  • Tipo de producto
    Suministros de energía de una sola salida de CA a CC

Para productos finales

  • Displays
  • LED Lighting

Descripción

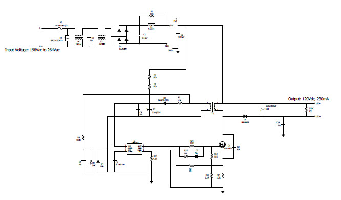
  • Reference design presents non-isolated LED driver solution for 28W T8 tube application. The valley switching mode controller TPS92314 is used to achieve high efficacy (>93%) over input range. Inherent PFC achieves high PF>0.92. The design includes EMI driver board and LED driver board. The overall size is around 100mmx16mmx14.5mm

Características clave

  • Conversion Type
    AC to DC
  • Input Voltage
    198 to 264 (AC) V
  • Output Voltage
    120 V
  • Output Current
    0.23 A
  • Output Power
    27 W
  • Topology
    Buck Boost

Hemos actualizado nuestra política de privacidad. Por favor tome un momento para revisar estos cambios. Al hacer clic en Acepto, usted está de acuerdo con la Politica de Privacidad de Arrow Electronics y sus condiciones de uso.

Nuestro sitio Web coloca cookies en su dispositivo para mejorar su experiencia y nuestro sitio. Lea más sobre las cookies que utilizamos y cómo desactivarlas aquió. Es posible que se utilicen las cookies y tecnologías de seguimiento con fines de marketing.
Al hacer clic en "Aceptar", usted está consintiendo la colocación de cookies en su dispositivo y el uso de tecnologías de seguimiento. Haga clic en "Leer más" a continuación para obtener más información e instrucciones sobre cómo desactivar las cookies y tecnologías de seguimiento. Si bien la aceptación de cookies y tecnologías de seguimiento es voluntaria, la desactivación de estos puede resultar en que el sitio web no funcione correctamente, y es posible que ciertos anuncios sean menos relevantes para usted.
Respetamos su privacidad. Lea nuestra política de privacidad aquió