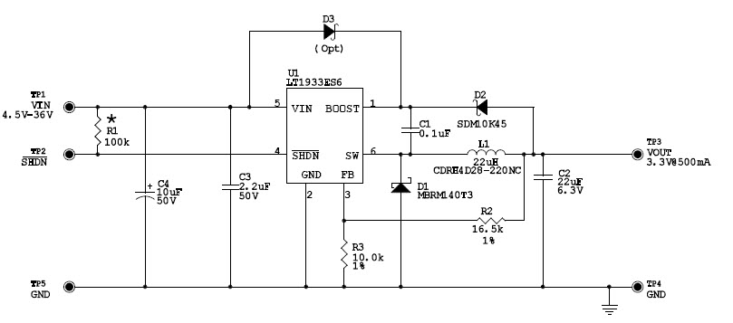
LT1933ES6 Demo Board, 36V 600mA 500kHz SOT-23 Step-Down Regulator, 4.5 to 36Vin, 3.3Vout @ 500mA
Diseño de referencia usando la pieza LT1933ES6 de Analog Devices
Documentos asociados
Para productos finales
- Automotive and Transportation
- Backplane Distributed Power
- Industrial Control
Descripción
- Demonstration circuit DC662A is a monolithic step-down DC/DC switching converter featuring the LT1933. The board is optimized for 3.3V output at up to 500mA load current for a steady state input voltage range of 4.5V to 36V
Características clave
-
Conversion TypeDC to DC
-
Input Voltage4.5 to 36 V
-
Output Voltage3.3 V
-
Output Current0.5 A
-
Efficiency84 %
-
TopologyBuck
Piezas destacadas (6)
| Número de pieza | Fabricante | Tipo | Descripción | |||
|---|---|---|---|---|---|---|
|
|
LT1933ES6#TRPBF | Analog Devices | DC to DC Converter and Switching Regulator Chip | Conv DC-DC 3.6V to 36V Step Down Single-Out 1.245V to 31.68V 1.05A 6-Pin TSOT-23 T/R | AÑADIR AL CARRITO | |
|
|
LT1933ES6#TRM | Analog Devices | DC to DC Converter and Switching Regulator Chip | Conv DC-DC 3.6V to 36V Step Down Single-Out 1.245V to 31.68V 1.05A 6-Pin TSOT-23 T/R | AÑADIR AL CARRITO | |
|
|
LT1933ES6#TR | Analog Devices | DC to DC Converter and Switching Regulator Chip | Conv DC-DC 3.6V to 36V Step Down Single-Out 1.245V to 31.68V 1.05A 6-Pin TSOT-23 T/R | AÑADIR AL CARRITO | |
|
|
LT1933ES6 | Analog Devices | DC to DC Converter and Switching Regulator Chip | Conv DC-DC 3.6V to 36V Step Down Single-Out 1.245V to 31.68V 1.05A 6-Pin TSOT-23 | AÑADIR AL CARRITO | |
|
|
LT1933ES6#TRMPBF | Analog Devices | DC to DC Converter and Switching Regulator Chip | Conv DC-DC 3.6V to 36V Step Down Single-Out 1.245V to 31.68V 1.05A 6-Pin TSOT-23 T/R | AÑADIR AL CARRITO | |
|
|
LT1933ES6#TRMPBF (CUT REEL) | Analog Devices | DC to DC Converter and Switching Regulator Chip | Conv DC-DC 3.6V to 36V Step Down Single-Out 1.245V to 31.68V 1.05A 6-Pin TSOT-23 T/R | AÑADIR AL CARRITO | |