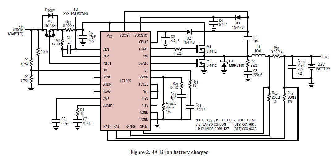
LT1505, 4A Li-Ion battery charger and wall adapters

Diseño de referencia usando la pieza LT1505 de Analog Devices

Fabricante

Analog Devices
  • Categoría de aplicaciones
    Administración de la batería
  • Tipo de producto
    Cargador de baterías

Para productos finales

  • Desktop PC
  • Laptop
  • Notebook
  • Telecom Power Supply

Descripción

  • LT1505, 4A Li-Ion battery charger and wall adapters. It achieves high efficiency thanks to synchronous operation and input power FET

Características clave

  • Battery Type
    Lithium-Ion
  • Input Voltage
    20 V
  • Output Voltage
    12.6 V
  • Number of Battery Cells
    3

Hemos actualizado nuestra política de privacidad. Por favor tome un momento para revisar estos cambios. Al hacer clic en Acepto, usted está de acuerdo con la Politica de Privacidad de Arrow Electronics y sus condiciones de uso.

Nuestro sitio Web coloca cookies en su dispositivo para mejorar su experiencia y nuestro sitio. Lea más sobre las cookies que utilizamos y cómo desactivarlas aquió. Es posible que se utilicen las cookies y tecnologías de seguimiento con fines de marketing.
Al hacer clic en "Aceptar", usted está consintiendo la colocación de cookies en su dispositivo y el uso de tecnologías de seguimiento. Haga clic en "Leer más" a continuación para obtener más información e instrucciones sobre cómo desactivar las cookies y tecnologías de seguimiento. Si bien la aceptación de cookies y tecnologías de seguimiento es voluntaria, la desactivación de estos puede resultar en que el sitio web no funcione correctamente, y es posible que ciertos anuncios sean menos relevantes para usted.
Respetamos su privacidad. Lea nuestra política de privacidad aquió