LP5560EVM, Evaluation Board for LP5560 Programmable LED Driver with Single-Wire Interface

Diseño de referencia usando la pieza LP5560TME de Texas Instruments

Fabricante

Texas Instruments
  • Categoría de aplicaciones
    Iluminación
  • Tipo de producto
    Controlador LED general

Para productos finales

  • Cellular Phone
  • Portable

Descripción

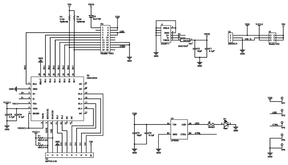
  • LP5560EVM, Evaluation Board for LP5560 a programmable LED driver that can generate a variety of blinking sequences with up to three pulses of different length per sequence. Blinking sequences can be programmed through a single-wire interface. Programmable parameters include on and off times as well as rise and fall times. A default sequence is programmed into LP5560 to enable use of the device in simple systems without programming capabilities. The LP5560 Evaluation Kit is based on a computer controlled system, where the actual LP5560 device is controlled and powered through the USB interface

Características clave

  • Input Voltage
    2.7 to 5.5 V
  • Number of Derived Elements
    1

Hemos actualizado nuestra política de privacidad. Por favor tome un momento para revisar estos cambios. Al hacer clic en Acepto, usted está de acuerdo con la Politica de Privacidad de Arrow Electronics y sus condiciones de uso.

Nuestro sitio Web coloca cookies en su dispositivo para mejorar su experiencia y nuestro sitio. Lea más sobre las cookies que utilizamos y cómo desactivarlas aquió. Es posible que se utilicen las cookies y tecnologías de seguimiento con fines de marketing.
Al hacer clic en "Aceptar", usted está consintiendo la colocación de cookies en su dispositivo y el uso de tecnologías de seguimiento. Haga clic en "Leer más" a continuación para obtener más información e instrucciones sobre cómo desactivar las cookies y tecnologías de seguimiento. Si bien la aceptación de cookies y tecnologías de seguimiento es voluntaria, la desactivación de estos puede resultar en que el sitio web no funcione correctamente, y es posible que ciertos anuncios sean menos relevantes para usted.
Respetamos su privacidad. Lea nuestra política de privacidad aquió