EVLSTNRG-1KW, Evaluation Board Using STNRG388A 1kW SMPS digitally controlled multiphase interleaved converter
Diseño de referencia usando la pieza STNRG388A de STMicroelectronics
Documentos asociados
Para productos finales
- Battery Charger
- Industrial Power Supply
- UPS Power Supply
Descripción
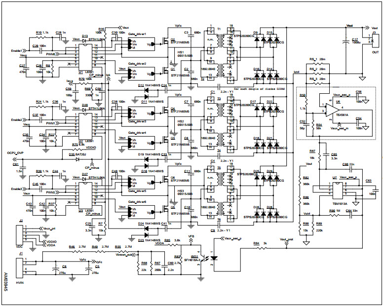
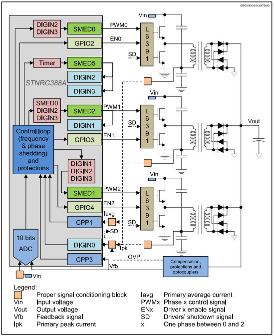
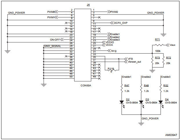
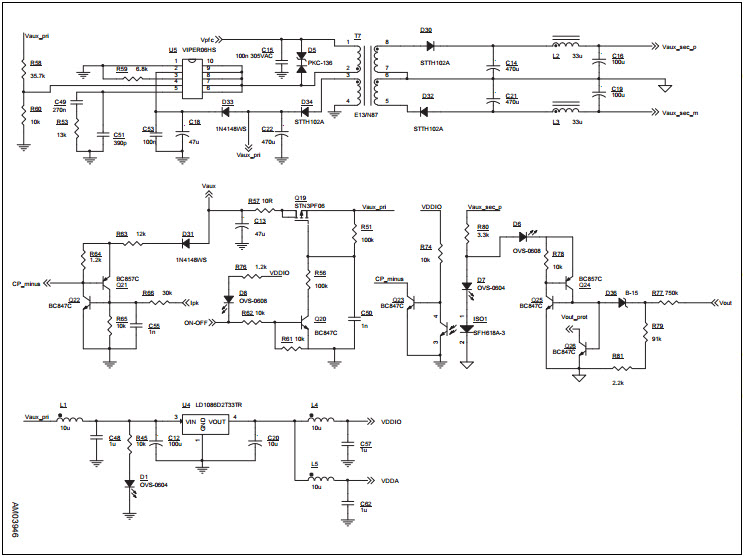
- EVLSTRNG-1KW, Evaluation Board is intended for evaluating the STNRG388A digital controller in offline power conversion applications such as EV battery chargers, UPS and industrial power supplies. The architecture is based on a multiphase interleaved DC/DC converter using the half bridge SAB (Single Active Bridge) topology supporting more than 1000 W of power. The interleaved topology balances the power through 3 parallel stages. The STNRG388A power conversion dedicated peripherals (SMEDs) offer the flexibility to drive the interleaved power stages while guaranteeing the correct phase realignment during the activation and deactivation of each stage
Características clave
-
Conversion TypeDC to DC
-
Input Voltage350 to 420 V
-
Output Voltage133 V
-
Output Current7.5 A
-
Output Power1000 W
-
Efficiency96.5 %
-
TopologyHalf-Bridge
Piezas destacadas (9)
| Número de pieza | Fabricante | Tipo | Descripción | |||
|---|---|---|---|---|---|---|
|
|
LD1086D2T33TR | STMicroelectronics | Linear Regulators | LDO Regulator Pos 3.3V 1.5A 3-Pin(2+Tab) D2PAK T/R | AÑADIR AL CARRITO | |
|
|
L6391 | STMicroelectronics | Gate and Power Drivers | Driver 2-OUT High Side/Low Side Half Brdg Inv/Non-Inv 14-Pin SOIC T/R | AÑADIR AL CARRITO | |
|
|
SFH618A-3 | Vishay | Transistor and Photovoltaic Output Photocouplers | Optocoupler DC-IN 1-CH Transistor DC-OUT 4-Pin PDIP Tube | AÑADIR AL CARRITO | |
|
|
L6391D | STMicroelectronics | Gate and Power Drivers | Driver 2-OUT High Side/Low Side Half Brdg Inv/Non-Inv 14-Pin SOIC Tube | AÑADIR AL CARRITO | |
|
|
VIPER06HS | STMicroelectronics | AC to DC Switching Converters | AC to DC Switching Converter Off-Line Switcher 127kHz Tube 10-Pin SSO | AÑADIR AL CARRITO | |
|
|
TSX561AIYLT | STMicroelectronics | Operational Amplifiers - Op Amps | Op Amp Single Micropower Amplifier R-R I/P 16V 5-Pin SOT-23 T/R Automotive AEC-Q100 | AÑADIR AL CARRITO | |
|
|
L6391DTR | STMicroelectronics | Gate and Power Drivers | Driver 2-OUT High Side/Low Side Half Brdg Inv/Non-Inv 14-Pin SOIC T/R | AÑADIR AL CARRITO | |
|
|
TSX561AILT | STMicroelectronics | Operational Amplifiers - Op Amps | Op Amp Single Micropower Amplifier R-R I/P 16V 5-Pin SOT-23 T/R | AÑADIR AL CARRITO | |
|
|
STNRG388A | STMicroelectronics | PWM and Resonant Controllers | Voltage Mode PWM Controller 16000kHz 38-Pin TSSOP Tube | AÑADIR AL CARRITO | |