Filtros
| Descripción | Publicado por | Para la aplicación | Para productos finales | |||
|---|---|---|---|---|---|---|
MAX41464EVKIT-868 |
Analog Devices | Wireless Communication | Remote Keyless Entry, Tire Pressure Monitoring System, Garage Door Opener, Radio Controlled Toys, Building Automation, Home Security, Automatic Meter Reading (AMR), Internet of Things (IoT) | |||
MAX41464EVKIT#MAX41464EVKIT#, Evaluation Kit for the MAX41463 434MHz ASK/FSK Transmitter with Preset/I2C Interface |
Analog Devices | Wireless Communication | Remote Keyless Entry, Tire Pressure Monitoring System, Garage Door Opener, Radio Controlled Toys, Building Automation, Home Security, Automatic Meter Reading (AMR), Internet of Things (IoT) | |||
MAX41460EVKIT#MAX41460EVKIT#, Evaluation Kit for the MAX41460 434MHz ASK/FSK Transmitter with SPI Interface |
Analog Devices | Wireless Communication | Remote Keyless Entry, Tire Pressure Monitoring System, Garage Door Opener, Radio Controlled Toys, Building Automation, Home Security, Automatic Meter Reading (AMR), Internet of Things (IoT) | |||
MAX41462EVKIT-434 |
Analog Devices | Wireless Communication | Remote Keyless Entry, Tire Pressure Monitoring System, Garage Door Opener, Radio Controlled Toys, Building Automation, Home Security, Automatic Meter Reading (AMR), Internet of Things (IoT) | |||
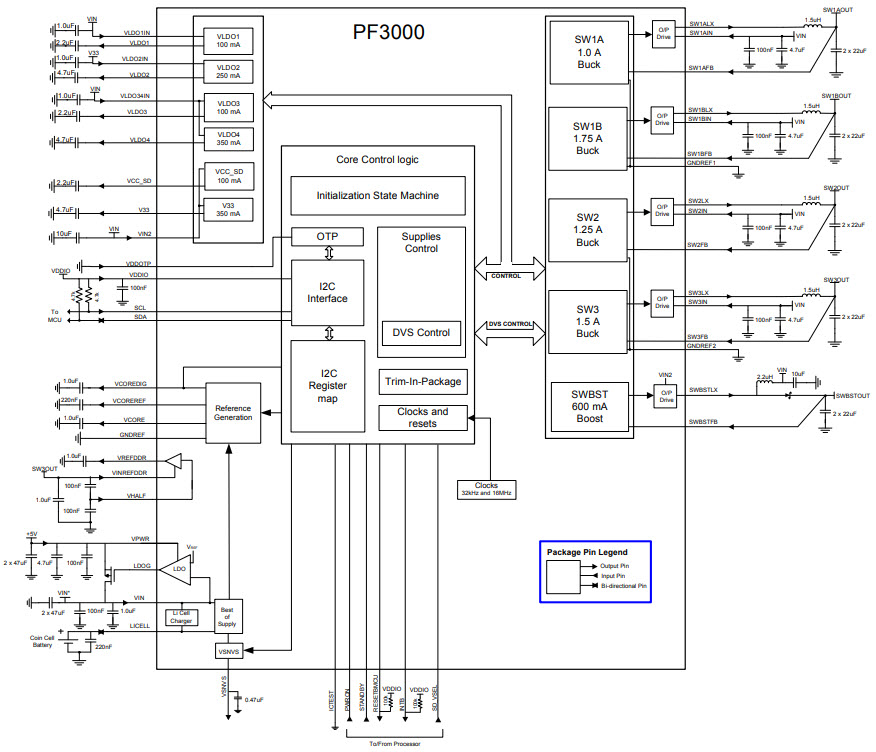
PF3000_Typical ApplicationTypical Application for MC34PF3000A8EP PMIC Solutions Power Management |
NXP Semiconductors | Power Management | Industrial Control, Patient Monitoring, Tablet, E-Reader, POS Terminals, Home Automation, Wearable Electronics, Energy Management, Home Security | |||
PF3000_Typical ApplicationTypical Application for MC34PF3000A7EP PMIC Solutions Power Management |
NXP Semiconductors | Power Management | Industrial Control, Patient Monitoring, Tablet, E-Reader, POS Terminals, Home Automation, Wearable Electronics, Energy Management, Home Security | |||
PF3000_Typical ApplicationTypical Application for MC34PF3000A6EP PMIC Solutions Power Management |
NXP Semiconductors | Power Management | Industrial Control, Patient Monitoring, Tablet, E-Reader, POS Terminals, Home Automation, Wearable Electronics, Energy Management, Home Security | |||
PF3000_Typical ApplicationTypical Application for MC34PF3000A5EP PMIC Solutions Power Management |
NXP Semiconductors | Power Management | Industrial Control, Patient Monitoring, Tablet, E-Reader, POS Terminals, Home Automation, Wearable Electronics, Energy Management, Home Security | |||
PF3000_Typical ApplicationTypical Application for MC34PF3000A4EP PMIC Solutions Power Management |
NXP Semiconductors | Power Management | Industrial Control, Patient Monitoring, Tablet, E-Reader, POS Terminals, Home Automation, Wearable Electronics, Energy Management, Home Security | |||
PF3000_Typical ApplicationTypical Application for MC34PF3000A3EP PMIC Solutions Power Management |
NXP Semiconductors | Power Management | Industrial Control, Patient Monitoring, Tablet, E-Reader, POS Terminals, Home Automation, Wearable Electronics, Energy Management, Home Security | |||
PF3000_Typical ApplicationTypical Application for MC34PF3000A2EP PMIC Solutions Power Management |
NXP Semiconductors | Power Management | Industrial Control, Patient Monitoring, Tablet, E-Reader, POS Terminals, Home Automation, Wearable Electronics, Energy Management, Home Security | |||
PF3000_Typical ApplicationTypical Application for MC34PF3000A1EP PMIC Solutions Power Management |
NXP Semiconductors | Power Management | Industrial Control, Patient Monitoring, Tablet, E-Reader, POS Terminals, Home Automation, Wearable Electronics, Energy Management, Home Security | |||
PF3000_Typical ApplicationTypical Application for MC33PF3000A5ES PMIC Solutions Power Management |
NXP Semiconductors | Power Management | Industrial Control, Patient Monitoring, Tablet, E-Reader, POS Terminals, Home Automation, Wearable Electronics, Energy Management, Home Security | |||
PF3000_Typical ApplicationTypical Application for MC33PF3000A4ES PMIC Solutions Power Management |
NXP Semiconductors | Power Management | Industrial Control, Patient Monitoring, Tablet, E-Reader, POS Terminals, Home Automation, Wearable Electronics, Energy Management, Home Security | |||
PF3000_Typical ApplicationTypical Application for MC33PF3000A3ES PMIC Solutions Power Management |
NXP Semiconductors | Power Management | Industrial Control, Patient Monitoring, Tablet, E-Reader, POS Terminals, Home Automation, Wearable Electronics, Energy Management, Home Security | |||
PF3000_Typical ApplicationTypical Application for MC33PF3000A0ES PMIC Solutions Power Management |
NXP Semiconductors | Power Management | Industrial Control, Patient Monitoring, Tablet, E-Reader, POS Terminals, Home Automation, Wearable Electronics, Energy Management, Home Security | |||
PF3000_Typical ApplicationTypical Application for MC34PF3000A0EP PMIC Solutions Power Management |
NXP Semiconductors | Power Management | Industrial Control, Patient Monitoring, Tablet, E-Reader, POS Terminals, Home Automation, Wearable Electronics, Energy Management, Home Security | |||
PF3000_Typical ApplicationTypical Application for MC33PF3000A7ES PMIC Solutions Power Management |
NXP Semiconductors | Power Management | Industrial Control, Patient Monitoring, Tablet, E-Reader, POS Terminals, Home Automation, Wearable Electronics, Energy Management, Home Security | |||
PF3000_Typical ApplicationTypical Application for MC33PF3000A6ES PMIC Solutions Power Management |
NXP Semiconductors | Power Management | Industrial Control, Patient Monitoring, Tablet, E-Reader, POS Terminals, Home Automation, Wearable Electronics, Energy Management, Home Security | |||
PF3000_Typical ApplicationTypical Application for MC32PF3000A8EP PMIC Solutions Power Management |
NXP Semiconductors | Power Management | Industrial Control, Patient Monitoring, Tablet, E-Reader, POS Terminals, Home Automation, Wearable Electronics, Energy Management, Home Security | |||