Filtros
| Descripción | Publicado por | Para la aplicación | Para productos finales | |||
|---|---|---|---|---|---|---|
AN_8009R_064Migrating from the Teridian 73S8024RN to the 73S8009R Adapter Card |
Analog Devices | Interface | Set-Top Box, Point-of-sale Terminals, Digital TV, Digital Video Recorder, Flash Card Reader | |||
AN_8009R_064Migrating from the Teridian 73S8024RN to the 73S8009R for 2.7V to 3.6V, 4.75V to 6V Adapter Card |
Analog Devices | Interface | Set-Top Box, Point-of-sale Terminals, Digital TV, Digital Video Recorder, Flash Card Reader | |||
AN4859 |
Analog Devices | Interface | Set-Top Box, Point-of-sale Terminals, Digital TV, Digital Video Recorder, Flash Card Reader | |||
AN4861 |
Analog Devices | Interface | Set-Top Box, Point-of-sale Terminals, Digital TV, Digital Video Recorder, Flash Card Reader | |||
AN4860 |
Analog Devices | Interface | Set-Top Box, Point-of-sale Terminals, Digital TV, Digital Video Recorder, Flash Card Reader | |||
AN_8009R_064Migrating from the Teridian 73S8024RN to the 73S8009R for 2.7V to 5.5V, 4.75V to 5.5V Adapter Card |
Analog Devices | Interface | Set-Top Box, Point-of-sale Terminals, Digital TV, Digital Video Recorder, Flash Card Reader | |||
AN4858 |
Analog Devices | Interface | Set-Top Box, Point-of-sale Terminals, Digital TV, Digital Video Recorder, Flash Card Reader | |||
Eval-AD1941EBEval-AD1941EB, Evaluation Board using AD1941 SigmaDSP, 56-Bit Audio Processor |
Analog Devices | CODEC | Automotive and Transportation, MP3 Player, Portable Media Player, Digital TV, Home Theater | |||
Eval-AD1940EBEval-AD1940EB, Evaluation Board using AD1940 SigmaDSP, 28-Bit Audio Processor |
Analog Devices | CODEC | Automotive and Transportation, MP3 Player, Portable Media Player, Digital TV, Home Theater | |||
EVAL-AD1940MINIB |
Analog Devices | CODEC | Automotive and Transportation, MP3 Player, Portable Media Player, Digital TV, Home Theater | |||
EVAL-ADAU1701EBADAU1701, Evaluation Board is a Standalone 28-/56-bit audio DSP that handles all system processing |
Analog Devices | CODEC | Automotive and Transportation, MP3 Player, Portable Media Player, Digital TV, Home Theater | |||
EVAL-AD1940AZEVAL-AD1940AZ, Evaluation Board for 28-Bit Audio Processor for Automotive |
Analog Devices | CODEC | Automotive and Transportation, MP3 Player, Digital TV, Home Theater, Seat Control | |||
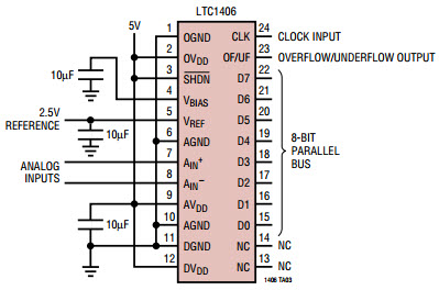
LTC1406_Typical ApplicationTypical Application for LTC1406 Low Power, 8-Bit, 20-Msps Sampling A/D Converter |
Analog Devices | Data Conversion | Cellular Phone, Personal Digital Assistant, Data Acquisition System, Digital TV, Digital Copier, Telecommunications Equipment, Wireless Communications, Scanners | |||
EVAL-ADAU1702EBADAU1702, Evaluation Board is a Standalone 28-/56-bit audio DSP that handles all system processing |
Analog Devices | CODEC | Automotive and Transportation, MP3 Player, Portable Media Player, Digital TV, Home Theater | |||
EVAL-ADAU1401EBZEVAL-ADAU1401EBZ, Evaluation Board for ADAU1401 Audio Processor for MP3 Player |
Analog Devices | CODEC | Automotive and Transportation, MP3 Player, Digital TV, Seat Control | |||
AN4859 |
Analog Devices | Interface | Set-Top Box, Point-of-sale Terminals, Digital TV, Digital Video Recorder, Flash Card Reader | |||
CN-0263 |
Analog Devices | Video | Personal Digital Assistant, Smart Phone, Portable Media Player, Digital TV, Digital Camcorder, AV Receiver, Infotainment | |||
AN1028 |
Analog Devices | Active Filters | Video and Imaging, Digital TV | |||
AN5346LDO with a Built-In Current Sensing Amplifier and Switch for Remote Antenna |
Analog Devices | Power Supplies | GPS , Digital TV | |||
MIC59300YME EV1V, 1.2V, 1.5V, 1.8V DC to DC Single Output Power Supply for Computers/Peripherals |
Microchip Technology | Power Supplies | Processor Power Management, Telecom Power Supply, Computers and Peripherals, Graphics Card, Digital TV | |||