|
Typical Application for LTM4623 - Ultrathin 20VIN, 3A Step-Down DC/DC module Regulator
|
|
Analog Devices
|
Power Supplies |
Network Equipment, Test and Measurement, Medical Equipments, Telecom Equipments, Power Conversion, Industrial Applications |
|
Typical Application Circuit for LTM4647IY 3-Phase 1V at 90A Design with Extra 1 Phase 30A Redundancy
|
|
Analog Devices
|
Power Supplies |
Networking, Telecom Equipments, Industrial Equipments |
|
Typical Application Circuit for LTM4647EY 4-Phase 1V at 120A Design
|
|
Analog Devices
|
Power Supplies |
Networking, Telecom Equipments, Industrial Equipments |
|
Typical Application Circuit for LTM4647IY 6V to 15V Input, 1.0V and 1.2V Output with Tracking
|
|
Analog Devices
|
Power Supplies |
Networking, Telecom Equipments, Industrial Equipments |
|
Typical Application Circuit for LTM4647EY 3-Phase 1V at 90A Design with Extra 1 Phase 30A Redundancy
|
|
Analog Devices
|
Power Supplies |
Networking, Telecom Equipments, Industrial Equipments |
|
Typical Application Circuit for LTM4647IY 4-Phase 1V at 120A Design
|
|
Analog Devices
|
Power Supplies |
Networking, Telecom Equipments, Industrial Equipments |
|
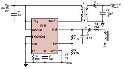
Typical Application Circuit for LT8331EMSE 48V Output SEPIC Converter
|
|
Analog Devices
|
Power Supplies |
Portable Consumer Electronics, Medical System, Networking, Telecom Equipments, Industrial Equipments |
|
Typical Application Circuit for LT8331IMSE 48V Output SEPIC Converter
|
|
Analog Devices
|
Power Supplies |
Portable Consumer Electronics, Medical System, Networking, Telecom Equipments, Industrial Equipments |
|
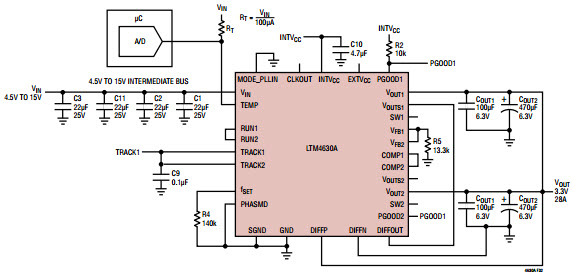
Typical Application Circuit for LTM4630IY 4.5V to 15Vin, 1.5V and 1.2V at 18A Outputs DC/DC Regulator
|
|
Analog Devices
|
Power Supplies |
Industrial, Network Equipment, Storage System, Telecom Equipments |
|
Typical Application Circuit for LTM4630EY 4.5V to 15Vin, 1.5V and 1.2V at 18A Outputs DC/DC Regulator
|
|
Analog Devices
|
Power Supplies |
Industrial, Network Equipment, Storage System, Telecom Equipments |
|
Typical Application Circuit for LTM4630IV 4.5V to 15Vin, 1.5V and 1.2V at 18A Outputs DC/DC Regulator
|
|
Analog Devices
|
Power Supplies |
Industrial, Network Equipment, Storage System, Telecom Equipments |
|
Typical Application Circuit for LTM4630EV 4.5V to 15Vin, 1.5V and 1.2V at 18A Outputs DC/DC Regulator
|
|
Analog Devices
|
Power Supplies |
Industrial, Network Equipment, Storage System, Telecom Equipments |
|
Typical Application Circuit for LTM4630IY 36A, 1.2V Output DC/DC Regulator
|
|
Analog Devices
|
Power Supplies |
Industrial, Network Equipment, Storage System, Telecom Equipments |
|
Typical Application Circuit for LTM4630EY 36A, 1.2V Output DC/DC Regulator
|
|
Analog Devices
|
Power Supplies |
Industrial, Network Equipment, Storage System, Telecom Equipments |
|
Typical Application Circuit for LTM4630IV 36A, 1.2V Output DC/DC Regulator
|
|
Analog Devices
|
Power Supplies |
Industrial, Network Equipment, Storage System, Telecom Equipments |
|
Typical Application Circuit for LTM4630EV 36A, 1.2V Output DC/DC Regulator
|
|
Analog Devices
|
Power Supplies |
Industrial, Network Equipment, Storage System, Telecom Equipments |
|
Typical Application Circuit for LTM4630IV 4-Phase, 1.2V at 70A Output DC/DC Regulator
|
|
Analog Devices
|
Power Supplies |
Industrial, Network Equipment, Storage System, Telecom Equipments |
|
Typical Application Circuit for LTM4630EV 4-Phase, 1.2V at 70A Output DC/DC Regulator
|
|
Analog Devices
|
Power Supplies |
Industrial, Network Equipment, Storage System, Telecom Equipments |
|
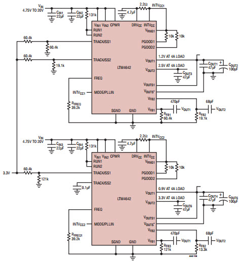
Typical Application Circuit for LTM4630IY 1.2V and 1V Output DC/DC Regulator
|
|
Analog Devices
|
Power Supplies |
Industrial, Network Equipment, Storage System, Telecom Equipments |
|
Typical Application Circuit for LTM4630EY 1.2V and 1V Output DC/DC Regulator
|
|
Analog Devices
|
Power Supplies |
Industrial, Network Equipment, Storage System, Telecom Equipments |