DC1262A/B, Demo Board for the LTC2970 Dual power supply monitor and margin controller
Diseño de referencia usando la pieza LTC2970CUFD de Analog Devices
Documentos asociados
Para productos finales
- Power Supplies
- Servo Motor
Descripción
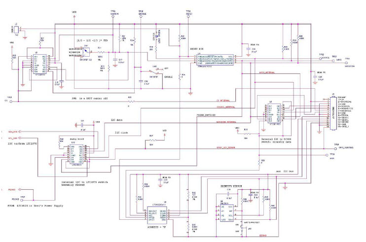
- DC1262A/B, Demo Board for the LTC2970 Dual power supply monitor and margin controller. The Demonstration circuit DC1262A features the LTC2970CUFD running in conjunction with a low cost microcontroller to form a complete dual power supply monitoring and margining solution
Piezas destacadas (26)
| Número de pieza | Fabricante | Tipo | Descripción | |||
|---|---|---|---|---|---|---|
|
|
LT1761ES5-5#TRPBF | Automotive LDO Linear Regulator | Analog Devices | Linear Regulators | LDO Regulator Pos 5V 0.1A 5-Pin TSOT-23 T/R | AÑADIR AL CARRITO | |
|
|
ATTINY85V-10SU | Atmel 8-bit AVR Microcontroller | Microchip Technology | Microcontrollers - MCUs | MCU 8-bit AVR RISC 8KB Flash 2.5V/3.3V/5V 8-Pin SOIC EIAJ Tube | AÑADIR AL CARRITO | |
|
|
LTC4302CMS-1#TRPBF | Analog Devices | Signal Buffers and Repeaters | I2C Buffer 3.3V/5V 10-Pin MSOP T/R | AÑADIR AL CARRITO | |
|
|
LTC201ACS#TRPBF | Analog Devices | Analog Switch Multiplexers | Analog Switch Quad SPST 16-Pin SOIC N T/R | AÑADIR AL CARRITO | |
|
|
B12AP-RO | NKK Switches | Switch Toggle | Switch Toggle ON None ON SPDT Bat Lever PC Pins 0.1A 28VAC 28VDC 0.4VA PC Mount | AÑADIR AL CARRITO | |
|
|
B12AP | NKK Switches | Switch Toggle | Switch Toggle ON None ON SPDT Bat Lever PC Pins 0.1A 28VAC 28VDC 0.4VA PC Mount | AÑADIR AL CARRITO | |
|
|
LT1761ES5-5#TRM | Analog Devices | Linear Regulators | LDO Regulator Pos 5V 0.1A 5-Pin TSOT-23 T/R | AÑADIR AL CARRITO | |
|
|
ATTINY85V-10SUR | Microchip Technology | Microcontrollers - MCUs | MCU 8-bit AVR RISC 8KB Flash 2.5V/3.3V/5V 8-Pin SOIC EIAJ T/R | AÑADIR AL CARRITO | |
|
|
LT1761ES5-5#TRMPBF (CUT REEL) | Analog Devices | Linear Regulators | LDO Regulator Pos 5V 0.1A 5-Pin TSOT-23 T/R | AÑADIR AL CARRITO | |
|
|
LTC201ACS | Analog Devices | Analog Switch Multiplexers | Analog Switch Quad SPST 16-Pin SOIC N | AÑADIR AL CARRITO | |
|
|
LTC202CS#TRPBF | Analog Devices | Analog Switch Multiplexers | Analog Switch Quad SPST 16-Pin SOIC N T/R | AÑADIR AL CARRITO | |
|
|
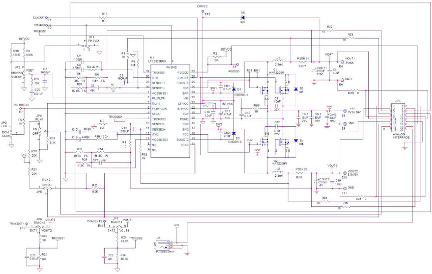
LTC3823EUH#PBF | Analog Devices | DC to DC Controllers | DC/DC Cntrlr Single-OUT Step Down 32-Pin QFN EP Tube | AÑADIR AL CARRITO | |