CC31XXEMUBOOST, Advanced Emulation BoosterPack for SimpleLink Wi-Fi CC3100 BoosterPack
Diseño de referencia usando la pieza FT4232HL de Texas Instruments
Documentos asociados
Para productos finales
- Access Control
- DSL Gateway
- Energy
- Glowplug
- Home Appliances
- Industrial Control
- Metering
- Security System
- Wireless Audio
- Wireless Sensor
Descripción
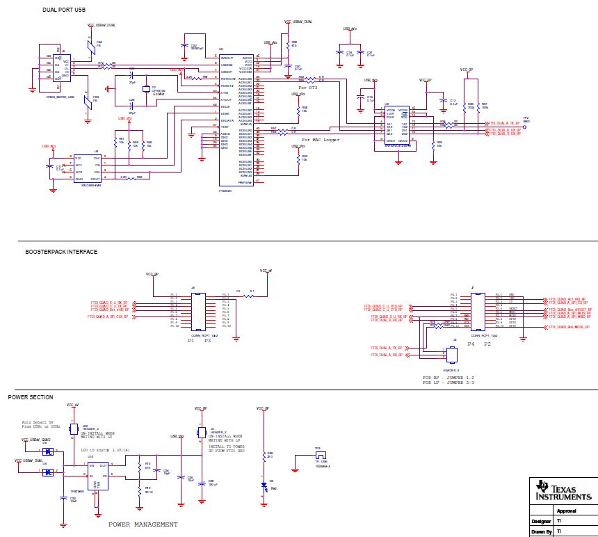
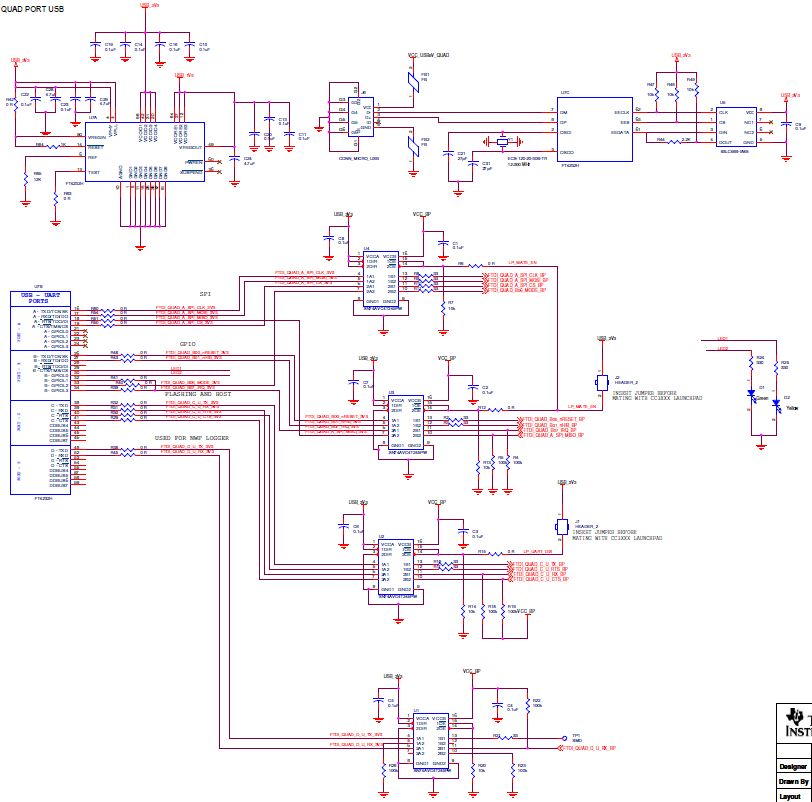
- CC31XXEMUBOOST, Advanced Emulation BoosterPack for SimpleLink Wi-Fi CC3100 BoosterPack. This accessory can be used for Flashing updates to the CC3100BOOST. Using the CC3100 radio tool for RF performance evaluation. Using Simplelink Studio for CC3100 for MCU software development-PC tool, documents and example applications can be found in the CC3100 software development kit (SDK)
Piezas destacadas (12)
| Número de pieza | Fabricante | Tipo | Descripción | |||
|---|---|---|---|---|---|---|
|
|
93LC46B-I/MS | Microchip Technology | EEPROM | EEPROM Serial-Microwire 1K-bit 64 x 16 3.3V/5V 8-Pin MSOP Tube | AÑADIR AL CARRITO | |
|
|
SN74AVC4T245PW-P | Texas Instruments | Level Translators | Voltage Level Translator 4-CH Bidirectional 16-Pin TSSOP | AÑADIR AL CARRITO | |
|
|
SN74AVC4T245PWR | Texas Instruments | Level Translators | Voltage Level Translator 4-CH Bidirectional 16-Pin TSSOP T/R | AÑADIR AL CARRITO | |
|
|
ECS-120-20-30B-DU | ECS, Inc. International | Crystals | Crystal 12MHz ±30ppm (Tol) ±100ppm (Stability) 20pF FUND 80Ohm 4-Pin SMD T/R | AÑADIR AL CARRITO | |
|
|
SN74AVC4T245PWR-P | Texas Instruments | Level Translators | Voltage Level Translator 4-CH Bidirectional 16-Pin TSSOP | AÑADIR AL CARRITO | |
|
|
SN74AVC4T245PWT | Texas Instruments | Level Translators | Voltage Level Translator 4-CH Bidirectional 16-Pin TSSOP T/R | AÑADIR AL CARRITO | |
|
|
FT2232D-R | Future Technology Devices International Limited | USB Interface ICs | Full Speed USB to UART/FIFO USB 2.0 5V T/R 48-Pin LQFP | AÑADIR AL CARRITO | |
|
|
TPS79601DCQR | Texas Instruments | Linear Regulators | LDO Regulator Pos 1.2V to 5.5V 1A 6-Pin(5+Tab) SOT-223 T/R | AÑADIR AL CARRITO | |
|
|
SN74AVC4T245PW | Texas Instruments | Level Translators | Voltage Level Translator 4-CH Bidirectional 16-Pin TSSOP Tube | AÑADIR AL CARRITO | |
|
|
FT4232HL-REEL | Future Technology Devices International Limited | USB Interface ICs | Full Speed/High Speed USB to UART/MPSSE USB 2.0 1.8V/3.3V T/R 64-Pin LQFP | AÑADIR AL CARRITO | |
|
|
FT4232HL-TRAY | Future Technology Devices International Limited | USB Interface ICs | Full Speed/High Speed USB to UART/MPSSE USB 2.0 1.8V/3.3V Tray 64-Pin LQFP | AÑADIR AL CARRITO | |
|
|
FT4232HL | Future Technology Devices International Limited | USB Interface ICs | Full Speed/High Speed USB to UART/MPSSE USB 2.0 1.8V/3.3V 64-Pin LQFP | AÑADIR AL CARRITO | |