Solar photovoltaic solutions to meet energy conservation and emission reduction trends
With growing global attention on climate change, energy conservation and emission reduction have become core objectives for sustainable development in many countries. Against this backdrop, solar photovoltaic (PV) technology, characterized by its clean, efficient, and renewable nature, has emerged as a key driver of the energy transition. Achieving comprehensive energy conservation and emission reduction requires not only breakthroughs in individual technologies but also integrated solutions spanning design, construction, and operation. These solutions aim to maximize the utilization of solar resources while minimizing energy waste and carbon emissions. This article explores how to implement a comprehensive solar PV solution aligned with energy conservation and emission reduction trends, including related solutions introduced by ADI.
Converting solar energy into electricity with photovoltaic systems
The primary function of a solar PV system is to convert solar energy into electricity and supply or store it according to demand. Its architecture is typically divided into several core parts, specifically including photovoltaic modules (solar panels), inverters, energy storage equipment (optional), PV mounting and tracking systems, monitoring and management systems, grid connection and protection equipment, and power distribution systems.
Photovoltaic modules (solar panels) are the core components of the solar PV system, used to convert light energy into direct current (DC). Their material types are mostly monocrystalline silicon, polycrystalline silicon, or thin-film materials, which have high energy conversion efficiency. They are usually installed in areas with abundant sunlight, such as rooftops or ground-mounted structures.
Inverters are responsible for converting the direct current generated by photovoltaic modules into alternating current (AC) for use by appliances, equipment, or the power grid. Their types are divided into centralized, string, and micro-inverters. They ensure the stability of output voltage and frequency and provide intelligent management functions such as fault detection and data analysis.
Energy storage equipment (such as batteries) are optional equipment used to store surplus electricity, especially suitable for off-grid systems or scenarios requiring stable power. The main battery technologies include lithium batteries and lead-acid batteries, which can provide stable power supply during insufficient sunlight or nighttime.
PV mounting systems are used to fix photovoltaic modules, while tracking systems can adjust the module's angle according to the sun's position to improve power generation efficiency. Fixed mounting systems have a simple structure, suitable for scenarios with fixed installation environments. Tracking systems can be divided into single-axis and dual-axis tracking systems, which can increase the light exposure of photovoltaic modules.
Monitoring and management systems are used to monitor the operation status of the PV system, track real-time power generation, equipment performance, and energy efficiency. Their functions support remote management and fault alarms and provide data analysis capabilities. On the other hand, grid interface equipment such as grid connection devices can be used to transmit the electricity generated by the PV system to the public power grid. Protection equipment includes circuit breakers, overvoltage protection devices, and lightning protection facilities to ensure the safety of the system and personnel. Power distribution systems are responsible for distributing the generated electricity to users or the grid, ensuring efficient utilization and stable transmission of electricity.
Development trends and challenges of solar photovoltaic systems
With the global push for energy transition and the growing demand for energy conservation and emission reduction, solar PV systems are experiencing rapid development, with their technologies and application fields continuously expanding. The main development trends of solar PV systems currently include advancements in high-efficiency photovoltaic technologies, focusing on new material technologies and thin-film technology development. Additionally, intelligent and digitalized solutions are key directions, aiming to adopt smart operation and maintenance technologies along with energy management systems to enhance energy distribution efficiency and reduce operational costs.
On the other hand, energy storage systems are moving towards integrated development, adopting high-performance battery technologies and DC-integrated PV-storage solutions to minimize energy conversion losses, improve overall efficiency, and integrate photovoltaics into multiple application scenarios, such as building-integrated photovoltaics (BIPV), agrivoltaics, aquavoltaics, and mobile or portable applications, thus expanding PV usage scenarios.
Moreover, efforts must focus on reducing the cost of PV systems and enhancing their economic viability. Combining government policies and standards promotion with grid connection technology innovation is essential to driving PV systems toward high efficiency, intelligence, multi-scenario adaptability, and cost-effectiveness. In the future, they are expected to play an even more crucial role in advancing green energy transition.
Although renewable energy has become a critical energy development strategy in the context of energy conservation and emission reduction, with solar PV solutions being the most mainstream power generation method today, solar PV systems still face numerous significant challenges and system considerations. These include the need for higher reliability and lower assembly/manufacturing costs, operation in relatively harsh environments with temperatures potentially reaching +125°C, and ensuring optimal power conversion efficiency. Components must consume as little power as possible, maintain generated harmonic within regulatory levels , and ensure low DC injection current levels into the grid to safeguard the efficiency and safety of solar PV power generation.
Extensive renewable energy industry experiences providing energy management solutions
ADI has established a dedicated energy division focused on renewable energy applications. By offering cost-competitive, high-quality ICs, ADI enables reliable metering, measurement, and control, maintaining its industry-leading position in high-precision signal measurement and control. These products are applicable to renewable energy, electrical power transmission and distribution, as well as electric, gas, and water metering. Leveraging proven expertise in optimizing system-level signal processing performance and a comprehensive product portfolio, ADI delivers accurate, reliable, and easy-to-design energy management solutions for developers.
ADI's renewable energy solutions boast several advantages. With extensive expertise in integrated energy measurement, ADI has deployed over 300 million ADI-based electricity meters worldwide, and 50% of global electrical grid equipment utilizes ADI converters. The solutions enable precise current and voltage measurement through high-accurate converters and amplifiers and employ robust, reliable, high-performance processing technologies to support power networks. Additionally, mixed-signal conversion and processing capabilities simplify design and accelerate time-to-market.
Solar photovoltaic applications are currently highly diverse, encompassing offline solar PV systems, grid-connected solar PV systems, high-power solar PV generation (>100 kW), medium-power solar PV systems (1 kW to 10 kW), and microinverters (200 W to 300 W). ADI's renewable energy solutions are well-suited to meet the demands of these applications.
Efficient and comprehensive solar photovoltaic system solutions
ADI's renewable energy product technology (solar photovoltaic systems) is quite comprehensive, including amplifiers/references, precision ADCs, current and voltage measurement ICs, processors (Blackfin® ADSP-BF50x and ARM7-based processors), power management ICs, vibration sensors (MEMS and accelerometers), and iCoupler® isolators (integrated isolation with USB and RS-485).
Here are some key products from ADI in solar photovoltaic systems. In terms of amplifiers, the AD8212 current sensing amplifier supports a common mode range from 6 V to over 500 V, features adjustable gain, current output, and has a high common mode input range. Another product, the ADA4091-2 operational amplifier, can operate on a single supply, supports a voltage range of 3 V to 30 V, has a wide input voltage range, rail-to-rail output swing, and features a low supply current of 250 μA per amplifier, as well as overvoltage protection (OVP) and a wide input voltage range with overvoltage protection.
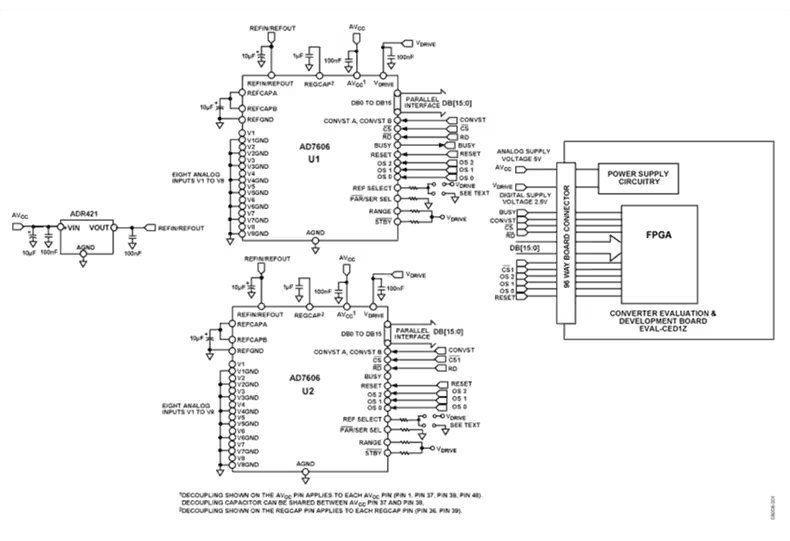
The ADCs that can be selected by ADI for solar photovoltaic systems include the AD7400A/AD7401A, an isolated Σ-Δ modulator that operates on a 5 V power supply and accepts a differential input signal of ±250 mV (±320 mV full scale), supporting isolation and differential input. Another option is the AD7606/AD7607, which is an 8-channel, 16-/14-bit synchronous ADC that supports true bipolar analog input ranges: ±10 V, ±5 V, single 5 V analog supply, as well as 2.3 V to 5 V VDRIVE, 1 MΩ analog input impedance, and analog input clamp protection, featuring 8-channel simultaneous sampling with a single 5 V power supply.
In terms of processors, ADI's ADSP-BF506F is an embedded ADC DSP that supports a 300 MHz/400 MHz Blackfin core, an embedded 12-bit ADC, 4 MB of flash memory, 6 pairs of PWM outputs, and multiple interfaces, with the 12-bit ADC and >300 MHz core being key features. The ADuC702x is a microconverter with a 41 MHz ARM7 core and an embedded 12-bit ADC, 3 pairs of PWM outputs, and 32 kB or 64 kB of flash memory, with the embedded 12-bit ADC being its greatest advantage.
In the field of isolation applications, the ADuM5000 is an isoPower® integrated isolated DC-DC converter that supports output power up to 500 mW, featuring thermal overload protection, with isolated DC-DC conversion as its highlight. The ADuM141x is a quad-channel digital isolator with a high data rate of DC to 90 Mbps (NRZ), high common-mode transient immunity of >25 kV/μs, supporting low power operation and bidirectional communication, characterized by long lifetime and ease of selecting different directions.
In terms of interfaces, the ADuM2587E is an isolated RS-485/RS-422 transceiver that supports half-duplex or full-duplex operation at 500 kbps, with 5 V or 3.3 V operation, featuring an integrated isolated DC-DC converter and ±15 kV ESD protection. The ADM3053E is a signal and power isolated CAN transceiver that complies with the ISO 11898 standard, with a high-speed data rate of up to 1 Mbps, and features an integrated isolated DC-DC converter.
In the application of energy meters, the ADE7878 is a three-phase energy meter that, at TA = 25°C, has an active and reactive energy error of less than 0.1% within a dynamic range of 1000:1; within a dynamic range of 3000:1, the error is less than 0.2%. It features high performance and harmonic analysis capabilities. The ADE7953 is a single-phase energy meter that has an active and reactive energy measurement error of less than 0.1% within a dynamic range of 3000:1, and an instantaneous I rms and V rms measurement error of less than 0.2% within a dynamic range of 500:1, characterized by high performance and a wide dynamic range.
In terms of processors, the ADP2114 is a DC-DC regulator that can be configured for a dual output load combination of 3 A/1 A or 2 A/2 A, or a single output of 4 A, with an efficiency of up to 95%. Its features include programmable frequency and support for a single 4 A output. The ADP2118 is also a DC-DC regulator that supports a continuous output current of 3 A, with an output accuracy of ±1.5% and an input voltage range of 2.3 V to 5.5 V, with the continuous output current of 3 A being its main feature.
ADI also provides Circuits from the Lab™ energy management reference circuits, which are subsystem-level building blocks that are carefully designed and tested for quick and easy integration. If you need more information about ADI solar photovoltaic applications and products, please visit ADI website.
Conclusion
A complete solar photovoltaic solution that meets the trend of energy conservation and emission reduction is not only a technological innovation but also a green commitment for the future. By combining efficient photovoltaic modules, intelligent management systems, and energy storage technology, we can significantly enhance energy utilization efficiency, reduce carbon footprints, and contribute to the global achievement of sustainable development goals. ADI offers a comprehensive solar photovoltaic system solution that encompasses a variety of products, which will assist in the rapid development of related solar photovoltaic products and help build a clean, low-carbon, and sustainable energy new era together.
Article Tags
